Der Wärmetauscher dient der vollständigen Trennung von Wärmeerzeugerkreis und nachgeschalteten Heizkreisen. Sein Einsatz wird immer dann empfohlen, wenn es sich bei der Heizungsanlage um eine Fußbodenheizung handelt, die aus nicht sauerstoffdichten Rohrregistern aus Kunststoff oder Kunststoff-Klimaböden besteht.
Die Systemtrennung mittels Wärmetauscher ist ebenfalls vorzunehmen, wenn unbeschichtete Pufferspeicher im Heizkreis eingebunden werden sollen. Der Wärmetauscher trennt den Fußbodenheizkreis vom übrigen Rohrnetz ab.
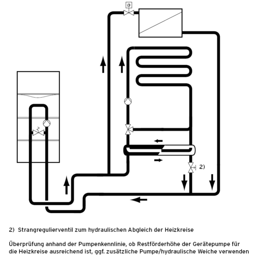
Wärmeerzeugerkreis und Heizkreis werden unabhängig voneinander, je nach individuellem Anlagentyp, dimensioniert. Der Einbau eines kombinierten Magnetit- und Schlammabscheider im Rücklauf der nachgeschalteten Heizkreise (Sekundärkreis) ist grundsätzlich zu empfehlen.
Wärmeerzeugerkreis
Die Gerätepumpe muss die erforderliche Wassermenge gegen den Druckverlust des Wärmeerzeugerkreises fördern; der Druckverlust des bauseits zu stellenden Wärmetauschers
ist der entsprechenden Herstellerunterlage zu entnehmen.
Aus den Pumpendiagrammen kann in Abhängigkeit von der im Erzeugerkreis umlaufenden Wassermenge die zugehörige Restförderhöhe für die Rohrnennweiten-Bestimmung ermittelt werden. Die Gerätepumpe
sollte ungeregelt betrieben werden. Die Auslegung des Wärmetauschers muss anhand der Restförderhöhe der Pumpe vorgenommen werden.
Heizkreise (Verbraucher)
Im Fußbodenkreis, der über den Wärmetauscher versorgt wird, muss die bauseits zu stellende Heizungspumpe die Wassermenge dieses Kreises einschließlich des Wärmetauschers gegen dessen Druckverlust fördern - sie ist entsprechend zu Dimensionieren.
 
 Vaillant
Hinweis
Sind zum Fußbodenkreis weitere Heizkreise parallel geschaltet, so können diese von der geräteinternen Pumpe des Wärmeerzeugers nur dann versorgt werden, wenn ein hydraulischer Abgleich der Heizkreise vorgenommen wurde (siehe 2) im Prinzipschaltbild).
 
     
     
     
     
     
     
    