Springe auf Hauptinhalt Springe auf Hauptmenü Springe auf SiteSearch
WERBUNG
WERBUNG
WERBUNG

Mit Plan geht es Besser

Uns Deutschen wird gerne nachgesagt, dass wir „Ohne Plan“ noch nicht einmal zum Klo gehen. Richtig ist, dass ein Plan helfen kann komplexe Zusammenhänge zu erklären. Damit ist widerlegt, dass wir mit einem Plan zum Klo gehen 😊!

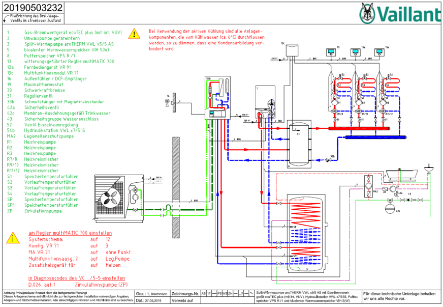
Bei der Heizungsanlagentechnik sieht das schon anders aus. Wärmeerzeuger und Trinkwarmwasserspeicher bekommt man auch noch ohne Plan installiert. Wenn jedoch zum konventionellen WEZ sich noch eine Wärmepumpe gesellt kann es schnell komplex werden. Hersteller haben diese Zusammenhänge erkannt und helfen mit „Standard Plänen“ auch solche Anlagen sicher bauen zu können.

Vaillant

Hydraulikplan und Elektroplan vereinfachen die Installation „Vor Ort“ und reduzieren Montagefehler

Vaillant

Hydraulikplan und Elektroplan vereinfachen die Installation „Vor Ort“ und reduzieren Montagefehler

Vaillant bietet in seiner Hydraulik-Datenbank (planNET) mehr als 2900 Standard Hydraulikpläne zum Download an. Jeder Hydraulikplan wird ergänzt um einen Elektroplan, damit die Verdrahtung der Systemkomponenten sicher und ohne böse Überraschungen gelingt. Die Hydraulikdatenbank versteckt sich im FachpartnerNET und kann auch nur mit einem persönlichen Login erreicht werden. Wenn man erst einmal diese Hürde genommen hat, dann steht einen die Welt der Pläne offen. Neben dem normalen pdf. Download werden auch dxf. und dwg. Formate angeboten. Die zuletzt genannten lassen sich in CAD-Programmen weiterverarbeiten für die individuelle Anlagenplanung.      

WERBUNG

Tags