Die bekannterweise endlichen Ressourcen an Gas und Öl haben zu einer Neubelebung des Marktes für Festbrennstoffkessel geführt. Zum anderen wird Gas oder Öl aus politisch unsicheren Ländern importiert. Dabei wird zunehmend der Rohstoff auch als wirtschaftliches Druckmittel eingesetzt.
Zum Glück, sind die Techniken bei den sogenannten festen Brennstoffen sehr vorangeschritten. Nicht viel erinnert mehr an den alten Bollerofen in der Werkstattecke.
Der Werkstattofen diente auch schon mal zur Vernichtung alter Farb- und Ölreste. Heute, nachdem wir für viele umweltrelevante Themen sensibilisiert wurden, wird sich sicherlich niemand mehr zu solchen Taten hinreißen lassen. Der Scheitholzkessel im Keller des ambitionierten und leicht ökologisch angehauchten Einfamilienhausbesitzers wird sorgfältig gepflegt. Man hat sich vorher schlau gemacht, die Maßnahme in alle Richtungen geplant und entworfen. Anders als die Entscheidung den defekten Kessel gegen einen neuen gleicher Bauart auszutauschen, ist die Wahl eines Scheitholzkessels eine sehr bewusste. Und viele Gründe sprechen tatsächlich dafür.
Der Umwelt zuliebe?
Zuerst einmal wird der Hausbesitzer den Umweltgedanken als seinen prestigeträchtigsten Trumpf aufspielen. Und tatsächlich wird die Nachhaltigkeit, mit der der Brennstoff Holz erzeugt wird, einen guten ökologischen Schein auf die Anlage werfen. Die Menge an Kohlendioxid (CO2), die jedes Holzscheit bei der Verbrennung abgibt, ist vorher, also während des Wachstums von dem Baum gebunden worden. Anders als bei der Verbrennung fossiler Brennstoffe wie Gas und Öl, handelt es sich bei der Verbrennung von Holz um einen fast geschlossenen CO2-Kreislauf. Und würde man die umgekippten oder gefällten Bäume im Wald liegen lassen, sie würden während ihrer Zersetzung wiederum die gleiche Menge an CO2 freisetzen wie bei der Verbrennung. Meist sind noch ein paar Trecker- und Maschinenstunden aufzuführen, in denen zwar konventionelle Energie verbraten wird, aber insgesamt ist die Ökobilanz für die Holzverbrennung sehr gut. Und wer befürchtet, demnächst in Deutschland nur durch eine kahle Wüste zu joggen, der sollte sich beruhigen. Es wächst zurzeit noch mehr Holz nach als verbrannt wird. Eintrübungen dieser Öko-Erfolgsgeschichte aus Brennholz ergeben sich eindeutig bei der Feinstaubbelastung. Diese ist bei der Verbrennung von Holz immer noch höher als bei den fossilen Schwestern Gas und Öl. Einige Städte, die ohnehin schon mit einer gewissen Belastung gestraft sind verbannen daher den Scheitholzkessel aus ihren Zentren. Auch die Emissionen von Kohlenwasserstoffen sind bei Festbrennstoffen deutlich schlechter einzustufen als bei der etablierten fossilen Konkurrenz.
 
 
 Dem Portemonnaie zuliebe?
Öko-Sachen sind in der Regel teurer als das Althergebrachte. Thermische Solaranlagen schützen beispielsweise die Umwelt, sind aber aus wirtschaftlicher Sicht nicht unbedingt für einen Sparfuchs die erste Wahl. Anders sieht es hier für den Scheitholzkessel aus. Die Investition für eine komplette Anlage ist sicher höher als für eine konventionelle Öl- oder Gasfeuerstätte. Aber die Wirtschaftlichkeit ergibt sich im späteren Betrieb der Anlage. Der Brennstoffpreis relativiert die höheren Anschaffungskosten auf die Dauer. Die vergleichbare Menge an Heizöl oder Gas wird nun mal teurer eingekauft als der Raummeter Holz. Die so genannten Betriebskosten sind im Vergleich zur Standardbeheizung zwar deutlich höher, bringen die gesamte Bilanz aber nicht ins Wanken. Höhere Betriebskosten resultieren aus aufwendigerer Wartung, Instandsetzung und Reinigung (der Schorni kommt häufiger). Modellrechnungen weisen bei Einbeziehung aller Faktoren, also Anschaffung und Betrieb, eine um rund fünfzehn Prozent günstigere Beheizung mit Scheitholzkesseln gegenüber einem Ölkessel aus.
 
 
 Durch- oder abbrennen?
Grundsätzlich brennt nicht das Holz, sondern dieses wird entgast und die entstehenden Gase werden dann abgefackelt. Die dabei entstehende Wärme entgast weiterhin Holz oder trocknet dies bei Bedarf. Diese Trocknung kostet zwar Energie, aber ganz ohne geht es auch bei fachmännisch gelagertem Holz nicht. Würde man nun ohne viele Vorkenntnisse einen Kessel zur Verbrennung von Holz selber bauen müssen, so kämen die meisten wohl zu dem Prinzip des so genannten Durchbrandkessel. Dabei wird das Brennholz auf einem Rost gestapelt. Unterhalb des Rostes kann die notwendige Verbrennungsluft nachströmen. Oberhalb des Rostes und Holzes wird der Rauch abgeführt. Man bastelt eine Wassertasche um diese Anordnung und fertig ist eine Zentralheizung die ein ganzes Haus mit Energie versorgen kann. Mit allerlei Tricks kann die Regelbarkeit und die Sicherheit verbessert werden. Man bedenke: Nicht immer muss Volllast gefahren werden. Und was, wenn trotz vor sich hin kokelnder Scheithölzer kein Heizkörper mehr Wärme abnimmt? Dann müssen Sicherheitseinrichtungen, wie die Thermische Ablaufsicherung, greifen. Aber grundsätzlich würde das Prinzip mit diesem geringen Aufwand funktionieren. Durchgesetzt hat sich für die moderne Feststofffeuerung allerdings der untere Abbrand. Nach der Befüllung landet das Holz bei diesem Typ ebenfalls auf einem Rost. Nur laufen sich die aufsteigenden weil leichten Abgase nach oben hin tot. Sie werden per Ventilator nach unten raus befördert. Der Vorteil ist ein gleichmäßigerer Abbrand gegenüber dem alten Prinzip des Durchbrandkessels. Durch diese Maßnahme sind auch geringere Emissionen zu erwarten. Die Gebläseunterstützung kann sogar soweit gehen, dass diese, abhängig von den gemessenen Abgasbestandteilen wie beispielsweise Sauerstoff, nachgeführt wird. Es läuft also insgesamt geregelter ab als beim Durchbrand.
Turbu statt Turbo
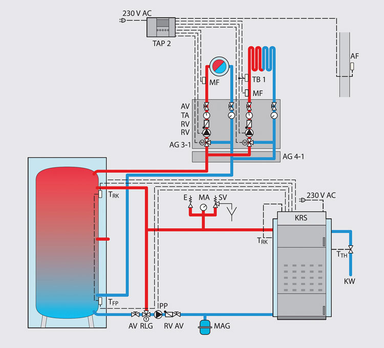
Wenn ohnehin schon mit einem Gebläse gearbeitet wird, kann das Rauchgas auch gegen höhere Widerstände ankämpfen. Daher werden in der Regel noch einige verschlungene Pfade für den „Qualm“ vorgesehen, ehe er den Kessel verlässt. Zum einen möchte man durch eine längere Verweildauer die Wärmeabgabe begünstigen. Zum anderen sollen sich die Abgase aber auch richtig verwirbeln und inniglich mit dem Sauerstoff vereinigen, also verbrennen. Hierzu sind die so genannten Turbulatoren in die Kessel eingebracht. Diese sind nicht zu verwechseln mit dem Turbolader bei einem Automotor. Die Turbulatoren sorgen, wie der Name bereits vermuten lässt, für Turbulenzen und damit guten Wärmeübergang. Der Turbolader bringt mittels Turbine einen Motor auf Trab. Ein sehr wesentlicher Unterschied zu einer Gas- oder Ölfeuerung ergibt sich aus der grundsätzlichen Betriebsweise der Anlagen. Eine Gas – oder Ölflamme kann sehr kurzfristig und relativ problemlos gestartet werden. Das bedeutet bei einer Wärmeanforderung im Haus wird der Kessel im Keller automatisch angeworfen. Ebenso schnell wie diese Kessel eingeschaltet werden können, kann man diese auch wieder stoppen. Der Festbrennstoff lässt sich schwieriger starten und hat nebenbei in der Startphase einige Anlaufprobleme. Der Festbrennstoffkessel wird daher in der Regel komplett mit Brennholz befüllt und dieses Brennholz wird planmäßig komplett abgebrannt. Es wäre zum einen mit fürchterlichen Emissionen verbunden diese Flammen zwischendurch zu ersticken, nur weil keine Wärmeanforderung mehr da ist. Und auch die Ablagerungen im Kesselraum und Schornstein würden durch solch eine Fahrweise erheblich zunehmen. Eine volle Ladung muss also voll runter brennen. Die Energie, die während des Abbrandes nicht zeitgleich genutzt wird, wird dann selbstverständlich gepuffert. Man stellt also in der Regel jedem Festbrennstoffkessel einen Pufferspeicher zur Verfügung. Will man finanzielle Förderungen erhalten, so werden 55 Liter Speichervolumen je Kilowatt an Leistung vorgesehen. Ein Kessel mit 20 kW würde dann immerhin 1100 Liter Puffervolumen benötigen.
 
 
 Leidenswille nötig?
Von einer Gas- oder Ölheizung bekommt man solange nichts mit, wie diese ganz normal funktioniert. Bei einem Scheitholzkessel ist das ganz anders. Im Winter meistens täglich und im Sommer vielleicht wöchentlich will der schwarze Schlund gefüllt werden mit fein abgelagertem Holz. Auch werden Asche- und Staubablagerungen eine manuelle Reinigung durch den Betreiber häufiger erforderlich werden lassen als bei den „sauberen Fossis“. Bei kleinen Anlagen muss die eine oder andere Mechanik zum Abschütteln von energiezehrenden Ablagerungen regelmäßig betätigt werden. Und ein Rhythmus zur Leerung des Aschebehälters wird sich in einem solchen Haushalt ebenfalls einstellen müssen. Dann sollte noch ausreichend Freifläche am Haus zur Verfügung stehen, um das Brennholz angemessen zu lagern. Im Keller verstecken geht nicht, da die fortlaufende Trocknung dort nicht möglich ist. Gute zwei Jahre soll das Holz trocknen, ehe es dem heißen Zweck zugeführt wird. Die Innenstadtwohnung im zweiten Obergeschoss kann also nicht nur wegen der drohenden Feinstaubbelastung kaum als typisch für den Festbrennstoffkessel bezeichnet werden. Wichtig ist auch noch, dass das Holz gespalten gelagert wird, denn so wird die Trocknung erheblich begünstigt. Ob man diese Tätigkeiten und äußeren Zwänge als lästig empfindet, ist eine Frage der persönlichen Einstellung.
Es wird dem Betreiber von solchen Anlagen natürlich deutlicher bewusst, dass Energie verbraucht wird, als dem Konsumenten von Energie aus Gas- und Ölfeuerungen. Die Erziehung zu einem bewussteren Umgang mit Energie ist daher fast zwangsläufig gegeben. Durch eigenes zutun kann jedenfalls Geld gespart werden und der Umwelt wird ein Dienst erwiesen. Also werden sich weiterhin Verbraucher für diese Art der Beheizung entscheiden. Und der Anlagenmechaniker muss sich auch mit dieser Art von Feuerung auskennen.
Film zum Thema:
 
    