Springe auf Hauptinhalt Springe auf Hauptmenü Springe auf SiteSearch
WERBUNG
WERBUNG
WERBUNG

Druckhaltung in Solarthermieanlagen

Beschrieben wird, wie der Anlagenmechaniker eine thermische Solaranlage in seinen fachlichen Griff bekommt, auch, wenn mal wieder die Betriebszustände völlig aus dem Ruder zu laufen drohen. Wenn Sie sich jetzt fragen, unter welchen Bedingungen das denn wohl der Fall sein sollte, entwerfe ich dazu ein Szenario aus der thermischen Hölle.

Urlaub, keiner zuhause

Auf dem Dach des Hauses der Familie Solemio ist eine thermische Solaranlage montiert. Sechs Kollektorfelder sammeln, wie es der Name schon erwarten lässt, Sonnenenergie. Die Solemios sind in den Sommerurlaub gefahren, umweltverträglich mit der Bahn, versteht sich. Jedenfalls ist der Solarspeicher nach drei Tagen Abwesenheit der Nutzer durchgeladen auf 65 °C. Das heißt die Umwälzpumpe, die sonst gerne die solare Ernte vom Dach aus in den Keller und zum Speicher transportiert, diese Pumpe hat regelungstechnisch Anweisung bekommen, dass ohnehin schon heiße Trinkwasser im Speicher nicht auch noch zum Kochen zu bringen. Die Sonne hat davon keine Ahnung und scheint täglich unbarmherzig weiter. Die schwarzen selektiven Oberflächen der Kollektoren wandeln die Strahlung also fortlaufend in Wärme um.

Dieser Prozess der Umwandlung endet erst dann, wenn die Verlustleistung der Kollektoren an die Umgebung genauso hoch ist, wie die ­eingestrahlte Leistung der Sonne. Das stoppt, oder fachlich korrekt stagniert auf dem Dach der Solemios erst bei einer Temperatur von über 200 °C.

Sie ahnen es schon, im Kollektorkreislauf ist ­ordentlich etwas los. Es gibt zwei ­Möglichkeiten die Solarflüssigkeit unter Kontrolle zu halten. Entweder setzt man diese unter Druck oder man entlässt sie in einen geschützten Raum, quasi den Panikraum.

Lösung 1: Mit Druck arbeiten

Möchte man die Flüssigkeit im System und den Kollektoren belassen, so kann man die Anlage theoretisch druckfest machen. Allerdings sollten sämtliche Komponenten einen sehr hohen Druck aushalten können. Um beispielsweise Wasser bei einer Temperatur von 200 °C weiterhin flüssig zu halten, ist ein Überdruck von mehr als 15 bar notwendig. Das würde bedeuten, dass nicht nur die Rohre, sondern auch Kollektoren, Ventile, Pumpen und Wärmetauscher mit diesem irren Druck zurechtkommen müssten. Das Sicherheitsventil dieser fiktiven Anlage würde daher erst bei ca. 16 bar auslösen. Also, ist diese Idee zu verwerfen und eine andere Lösung ins zu fokussieren.

Lösung 2: Panikraum

Sie können die Flüssigkeit rechtzeitig in einen Raum entlassen, in dem die Temperatur nicht mehr weiter ansteigt. Wenn beispielsweise bei 120 °C im Solarsystem Schluss sein soll, könnte der zu diesem Temperaturpunkt herrschende Druck eine Klappe zu einem Panikraum öffnen und zumindest die Flüssigkeit in Sicherheit bringen. Die metallene Hardware des Kollektors könnte sich dann weiter aufheizen, aber das Solarsystem und die Flüssigkeit im System wäre beherrschbar. Die Stagnation der Anlage würde nicht ungeahnte Druckspitzen erzeugen und die Solarflüssigkeit mit dem eventuell enthaltenen Glykol würde nicht solch hohen Temperaturen ausgesetzt.

Panikraum als Lösung

Klar, Sie wissen das, man hat sich in der SHK-Welt auf den Panikraum geeinigt. Und der hat ja auch noch weitere Vorteile. Im Panikraum ist die Solarflüssigkeit während einer Stagnation untergebracht und wird anschließend auch wieder ins System zurückgegeben. Wenn also in der Nacht nach dem letzten solaren Inferno die Temperaturen und damit die Drücke sinken, kehrt sich der Prozess des vorangegangenen Sonnentages wieder um. Das bedeutet, die Solarflüssigkeit verteilt sich freiwillig und ohne menschliches Zutun wieder im System der Solaranlage. Zuständig für diesen Rücktransport der Flüssigkeit ins System ist natürlich ein Druckpolster im Panikraum. Und, um nun endlich die Dinge beim richtigen Namen zu nennen, sprechen wir von nun an vom Membranausdehnungsgefäß der Solaranlage dem MAG.

Aufgabe des MAG

Das MAG ist meistens ein etwas tonnenförmiger Behälter und wird von einer Gummimembrane in der Mitte geteilt. Im einfachen Einsatz, also einer im Betrieb befindlichen thermischen Solaranlage ohne Stagnation, befindet sich auf der einen Seite Solarflüssigkeit und auf der anderen Seite ein Gaspolster aus Luft oder Stickstoff.

Beide Seiten befinden sich so lange im Gleichgewicht, wie der Druck auf beiden Seiten gleichbleibt.

Füllt man die Solaranlage bei 20 °C Umgebungstemperatur mit der Solarflüssigkeit, so achtet man als Anlagenmechaniker darauf, dass schon mal ein wenig von dieser Flüssigkeit ins Gefäß einströmt.

Erwärmt sich die Flüssigkeit, beispielsweise an einem Sonnentag, dehnt sich diese aus und es strömt ein wenig mehr ins Gefäß nach. Damit wird der Druck auf das Gaspolster erhöht, weil dieses zusammengeschoben wird. Es stellt sich aber wieder ein Gleichgewicht der beiden Seiten ein.

Sinkt die Temperatur im Solarkreislauf und es wird sogar knackig kalt, zieht sich die Flüssigkeit extrem zusammen. Es war dann auch gut und sinnvoll, dass man in die Anlage und damit ins Gefäß ein bisschen mehr eingefüllt hat, quasi eine Vorlage für die kalten Tage. Die Funktion ist gesichert und die Solaranlage läuft durch. Wenn man so will in guten (warmen) und in schlechten (kalten) Zeiten.

Größe des MAG bestimmen

Um das MAG zu dimensionieren kann man sich allerlei Helfer wie Tabellen, Apps und Software bedienen. Im SBZ Monteur wird natürlich ein Beispiel durchgerechnet.

Zu Beginn werden die notwendigen Vorgaben und Daten zusammengetragen mit einer ersten, besonderen Vereinbarung:

Für die thermische Solaranlage der Solemios soll sicherheitshalber die Annahme getroffen werden, dass neben den Kollektoren auch das gesamte Rohrnetz bis zum Solarspeicher im Keller mit Dampf gefüllt und daher, ins MAG geleert werden kann. Damit ist man auf der sicheren Seite.

Die Berechnung wird in 5 Schritten aufgeteilt:

Schritt 1: Ermittlung Kollektorkreisvolumen

Schritt 2: Berechnung des Ausdehnungs­volumens

Schritt 3: Berechnung Dampfvolumen

Schritt 4: Ermittlung Druckfaktor

Schritt 5: Ermittlung Nennvolumen

Schritt 1: Volumenermittlung

Das Kollektorkreisvolumen ergibt sich aus den Kollektoren (im Beispiel: 6 Koll.), der Rohrleitung zum Solarspeicher (im Beispiel: 15 Meter) dem Wärmetauscher im/am Solarspeicher (im Beispiel: 4 Liter) und letztlich der gewünschten Wasservorlage (im Beispiel: 3 Liter).

Flachkollektorvolumen/Modul: 2,5 Liter

Verlegte Rohrleitung: Flexrohr DN 20 mit 0,70 l/m

Volumen des Wärmetauschers Solarfl./Trinkw.: 4 Liter

Wasservorlage: 3 Liter

Kollektorkreisinhalt:

VA = VK + VR + VWT + VWV

Kollektorvolumen gesamt:

VK = 6 Koll. x 2,5 l/Koll. = 15 l

Rohrleitungsvolumen gesamt:

VR = 15 m x 0,7 l/m = 10,5 l

Wärmetauschervolumen:

VWT = 4,0 l

Wasservorlage:

VWV = 3,0 l

VA = 15 l + 10,5 l + 4 l + 3 l

VA = 32,5 l

Schritt 2: Ausdehnung

Unabhängig vom Glykolgemisch soll vereinfacht mit einer Volumenausdehnung von 10 Prozent gerechnet werden. Das ist leicht zu rechnen und ebenfalls auf der sicheren Seite für sämtliche möglichen Gemische.

Ve = 10 % von VA

oder

Ve = 0,10 x 32,5 l = 3,25 l

Schritt 3: Dampfvolumen

In diesem Teil der Berechnung treibt der Dampf die gesamte Flüssigkeit aus den Kollektoren und dem Rohrnetz. Der Wärmetauscher wird wohl kaum leergetrieben, wird dieser doch auf der Trinkwasserseite oder im Puffer gekühlt.

VD = VK + VR

VD = 15 l + 10,5 l = 25,5 l

Schritt 4: Druckfaktor

Die Formel für den Druckfaktor gilt sinngemäß auch für andere Druckhaltungen wie in Heizungsanlagen.

D_f=(p_e+1)/(p_e-p_a )

pe = bezeichnet den Anlagenenddruck und der sollte im Falle einer Solaranlage 0,5 bar unter dem Ansprechdruck des Sicherheitsventils für den Solarkreis liegen. Im betrachteten Fall bei Solemios, liegt dieser Ansprechdruck bei üblichen 6 bar und damit liegt der Anlagenenddruck bei 5,5 bar.

pa = bezeichnet den Fülldruck der Anlage. In kleinen Anlagen, wie bei den Solemios, soll dieser mindestens 2 bar betragen. Ansonsten richtet sich dieser nach der statischen Höhe plus
0,5 bar.

D_f=(5,5+1)/(5,5-2)

D_f=6,5/3,5

D_f=1,86

Schritt 5: Nennvolumen

Rechnerisch wird jetzt die gewünschte Größe also das Nennvolumen errechnet.

Vn = (Ve + Vd + VWV) x Df

Vn = (3,25 l + 25,5 l+ 3 l) x 1,86

Vn = 31,75 l x 1,86

Vn = 59,06 l

Beim Großhändler wird man bei der Bestellung eines Wunsch- oder Nennvolumens von 59,06 l kaum Glück haben. An der Theke wir dann, wie schon beim Metzger gefragt: „Darf´s ein bisschen mehr sein?“ Man wählt tatsächlich großzügig das nächstgrößere Gefäß in der Baureihe der MAG-Hersteller. In diesem Fall würde man daher ein Gefäß mit 80 l Volumeninhalt auswählen.

Wasservorlage korrekt einbringen

Verfolgen Sie bitte diesen Gedankengang:

Der Solarspeicher der Solaranlage ist im Keller der Solemios installiert worden. Damit befindet sich das MAG ca. 7 Meter unter dem höchsten Punkt der Anlage. Der statische Druck auf das MAG beträgt bei Vollfüllung des Kollektors ­gerade mal 0,7 bar.

Wenn das Gefäß nun die im Lieferzustand aufgebrachten 2,5 bar aufweist. befindet sich bei Vollfüllung der Solaranlage noch kein einziger Schluck im MAG. Um die notwendige Vorlage zu schaffen, müsste ja der Widerstand von mindestens 2,5 bar überwunden werden, damit der erste Tropfen ins Gefäß eindringt.

Dann gilt es zuerst, den Druck im Gefäß auf 2,0 bar zu senken und zwar wenn noch kein Druck auf der Flüssigkeitsseite herrscht. Und dann muss die Anlage mit etwas mehr als 2,0 bar auf der Flüssigkeitsseite gefüllt werden, um beispielsweise die Mindestmenge von 3 Liter Solarflüssigkeit ins Gefäß zu leiten.

Den Druck, um genau diese Menge ins Gefäß zu bringen kann man exakt ausrechnen. Und dieser Fülldruck ist natürlich abhängig von der Größe des Gefäßes. Ein Gefäß mit 20 Liter Volumeninhalt weist bei einer 3-Liter-Wasservorlage einen höheren Druckanstieg auf als eines mit 80 Liter. Für dieses Beispiel steigt der Druck im 20-Liter-Gefäß auf 2,5 bar und im 80-Liter-Gefäß nur auf 2,1 bar

Die Formel für den korrekten Mindestfülldruck pmin lautet

Wenn der Ruhedruck des MAG unter den gegebenen Umständen 2 bar beträgt, und die Solaranlage auf einen Druck von 2,1 bar aufgefüllt wird, befindet sich eine Flüssigkeitsvorlage von 3 Liter im Gefäß.

Besonderheiten

Zwei ärgerliche Fehler beim Bau, Betrieb und der Wartung von Solaranlagen fallen mir hin und wieder auf.

Baulich kann es sinnvoll und notwendig sein ein sogenanntes Vorschaltgefäß einzubauen. Das fehlt häufig.

Bei der Inbetriebnahme der Solaranlage und bei jeder Wartung sollten sämtliche Drücke überprüft werden. Das gilt auch für den Ruhedruck des MAG. Das wird nach meiner Erfahrung schon während der Inbetriebnahme gerne falsch gemacht und die Hintergründe sind anscheinend nicht sehr bekannt.

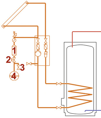
1.) Zum Vorschaltgefäß

Anhand der Beschreibung des Wohnhauses der Familie Solemio konnten Sie schon erahnen, dass der Weg vom Kollektor zum MAG für eine ausreichende Kühlung der durch Dampf vertriebenen Solarflüssigkeit sorgt. Das heißt, im Kollektor entsteht bei Stagnation an einer Stelle eine Dampfblase und schiebt das noch flüssige Fluid der Rohrleitungen ins MAG.

Überlegen Sie bitte mal was passiert, wenn der Speicher und das MAG nicht im Keller sondern in einer Dachzentrale untergebracht sind.

Richtig, dann wird das Fluid sich nicht auf dem Weg zum MAG entsprechend abkühlen und stattdessen extrem heiß ins MAG einströmen. Die Membrane wird diesen Hitzeschock nur wenige Male mitmachen ist diese doch für eine Maximaltemperatur von 70 °C ausgelegt. Daher bringt man in Anlagen die derart hohe Temperaturen an der Membrane erwarten lassen, ein Vorschaltgefäß unter. Das steht mit seinem gefüllten Bauch in der Gegend rum und gibt im Stagnationsfall dann nicht die heiße Plörre aus dem Kollektor an das MAG mit seiner hitzeempfindlichen Membrane, sondern schiebt erstmal die Flüssigkeit mit Umgebungstemperatur ins MAG.

Also, checken Sie ob es sinnvoll sein kann ein Vorschaltgefäß einzubauen. Bedenken Sie, die Solaranlage war nicht billig und im Zweifel rettet ein relativ günstiges Vorschaltgefäß die Funktion der Anlage über viele Jahre.

2.) Druckprüfung

Der Lieferzustand eines MAG ist nicht zwingend gleich der Zustand zur Inbetriebnahme. Unabhängig davon ob für eine Solaranlage oder eine Heizung vorgesehen kann der Hersteller des MAG nicht die Voraussetzungen vor Ort bereits gekannt haben. Damit will ich ausdrücken, dass der Druck des MAG für den ­jeweiligen Einsatzzweck immer geprüft werden muss.

Also, Kappenventil im Zulauf zum MAG schließen. Die Flüssigkeitsseite drucklos leerlaufen lassen und den Innendruck des Gaspolsters messen und gegebenenfalls einregulieren.

1 Jede herkömmliche Solarthermieanlage benötigt ein ­Ausdehnungsgefäß um Druckschwankungen auszugleichen

2 Ausdehnungsgefäße für Solarthermieanlagen werden auch für den Fall der Stagnation ausgelegt

3 Der Fall der Stagnation in Solarthermieanlagen kann das Volumen der Kollektoren und auch der Solarleitungen berücksichtigen

4 Schlagartig hohe ­Temperaturen verkürzen die Lebensdauer der Kunststoffmembrane. Daher kann ein Vorschaltgefäß ­Solarthermieanlagen sinnvoll sein

5 Bei jeder Wartung ist auch das MAG einer Solarthermieanlage zu prüfen

WERBUNG