Springe auf Hauptinhalt Springe auf Hauptmenü Springe auf SiteSearch
WERBUNG
WERBUNG
  • Home
  • Alle Artikel zum Thema Fokus
WERBUNG

Alle Artikel zum Thema Fokus

SBZ Monteur Wissen kompakt

Wissen kompakt

-

Wie funktioniert eigentlich...

Alle wichtigen SHK-Themen in einem Heft

 Eine Solarthermieanlage, insbesondere auf einem Flachdach, muss sorgfältig gesichert werden um die Windlasten aufnehmen zu können

Windlast an Solarthermieanlagen

-

Welche Einflüsse Winde oder Stürme auf unsere SHK-Welt haben, stelle ich aus gegebenen Anlässen in diesem Bericht zusammen.

 Zugegeben, so krass wie hier dargestellt hat man noch nie die Stagnation einer Solaranlage beobachten können. Tatsächlich sind aber schon Temperaturen von über 200 °C gemessen worden, wenn eine Solarthermieanlage stagniert.

Druckhaltung in Solarthermieanlagen

-

Spannende Szenarien sind für den Anlagenmechaniker Tagesgeschäft. Wir retten daher, für den Laien meist unerkannt, viel häufiger die Welt als mancher britische Geheimagent. Lesen Sie, in welchem Spannungsfeld wir die Nerven behalten müssen, damit die Sonne nicht alles in die Luft jagt.

 Thermische Solarenergie für die Warmwasserbereitung und Heizungsunterstützung benötigt Pufferkapazität

Solarthermiespeicher

-

Wir als Menschen haben einen großen Vorteil gegenüber anderen Lebewesen dadurch herausgearbeitet, dass wir Speicher aufgebaut haben. Beispielsweise Kornspeicher in der frühen Menschheitsgeschichte ermöglichten Wohlstand und kulturelles Wachsen. Ein bleibender, wichtiger Anspruch ist das speichern von Energie und insbesondere Wärmeenergie. Und das ruft Anlagenmechaniker auf den Plan, die der Zivilisation Hilfe in Form von Puffern anbieten.

 Welches Gesetz soll gelten? Logik, GEG oder beides? 
 
 Ihr schießt das schon aus…

Auslegung einer Solarthermieanlage

-

Gibt es einen Unterschied bei dem Ergebnis einer „freiwilligen“ Auslegung einer thermischen Solaranlage und der Auslegung nach dem Gesetz? Diese Frage stellt sich immer wieder, so auch nach Inkrafttreten der neuen Version des GEG. Wer sind also „Hüter über die ­Sonnenernte“? Wir Anlagenmechaniker oder doch eher der Gesetzgeber? In diesem Bericht soll diese Frage in einem finalen Showdown geklärt werden.

 Die Solarthermieanlage, hier als klassische Vakuumröhre, wird uns helfen von den fossilen Energieträgern unabhängiger zu werden. Im Hintergrund sieht man eine Fotovoltaikanlage, die von Laien oft in einen Topf geworfen wird mit Solarthermie.

Unterschiedliche Kollektoren

-

Abertausende von deutschen Dächern sind belegt mit Kollektoren thermischer Solaranlagen. Reiche Ernte sollen Sie bringen. Und ein wesentliches Unterscheidungsmerkmal ist schon für den Laien und aus der Entfernung sichtbar. Es gibt Flach- und Vakuumröhrenkollektoren. Was diese beiden gemeinsam haben und was sie unterscheidet, lesen Sie in diesem Bericht.

SBZ Monteur Fokus

Trinkwasseranlage dimensionieren gemäß DIN 1988-300

-

Zur Königsdisziplin des SHK-Handwerks zählt ganz sicher die Auslegung von Trinkwassersystemen. Zur Auffrischung für Profis und als Einstiegshilfe für Anfänger haben wir daher dieses Fokusthema zusammengestellt. Verständlich und mit kurzen, knackigen Beispielen blickt man nach dieser Lektüre durch die Ziele der DIN 1988-300 zur Dimensionierung von Trinkwassersystemen

Ehrenkodex des zirkulierenden, warmen Wassers: „Du sollst mit 60 °C starten und mit mindestens 55 °C zurückkehren.“ Lesen Sie mehr dazu in diesem Bericht.

Zirkulationspflicht?

-

Einige Regeln zum Einbau und Betrieb von Zirkulationssystemen in Bezug auf Trinkwasseranlagen runden das Fokusthema dieser Ausgabe ab.

Alles gleichzeitig, oder was?

Gleichzeitigkeit in SHK-Anlagen

-

Wer will sich schon in einem Mehrfamilien mit den anderen Bewohnern über die Zeiten abstimmen müssen, in denen er morgens duschen darf. Wahrscheinlich niemand. Wer möchte in der Heizperiode in seinem Wohnzimmer frieren? Auch niemand! Sind also Anlagenkomponenten wie Trinkwasserleitungen und Heizkessel für eine hundertprozentig gleichzeitige Nutzung der angeschlossenen Verbraucher ausgelegt?

Man sieht diesem Richtungswechsel während einer Auto-Rallye förmlich an, dass Energie umgewandelt wird. In einem Rohrnetz äußert sich das  allerdings weniger  spektakulär

Zeta-Werte in der Trinkwasserinstallation

-

Die Grundzüge zur Trinkwasserrohrnetzberechnung nach DIN 1988 zu kennen, bedeutet auch, dass man sich den Zeta-Werten gedanklich nähert. In diesem Bericht haben wir diese im Detail aufgegriffen.

In welcher Nennweite die Steigleitung gebaut wird ,  sollte das Ergebnis einer Dimensionierung nach DIN 1988 sein

Insiderwissen für alle

-

Lauschen Sie mal bei der nächsten Baubesprechung, wer da so sein gesundes Halbwissen an die geneigte Zuhörerschaft bringt. Und kaum einer von denen kennt noch annähernd die Regeln zur Trinkwasserrohrnetzberechnung.

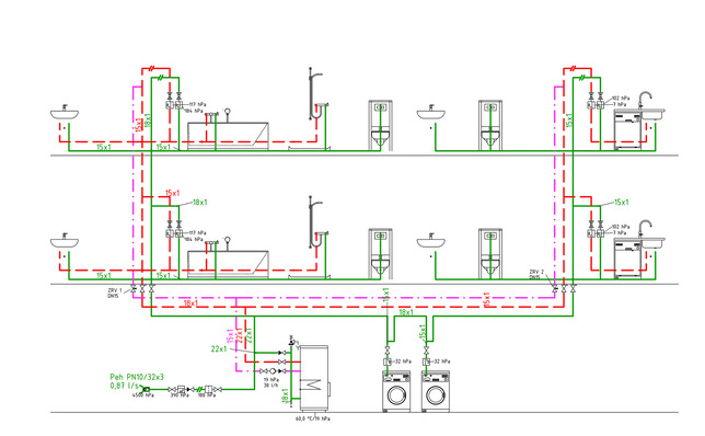
Ohne ein gutes Strangschema blickt hier niemand mehr durch

Basis der Berechnung

-

Es wird benötigt um unsere Rohrnetze zu ­berechnen oder überhaupt mal eine Übersicht zu bekommen, das Strangschema. Nicht jeder versteht es oder kann es mal eben zeichnen. Aber Sie haben es drauf, nach dem Durcharbeiten dieses Berichts

Trinkwasseranlage dimensionieren gemäß DIN 1988-300

-

Strangschema • Die Grundlage der Berechnung

Dimensionierung • Verstehen, wie es funktioniert

Zeta-Werte • Ein Detail der Berechnung

Gleichzeitigkeit • Welcher Volumenstrom ist gemeint

Zirkulation • Pflicht oder Kür?

SBZ Monteur Fokus

Warmwasser... und wie es erhitzt wird

-

Komfort und Hygiene sind erklärte Ziele bei der Bereitstellung von Trinkwarmwasser.
Tipps und Hintergründe, wie diese Ziele erreicht werden können, haben wir hier zusammengetragen.

SBZ Monteur Fokus

Wärmepumpe als Heizer für die Zukunft?

-

Die Wärmepumpe gilt derzeit als zukunftsfähiger Wärmeerzeuger und löst dabei immer mehr die konventionellen Kessel ab. Lesen Sie welche Hintergründe eine wichtige Rolle spielen und erfahren Sie was die Wärmepumpentechnik schon heute leisten kann.

Konzentriert und im eigenen Tempo zu lernen kann sehr angenehm sein. Die bewährte Lernoberfläche des BWP kann abschließend mit einem Wärmepumpen-Führerschein „gekrönt“ werden

Wir brauchen mehr Wärmehelden!

-

Wer bis hierher mit Wissenshunger das Thema Wärmepumpe im SBZ ­Monteur durchgeackert hat, der will sicherlich noch mehr Input von anderen ­qualifizierten Anbietern und Profis. Bitte schön!

E in Bestandsgebäude , beheizbar mittels Luft-Wasser-Wärmepumpe

Win-win-Situation

-

Klimaschutz zahlt sich aus - warum sich eine Modernisierung nicht nur für unsere Umwelt lohnen kann, lesen Sie in diesem Bericht.

Die Aufstellung der Außeneinheit einer Wärmepumpe sollte auch immer in Bezug auf akustische Einflüsse gewählt werden

Mit Schallemissionen richtig umgehen

-

Spielte die Schallentwicklung von Wärmeerzeugern früher nur eine ­untergeordnete Rolle, hat sich das mit dem Siegeszug von Luft/Wasser-Wärmepumpen deutlich ­geändert. Die Schallentwicklung ist hier neben der Effizienz zu einem der Themen geworden, die immer wieder im Fokus stehen. Welche Komponenten bei einer Wärmepumpe überhaupt für die Schallentwicklung verantwortlich sind, was die ­Hersteller dagegen tun (könnten) und was das Fachhandwerk beachten sollte,
beschreibt der nachstehende Beitrag.

Faktenbasiert argumentieren anstatt Mythen zu verbreiten ist professionell und kann dazu führen, dass eine Wärmepumpe, wie hier bei Familie Borlik, sinnvoll in einen Altbau integriert wird

Wärmepumpen im Bestand

-

Mythen halten sich oft länger als die Faktenlage diese Mythen belegt. So ranken sich um die Wärmepumpe noch Geschichtchen aus grauer Vorzeit. Räumen wir auf mit alten Geschichten aus den Anfängen der Wärmepumpenentwicklung.

„Du kriegst gleich so was von eine n  Bivalenzpunkt ! “ könnte man dieser Außeneinheit zurufen. Bringt aber nix zu drohen. Umsetzen und korrekt einstellen ist wichtig!

Wie entsteht ein Bivalenzpunkt?

-

Ja klar, wir gehen mit Fachwörtern um und streuen diese auch gerne mal ein, wenn wir mit den Kollegen fachsimpeln. Das bringt Zusammenhänge schneller auf den Punkt und hebt nebenbei das Ansehen. Es sind jedoch oft sehr dünne Bretter, die da gebohrt werden, beispielsweise bei dem Fachausdruck „Bivalenzpunkt“..

Was ein Feuerzeug mit dem Wärmepumpenprozess zu tun hat, steht in diesem Bericht

Wie funktioniert eine Wärmepumpe?

-

Wärmepumpen funktionieren weltweit millionenfach. Der Prozess ist durchaus durchschaubar und lässt sich sogar in einem interessanten Diagramm darstellen. Und versteht man dieses Diagramm, erschließen sich neue Erkenntnisse und ein tiefer Durchblick. Schauen Sie in den Bericht rein und blicken Sie durch.

Wärmepumpe als Heizer für die Zukunft?

-

Funktion  Enthalpie, wie lieb`ich sie

Bivalenzpunkt  You never walk alone

Mythen  Taugt sie im Bestand?

Schallemissionen  Schall ja, Krach nein

Luft-Wasser-WP  Erfolgsaussichten im Fokus

Wärmehelden  Weiterbildung mit Zertifikat

Den Schlüssel zu der technisch richtigen Unterscheidung zwischen Klein- und Großanlagen erhalten Sie in diesem Bericht

Groß- oder Kleinanlagen

-

Indizien und Beweise ▪ Es ist wohl auch eine Frage des Standpunktes ob etwas als groß oder klein kategorisiert wird. Für mich ist ein Steak von 100 Gramm eher klein, für eine Made dagegen ein ganzer Fresskosmos.

Warmwasser...

-

... und wie es erhitzt wird

Temperiertes Trinkwasser 
Von Warm- und Wechselblütern

Auslegung nach DIN 4708  
Durchschaue eine (alte) Strategie

Auslegung nach DIN EN 12831-3  
Bedarfskennlinie für Kenner

Unterscheidung nach DVGW 551  
Klein- oder Großanlage

Auslegen nach DIN 4708

-

Durchschaue eine (alte) Strategie ▪ Millionenfach verrichten Trinkwassererwärmer ihren Dienst in Deutschland. Die richtige Auslegung soll für einen komfortablen Betrieb bei gleichzeitigem sparsamem Umgang mit Energie sorgen. Wie das funktioniert, lesen Sie hier.

WERBUNG