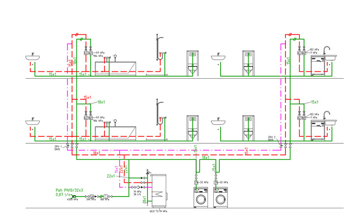
Strangschema • Die Grundlage der Berechnung
Dimensionierung • Verstehen, wie es funktioniert
Zeta-Werte • Ein Detail der Berechnung
Gleichzeitigkeit • Welcher Volumenstrom ist gemeint
Zirkulation • Pflicht oder Kür?
Strangschema • Die Grundlage der Berechnung
Dimensionierung • Verstehen, wie es funktioniert
Zeta-Werte • Ein Detail der Berechnung
Gleichzeitigkeit • Welcher Volumenstrom ist gemeint
Zirkulation • Pflicht oder Kür?