Die Gas-Wärmepumpen mit geschlossenem Wasser-Ammoniak-Kreislauf und Wärmerückgewinnung aus der Brennwertnutzung verwenden Außenluft als Energiequelle. Betrieben wird das Gerät mit Erd- oder Flüssiggas anstelle von sonst für Wärmepumpen üblichen Strom. Dabei wird die Umweltenergie wie beispielsweise aus 10 °C warmer Außenluft, auf ein zum Heizen nutzbares Temperaturniveau angehoben. Als natürliches Kältemittel wird ein Gemisch aus Wasser und Ammoniak verwendet. Dieses hat einen GWP (Global-Warming-Potential) von 0, und ist somit sehr umweltfreundlich.
Die Vorteile der mit A+ bewerteten Anlage liegen auf der Hand: Die Gas-Wärmepumpe HP 18 ist eine geräuscharme, modulierende Lösung, die eine einfache Einbindung in das bestehende Heizsystem bietet. Aufgrund der Eigenschaften kann das Gerät mono- oder bivalent eingesetzt werden. Ein zusätzlicher Spitzenlastkessel ist nicht zwingend notwendig. Zudem ist der Anschluss von Solarthermie-Systemen möglich. Die Einsatzgrenzen liegen bei Zwei- bis Sechs-Familienhäuser oder in kleineren Industriebetrieben. Die maximale Wärmeleistung liegt bei 18,9 kW. Die Vorlauftemperaturen werden von Remeha mit 65 °C zum Heizen und 70 °C zur Warmwasserbereitung angegeben. Der Endkunde kann sich derzeit über eine Förderung von bis zu 45 % der Investitionskosten (max. 50.000 € förderfähige Kosten) von der BAFA freuen.
 
 Bild: Remeha
Funktion
Absorptionswärmepumpen arbeiten nach dem Verfahren der thermischen Verdichtung, bei der die Verdichtung durch eine temperaturbeeinflusste Lösung des Kältemittels erfolgt. Der Einsatz von natürlichen Stoffen, beispielsweise einer Wasser-Ammoniak-Lösung als Kältemittel, sorgt für eine außerordentlich wirtschaftliche Betriebsweise von Gas-Absorptionswärmepumpen.
Das Wasser-Ammoniak Gemisch wird durch den Gasbrenner im Austreiber erwärmt (1). Das Kältemittel verdampft und wird vom Wasser getrennt. › Das Wasser gelangt über das Drosselventil (2) in den Absorber (3). › Der Ammoniakdampf gelangt zum Kondensator (4). Dort kondensiert er und die Kondensationswärme wird auf das Heizwasser übertragen. › Das nun flüssige Ammoniak fließt über das Expansionsventil (5) in den Verdampfer (6), wo es unter Aufnahme von Wärme aus der Außenluft verdampft.
› Der Dampf strömt anschließend in den Absorber, wo er mit dem ammonikarmen Wasser in Kontakt kommt. Hier erfolgt die Absorption des Kältemittels in der Lösung, die dem Prozess seinen Namen gibt. › Der Dampf wird vom Wasser absorbiert und dadurch entsteht eine ammoniakreiche Lösung. Die Wärme, die hierbei freigesetzt wird, wird ebenso wie die Restwärme des Austreibers an das Heizwasser übertragen. Dies führt zu einer Steigerung des Wirkungsgrades der Wärmepumpe. › Die ammoniakreiche Lösung wird mithilfe der Lösungsmittelpumpe (7) zum Austreiber befördert und der Prozess beginnt wieder von neuem.
 
 Bild: Remeha
1 Wärmepumpe Gas HP 18
2 Interne modulierende Umwälzpumpe, verfügbare Förderhöhe 40 kPa
3 Anti-Vibrations-Gelenk
4 Manometer
5 Entschlammungsfilter
6 Absperrventil
7 Sicherheitsventil 3 bar
8 Expansionsgefäß (Ausdehnungsgefäß)
9 Hilfswärmeerzeuger (optional)
10 TWW Speicher
11 Dreiwegeumschaltventil
12 Rückschlagventil (nur bei Hilfswärmeerzeuger zu installieren)
A Gasanschluss
B Hilfswärmeerzeugergruppe (optional)
C Pufferspeicher der Größe mindestens 100 Liter (optional)
D Heizungsverteilerkreislauf
Anlagenhydraulik
Die Heizungsverteilung an die Heizflächen des Gebäudes kann direkt erfolgen. Ein Pufferspeicher ist nicht zwingend erforderlich, bei Anlagen mit geringem Wasserinhalt im Primärkreislauf jedoch ratsam, um eine Mindestlast zu garantieren. Dies wird für Anlagen empfohlen, in denen der Wasserdurchsatz in der Anlage deutlich reduziert sein kann.
Der zusätzliche Einbau eines Pufferspeichers, wie im Schaltschema dargestellt, wird empfohlen bei
- 2-Wege-Bereichsventile
- Thermostatventile an den Heizkörpern
- Heizkreise mit mehreren Bereichen
In der Regel reicht ein Pufferspeicher der Größe 80-100 Liter aus. Die Verteilung und Temperaturreglung innerhalb eines Gebäudes erfolgen konventionell nach bekanntem 
Muster. 
Aufstellung
Das Gerät ist nur für die Außenmontage zugelassen und muss nicht vor Witterungseinflüssen geschützt werden
Der in das Lamellenregister eintretende und aus dem vorderen Geräteteil ausströmende Luftfluss sowie der Abgasabzug dürfen nicht eingeengt oder durch Überbauten behindert werden.
Damit die Wartungsarbeiten auch bei ungünstigen Witterungsbedingungen (Schnee, starker Regen usw.) ohne Probleme ausgeführt werden können, sollte die Einheit in einer Höhe von ca. 300 mm über dem Untergrund installiert werden.
 
 Bild: Remeha
Frostschutz
Das Gerät ist mit einem Selbstschutzsystem ausgestattet, dass die Frostschutzfunktion aktiviert, um ein Einfrieren zu verhindern. Die Frostschutzfunktion (standardmäßig aktiviert) startet automatisch die Primärkreispumpe und, falls erforderlich, den Brenner, wenn die Außentemperatur den 
Nullpunkt erreicht.
Das Selbstschutzsystem, welches die Frostschutzfunktion aktiviert, ist nur gesichert, wenn die Strom- und Gasversorgung garantiert sind. Anderenfalls könnte Frostschutzmittelflüssigkeit erforderlich sein. In einem solchen Fall sollte eine Trennung in Primär- und Sekundärkreis erfolgen. Das bedeutet gegebenenfalls, dass ein Wärmetauscher eine Trennung zwischen Frostschutzmittel in der Außeneinheit und dem Heizungswasser innerhalb des Gebäudes realisieren kann.
Optionaler Hilfswärmeerzeuger
Für die Wärmepumpen-Einheit wurde ein besonderes Reglersystem entwickelt, das eine optimale Steuerung der Zusammenarbeit zwischen der Wärmepumpe und einem evtl. zusätzlichen Wärmeerzeuger ermöglicht und so eine maximale Leistung hinsichtlich Komforts und Energieeffizienz 
gewährleistet.
Es können, verschiedene Szenarien berücksichtigt werden:
Wenn die Heizanlage so bemessen ist, dass bei einer hohen Wärmeanforderung (Szenario E) eine Wassertemperatur erforderlich ist, die deutlich über der von der Wärmepumpe erzeugbaren liegt, kann der Hilfswärmeerzeuger aktiviert werden und sie ersetzen. Bei dieser Anwendungsart muss die maximale Heizlast des Gebäudes der Leistung des Hilfswärmeerzeugers entsprechen und nicht der Summe der 
beiden Geräte.
 
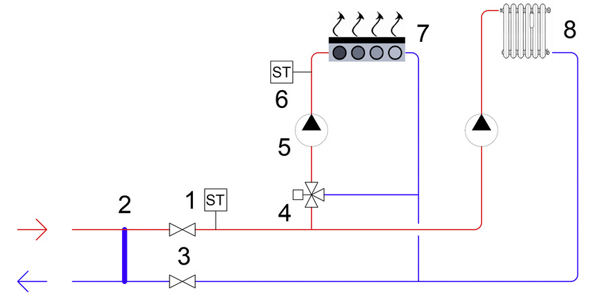
 Bild: Remeha
1 Temperatur-Tauchfühler
2 Entkopplung des Primärkreises/Sekundärkreises als Rohr mit großem Querschnitt und T-Anschlüssen oder hydraulische Weiche
3 Absperrventil
4 Bereichs-Mischventil
5 Bereichs-Umwälzpumpe
6 Temperatur-Tauchfühler
7 Heizkreis Flächenheizung 8 Heizkreis Heizkörper
DICTIONARY
 
 
  
     
     
     
     
     
     
    