Springe auf Hauptinhalt Springe auf Hauptmenü Springe auf SiteSearch
WERBUNG
WERBUNG
WERBUNG

Hybrid, und alles aus einer Hand

Die Hybridheizung im Gebäude des Handwerksbetriebs Christ in Jossgrund ist ein Beispiel für die ökologische sowie ökonomische Kombination einer solarunterstützten, leistungsstarken Wärmepumpe mit fossiler Brennwerttechnik. Die Systemlösung versorgt unterschiedlich genutzte Gebäudeteile mit stark schwankenden Lasten.

Das Wohn- und Geschäftsgebäude mit Büro-, Ausstellungs- und Lagerbereichen hat rund 500 m² beheizte Fläche. Diese entfällt zu rund zwei Dritteln auf das Mehrgenerationenhaus der Handwerksfamilie und der „Rest“ auf die Büroräume des Familienbetriebs. Bei Bedarf müssen neben der Wohnfläche etwa 100 m² Ausstellungsfläche im Erdgeschoss sowie bei sehr kalten Wetterlagen zusätzlich eine 300 m² große Lagerhalle beheizt werden.

Erweiterung und Austausch der Fenster

Das Wohn- und Betriebsgebäude der Christ GmbH wurde 1990 errichtet und im Jahr 2016 im Rahmen einer Dachaufstockung erweitert, so dass es heute Wohnraum für zwei Generationen bietet. Im Zuge dieser Umbaumaßnahme wurden im gesamten gemischt genutzten Gebäude neue Fenster eingebaut.

In den beiden Wohneinheiten sowie im Büro ist ein Mix aus Fußbodenheizung und Heizkörpern installiert. In der Ausstellung wird die Wärme dagegen nicht nur über Heizkörper, sondern auch über einen leistungsstarken Luftheizer mit 21-38 kW Heizleistung übertragen. In der Lagerhalle sind ausschließlich zwei Luftheizer mit 21-38 kW Heizleistung installiert.

Der ursprünglich eingebaute Ölkessel aus dem Jahr 1990 hatte eine Heizleistung von 50 kW. Diese leistungsstarke Auslegung ist auf den hohen Wärmebedarf der Luftheizer zurückzuführen, wenn sie schnell große Wärmemengen in der Ausstellung und im Lager bereitstellen müssen. Die drei Luftheizer werden über einen eigenen Heizkreis versorgt, der bei Bedarf manuell zu- und abgeschaltet werden muss.

Trotz – im Vergleich zum Ausgangszustand – mehr installierter Technik im Heizraum kann man sich hier heute freier bewegen als vor der Sanierung.

Bild: Philip Christ

Trotz – im Vergleich zum Ausgangszustand – mehr installierter Technik im Heizraum kann man sich hier heute freier bewegen als vor der Sanierung.

Solarthermie und PV-Strom

Im Jahr 2007 wurden zur Heizungsunterstützung sieben thermische Solarkollektormodule auf dem Dach des Büro- und Ausstellungstraktes installiert, die hydraulisch über eine Rücklaufanhebung an die Ölheizung angebunden wurden. Die Solarwärme wurde in einem Pufferspeicher mit Frischwasserstation zwischengespeichert. Die Vor- und Rücklauftemperatur für die Heizkörper und Luftheizer betrug 60 °/ 40 °C.

Um noch mehr Energie aus der Umwelt zu gewinnen, hat der Fachhandwerker im Jahr 2021 ­eine Photovoltaik-Anlage mit einer Leistung von 30 kWP auf dem Dach seiner Lagerhalle installiert. Ihr Ertrag wird zum größten Teil selbst genutzt, der nicht genutzte Teil ins öffentliche Stromnetz eingespeist. Ein Stromspeicher ist nicht vorhanden.

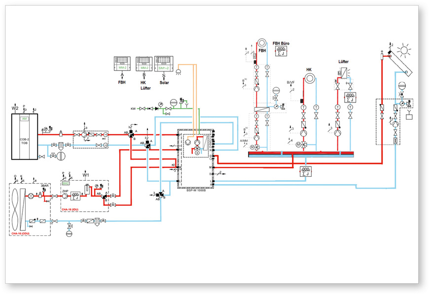
Die Entscheidung, die alte Ölheizung durch ­eine (solarthermisch unterstützte) Wärmepumpe zur Bereitstellung der Hauptwärmelast auszutauschen, war im Hause Christ schnell gefallen, denn es gehört zur Firmenphilosophie, bei der Heizung Ökologie und Ökonomie optimal in Einklang zu bringen. Das Heizverteilsystem im Gebäude wurde nicht verändert.

Raumweise Heizlastermittlung

Um die neue Heizung bedarfsgerecht auszulegen, hat Philip Christ im ersten Schritt raumweise die Heizlast seines Gebäudes bestimmt. Aus der Summe der einzelnen Heizlasten errechnet sich die Größe des zentralen Wärmeerzeugers: Auf der Grundlage der Normaußentemperatur in Jossgrund von -12 °C beträgt die Heizlast der Wohn- und Bürofläche (also ohne Warmwasserbereitung, Ausstellungs- und Lagerraumfläche) 16 kW.

Zusätzlich zur Heizlast wurde der erforderliche Volumenstrom für die vorhandenen Heizkörper bei einer Vorlauftemperatur von maximal 45 °C ermittelt.

Das Ziel der Auslegung war, die Wärmepumpe möglichst effizient über lange Zeiträume im effizienten Teillastbetrieb zu betreiben, daher fiel die Wahl auf eine WOLF CHA-16/20.

Fossiles Brennwertgerät statt Heizstab

Die Normaußentemperatur gemäß Klimakarte des Bundesverband Wärmepumpe (BWP) bzw. niedrigere Temperaturen werden im hessischen Main-Kinzig-Kreis nur an wenigen Stunden des Jahres tatsächlich erreicht. Dann fällt das Thermometer vor allem in den späten Nacht- und Morgenstunden auf minus 12 °C und darunter.

Erhöhte Lasten fallen auch an, wenn zusätzlich zur Wohnfläche in kurzer Zeit die Ausstellung aufgeheizt werden soll oder die Lagerräume zum Frostschutz „überschlagen“ temperiert werden müssen.

An solchen Tagen würde bei einer monoenergetischen Heizlösung der elektrische Heizstab der Wärmepumpe zugeschaltet, um das Gebäude ­effizient und behaglich mit Wärme und Warmwasser zu versorgen. Im Hause Christ wurde stattdessen ein WOLF COB-2-29 Öl-Brennwertgerät mit einer Leistung von 29 kW installiert. Daher geht der elektrische Heizstab der Wärmepumpe nicht in Betrieb, bietet jedoch ein zusätzliches Sicherheits-Backup.

Die bestehenden Solarkomponenten wurden zur Heizungsunterstützung in die Anlage integriert. Die Solaranlage sorgt von etwa April bis Oktober zu 100 Prozent für die Bereitstellung von warmem Wasser und die Wärmepumpe unterstützt hier lediglich.

Bild: Wolf

Die bestehenden Solarkomponenten wurden zur Heizungsunterstützung in die Anlage integriert. Die Solaranlage sorgt von etwa April bis Oktober zu 100 Prozent für die Bereitstellung von warmem Wasser und die Wärmepumpe unterstützt hier lediglich.

Solarthermieanlage

Die bestehenden Solarkomponenten wurden zur Heizungsunterstützung in die Anlage integriert. Die Solaranlage sorgt von etwa April bis Oktober für die Bereitstellung von warmem Wasser und die Wärmepumpe unterstützt lediglich.

Die Solarthermieanlage (mit Unterstützung durch die Wärmepumpe) ist dafür ausgelegt, den 1.000 Liter WOLF Pufferspeicher BSP W 1000 auf bis zu 80 °C aufzuheizen.

Die auf dem Dach erzeugte Solarwärme wird über eine im Speicher integrierte Wendel auf das Wasser im Puffer übertragen und von dort wiederum auf die einzelnen Heizkreise. Fällt die Temperatur im Pufferspeicher ab, heizt ihn die Wärmepumpe bei Bedarf nach.

Die Wärme für das Trinkwarmwasser wird nur bei Bedarf über eine Frischwasserstation aus dem Pufferspeicher entnommen. „An sonnigen Tagen springt die Wärmepumpe erst gar nicht an“, sagt Philip Christ zufrieden.

Eigenstromnutzung

Die neue Heiztechnik nutzt bei PV-Überschuss den selbst produzierten Strom zur Erwärmung des Pufferspeichers.

Dann wird zuerst der Warmwassersollwert um den eingestellten Wert übertemperiert. Ist dieser Wert erreicht, wird im Heizfall auch im Bereich „Heizung“ im Pufferspeicher die Temperatur um den eingestellten Wert angehoben. So ist auch an bewölkten, aber hellen Tagen eine Solarnutzung ohne Solarthermie möglich. Dann steht zu Zeiten, wenn die Photovoltaik-Anlage keinen Strom für die Wärmepumpe bereitstellen kann (z. B. wenn es bereits dunkel ist), „vorproduzierte“ Wärme zur Verfügung.

Der Pufferspeicher hat dann drei Funktionen:

  • klassisches Speichern von warmem Wasser für die Heizung und für die Abtauung der Wärmepumpen-Außeneinheit nach Bedarf
  • hydraulische Entkopplung für das Wärme­verteilnetz im Haus
  • Wärmeenergiespeicher für überschüssige ­Solarenergie
  • Hohe Effizienz

    Die Wärmeversorgung erfolgt witterungsgeführt und bedarfsgenau. Das Bedienmodul WOLF BM-2 mit Außentemperaturfühler regelt die Vorlauftemperatur der Heizkreise modulierend auf der Basis der Außentemperatur.

    Trotz – im Vergleich zum Ausgangszustand – mehr installierter Technik im Heizraum kann man sich hier heute freier bewegen als vor der Sanierung. Ein weiteres Plus: Die Vorlauftemperaturen sind deutlich niedriger als vor der Umstellung. Für die Heizkreise der Heizkörper beträgt die maximale Vor- und Rücklauftemperatur heute 45 °/ 35 °C und für die Fußbodenheizung 35 °/ 28 °C.

    Über die WOLF Smartset App steuert und überwacht Philip Christ die Temperatur in allen Räumlichkeiten, ohne dass er dafür Zutritt zum Technikraum benötigt.

    Von der Inbetriebnahme der Wärmepumpe im Februar bis Ende April 2024 überzeugte die WOLF CHA-Monoblock bereits mit einer durchschnittlichen Jahresarbeitszahl von 4,0 inklusive aller Umfeldverbräuche. Wenn tagsüber der für den Betrieb der Wärmepumpe erforderliche Strom vom eigenen Dach kommt, ist der Autarkiegrad dieser Anlage sehr hoch.

    1 Stark schwankende Heizlasten mit unterschiedlichen Temperaturanforderungen zu bedienen waren schon vor dem vermehrten Einbau von Wärmepumpen besondere Anforderungen.

    2 „Mal eben schnell“ einen ­großen Raum aufzuheizen lässt sich gut durch hybride ­Heiztechnik bewältigen.

    3 Pufferspeicher können in Hybridanlagen drei Aufgaben erfüllen: Abtauenergie bereitstellen, hydraulisch entkoppeln und Solarenergie bevorraten.

    WERBUNG