Springe auf Hauptinhalt Springe auf Hauptmenü Springe auf SiteSearch
WERBUNG
WERBUNG
WERBUNG

Wärmepumpe in der Sanierung – Geht das?

Bei der Gebäudesanierung ist es nicht immer möglich einen Erdwärmekollektor, eine Erdwärmesonde oder Brunnenanlage zu errichten. So bleibt häufig nur die Wärmequelle Außenluft. Luft steht überall zur Verfügung. Zwar sind die zu erwartenden Jahresarbeitszahlen geringer als bei Wasser- und Soleanlagen, aber der Aufwand für die Erschließung der Wärmequellenanlage ist deutlich geringer. Ein wichtiger Punkt bei der Auswahl der Wärmequelle Luft ist die Geräuschemission (Schall).

Notwendige Sanierungsmaßnahmen

Ist keine Fußbodenheizung vorhanden und kann auch keine nachträglich installiert werden, sollten die folgenden Ersatzmaßnahmen beachtet werden, um eine ausreichende Erwärmung aller Raume sicherzustellen.

Dabei ist die Überprüfung und Anpassung der Heizflächen genauso wichtig, wie die Auswahl der anlagenspezifischen Leistung.

Ein Altbau aus den 20er Jahren. Und Vorurteile gegen Wärmepumpen in solchen Objekten gibt es bekanntlich viele. Werden nachfolgende Tipps bei der Planung beachtet, dann klappt auch der energieeffiziente Betrieb einer Wärmepumpe im Altbau

Vaillant

Ein Altbau aus den 20er Jahren. Und Vorurteile gegen Wärmepumpen in solchen Objekten gibt es bekanntlich viele. Werden nachfolgende Tipps bei der Planung beachtet, dann klappt auch der energieeffiziente Betrieb einer Wärmepumpe im Altbau

–– Liegt die benötigte Vorlauftemperatur unter 55 °C (bei Norm-Außentemperatur) sind keine zusätzlichen Maßnahmen erforderlich.

–– Es kann jede Wärmepumpe für Vorlauftemperaturen bis 55 °C eingesetzt werden.

–– Liegt die Vorlauftemperatur nur in einigen Räumen über 55 °C, sollten Maßnahmen ergriffen werden, um diese zu reduzieren.

–– Hierfür müssen nur die Heizkörper in den betroffenen Räumen ausgetauscht werden, um den Einsatz einer Niedertemperatur-Wärmepumpe zu ermöglichen.

–– Werden in einigen Räumen Temperaturen zwischen 55 °C und 65 °C benötigt, müssen die Heizkörper in diesen Räumen gegen größere ausgetauscht werden.

–– Sind Vorlauftemperaturen von 65 °C bis 75 °C erforderlich, muss das gesamte Heizungssystem umgestellt bzw. angepasst werden.

Der Wärmebedarf des Gebäudes kann durch:

–– Fenstertausch

–– Reduzierung der Lüftungsverluste und

–– Dämmung von Geschossdecken, Dachstuhl und/oder Fassaden veringert werden.

Diese Sanierungsmaßnahmen haben folgende Ziele:

–– Durch einen geringeren Wärmebedarf kann eine kleinere und damit günstigere Wärmepumpe eingesetzt werden.

–– Der geringere Wärmebedarf bedeutet eine Verringerung des Jahresheizenergiebedarfs, den die Wärmepumpe liefern muss.

–– Dieser Wärmebedarf kann mit niedrigeren Vorlauftemperaturen gedeckt werden und verbessert die Jahresarbeitszahl

–– Die bessere Wärmedämmung führt zur Erhöhung der mittleren Oberflächentemperaturen der raumumschließenden Flächen. So wird bei niedrigeren Raumlufttemperaturen die gleiche Behaglichkeit erreicht.

Zusatzheizung mit fossilen Energieträgern (Hybridsystem)

Die Zusatzheizung mit fossilen Energieträgern kommt oft in Bestandsgebäuden zum Einsatz da hier bereits eine Energiequelle (Gas) vorhanden ist. Es ist eine Kombination aus erneuerbarer Energie und fossilen Brennstoffen. Dieses System wird auch Hybridsystem genannt.

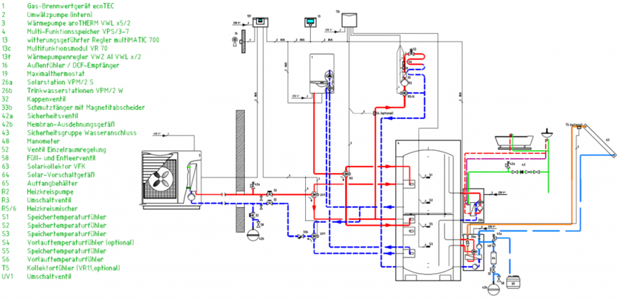
Hydraulikplan eines hybriden Heizungssystems (Achtung Prinzipskizze)

Vaillant

Hydraulikplan eines hybriden Heizungssystems (Achtung Prinzipskizze)

Das Hybridsystem vereint z.B. die kostenlosen Umwelterträge einer Wärmepumpe mit einer Gasheizung. Dabei deckt die Wärmepumpe hauptsächlich den Heizwärmebedarf in den Übergangszeiten mit Außentemperaturen ≥ 0 °C ab (Grundlast). Die Gasheizung wiederum deckt den Heizwärmebedarf bei niedrigen  Außentemperaturen ab. Die Warmwasserbereitung erfolgt ausschließlich über das Gasgerät.

Durch die Kombination beider Technologien ergibt sich eine deutliche Energie- und Kostenersparnis gegenüber dem alleinigen Betrieb einer Wärmepumpe oder eines Gasgerätes.

Zu guter Letzt: https://www.youtube.com/watch?v=a0jfVEVyomE

WERBUNG