Springe auf Hauptinhalt Springe auf Hauptmenü Springe auf SiteSearch
WERBUNG
WERBUNG
WERBUNG
Wärmepumpen auch für bestehende Häuser

Für (fast) alle Fälle

Wärmepumpen gelten unter Fachleuten als das Heizsystem der Zukunft. Spätestens seit klar ist, dass fossile Energieträger auch aus Gründen der Versorgungsicherheit schnellstmöglich verabschiedet werden müssen, geht an der zum Teil unterschätzten Technologie kein Weg vorbei. Im Neubau ist sie ohnehin zum Standard avanciert. 2021 wurde in Deutschland erstmals mehr als die Hälfte aller Neubauten mit Wärmepumpen ausgerüstet. Ein ähnlicher Trend in Richtung Wärmepumpe zeigt sich jedoch zunehmend auch im Bestand, zumal der Sanierungsdruck durch die politischen Entwicklungen erheblich verstärkt worden ist. Wo der Austausch bestehender Öl- und Gasheizungen auf dem Plan steht, ist die Wärmepumpe heute oft erste Wahl.

Trotz der klaren Tendenz zur Wärmepumpe werden in der öffentlichen Debatte jedoch immer wieder systematisch Zweifel an einer Eignung von Wärmepumpen im Bestandsgebäuden gesät. Die Argumente sind dabei regelmäßig dieselben: Mit einer Wärmepumpe ließen sich insbesondere Altbauten nicht effektiv beheizen. Während Wärmepumpen in gut isolierten Neubauten mit ihren typischen Fußbodenheizungen hervorragend funktionierten, sei im Bestand nichts Vergleichbares zu erwarten. Mit vertretbaren Ergebnissen dürfe allenfalls dann gerechnet werden, wenn zuvor massiv in die Sanierung der Gebäudehülle und des Wärmeübergabesystems investiert würde. Richtig ist an dieser Argumentation, dass eine Wärmepumpe im Bestand kaum dieselbe Effizienz erreichen wird wie im Neubau. Jahresarbeitszahlen (JAZ) zwischen 5 und 6, wie sie im Effizienzhaus 55 oder 40 erzielt werden können, sind in Bestandsgebäuden unrealistisch. Darüber hinaus ist an den Einwänden allerdings nicht viel Wahres. Denn auch mit einer JAZ von 3 bis 4, wie sie gute Wärmepumpen im Bestand selbst bei Gebäuden ohne Flächenheizung – also mit Heizkörpern als Verteilsystem – erreichen können, ist die Wärmepumpe um ein Vielfaches umweltfreundlicher als jeder Öl- oder Gaskessel und durchaus wirtschaftlich zu betreiben. Folgt man seriösen Einschätzungen, ist davon auszugehen, dass etwa 80 Prozent des Bestands ohne weitere Sanierungsmaßnahmen auch mit einer Wärmepumpe statt mit einem fossilen ­Wärmeerzeuger effizient beheizt werden können.

Eine Wärmepumpe kann als kompakter Monoblock im Garten oder Vorgarten platziert werden.

Bild: STIEBEL ELTRON

Eine Wärmepumpe kann als kompakter Monoblock im Garten oder Vorgarten platziert werden.

Bestandstauglichkeit außer Frage

Tatsächlich gehen viele wärmepumpenkritische Argumentationen oft stillschweigend von einem Gebäudebestand aus, der in der Praxis kaum noch anzutreffen ist. Dass über Jahrzehnte hinweg weder in die Gebäudehülle noch in eine ­Modernisierung und angepasste Auslegung des Wärmeübergabesystems investiert wurde, mag in Einzelfällen ­vorkommen – die Regel ist es längst nicht mehr. Das Fraunhofer-Institut für Solare Energiesysteme ISE hat 2018/19 in einer umfangreichen Studie über Wärmepumpen in 15 bis 150 Jahre alten Bestandsgebäuden festgestellt, dass üblicherweise auch hier durchweg sehr gute Effizienzwerte erzielt werden. Luft-Wasser-Wärmepumpen beispielsweise erreichten laut ISE-Studie im Durchschnitt Jahresarbeitszahlen (JAZ) von 3,1. Erdwärmepumpen kamen im Schnitt sogar auf eine JAZ von 4,1. Auch der gerne erhobene Einwand, dass die weit verbreiteten Luft-Wasser-Wärmepumpen – die als Wärmequelle die Umgebungsluft nutzen – an kalten Wintertagen zu oft auf den integrierten Heizstab zurückgreifen müssten, um außentemperaturbedingte Effizienzdefizite auszugleichen, ließ sich in der Praxis nicht erhärten. Wie die Studie zeigte, entfielen bei Luft-Wasser-Wärmepumpen im Durchschnitt nur 1 bis 3 Prozent des Stromverbrauchs auf den Einsatz des Heizstabs – ein Wert, der in der Gesamtbetrachtung nicht ins Gewicht fällt.

Von mangelnder Eignung für bestehende Gebäude kann bei Wärmepumpen somit nicht die Rede sein, im Gegenteil: Dass eine Wärmepumpe auch im Bestand ihren Zweck erfüllt, sollte als der Regelfall angesehen werden. Selbstverständlich bleiben auch dann noch Bestandsgebäude übrig, deren Sanierungsstau so groß ist, dass von einer Wärmepumpeninstallation zunächst einmal abgeraten oder zumindest auf eine Hybridlösung aus Wärmepumpe und fossiler Heizung gesetzt werden muss. Ausschlaggebend ist hier die Frage nach der erforderlichen Heizungs-Vorlauftemperatur: Beträgt diese maximal 60 Grad, kann bedenkenlos auch eine Wärmepumpe zum Einsatz kommen. Falls jedoch Temperaturen von 65 oder 70 Grad benötigt werden, sollte das Verteilsystem geprüft werden, ob mit punktuellen Maßnahmen wie z.B. einer Vergrößerung der Heizfläche durch einen gezielten Austausch von Heizkörpern die erforderliche maximale Vorlauftemperatur gesenkt werden kann. Moderne Wärmepumpen mit neuen Kältemitteln können indessen selbst solche Bedarfe oft ohne Zusatzmaßnahmen decken. Ist allerdings eine dauerhafte Vorlauftemperatur von über 70 Grad erforderlich, ist das Gebäude wohl tatsächlich in hohem Maße energetisch sanierungsbedürftig. Hierbei sollte jedoch nicht unterschlagen werden, dass ein hoher Sanierungsbedarf auch jede Öl- und Gasheizung komplett unwirtschaftlich werden lässt, zumal angesichts der dramatischen Preissteigerung bei fossilen Brennstoffen.

Hersteller von Wärmepumpen bieten erprobte und einfach umsetzbare Hydrauliken auch für Hybrid-Anlagen

Bild: STIEBEL ELTRON

Hersteller von Wärmepumpen bieten erprobte und einfach umsetzbare Hydrauliken auch für Hybrid-Anlagen

Häufige Lösung ist Luftwärmepumpe

Am Anfang steht stets die Wahl des Wärmepumpentyps – die Entscheidung darüber also, ob die vom Wärmepumpensystem genutzte thermische Energie aus der Umgebungsluft (Luft-Wasser-Wärmepumpe), dem Erdreich (Sole-Wasser-Wärmepumpe) oder dem Grundwasser (Wasser-Wasser-Wärmepumpe) gewonnen werden soll. Hier muss zuallererst berücksichtigt werden, welche Wärmemengen überhaupt benötigt werden und was Gebäudestandort und bauliche Gegebenheiten zulassen; sodann sind Zeitplan, Budget und möglicherweise auch individuelle Wünsche des Anwenders mit einzubeziehen.

Angesichts des Zwangs zum schnellstmöglichen Ausstieg aus fossilen Brennstoffen und der eingeschränkten Budgetoptionen vieler Anwender wird die Wahl wohl mehrheitlich auf eine Luft-Wasser-Wärmepumpe fallen. Sie erfordert die geringsten baulichen Maßnahmen und ist so am schnellsten und kostengünstigsten zu installieren. Die Luftwärmepumpe kann als kompakter Monoblock im Garten oder Vorgarten platziert werden. Speziell bei hoher Bebauungsdichte gilt es allerdings, den Aufstellort sorgsam zu wählen, um Lärmbelästigungen zu vermeiden. Schließlich kann die Wärmepumpe auch im Gebäude aufgestellt werden, Zu- und Fortluft werden dann über ein Kanalsystem realisiert. Die Geräuschemissionen im Außenbereich lassen sich so noch einmal drastisch reduzieren.

Erdwärmepumpe als Option

Sofern es der Gebäudestandort sowie Budget und Zeitplan des Anwenders zulassen, sollte im Bestand auch die Errichtung einer Erdwärmepumpe erwogen werden. Sie ist die energieeffizientere Lösung und erreicht deshalb im Durchschnitt höhere Jahresarbeitszahlen. Erdreich-Wärmepumpen werden in der Regel als Innenaufstellung ausgeführt. Aufstellungsbedingte Geräuschprobleme treten hier nicht auf. Ergänzender Kostenfaktor im Vergleich zur Luft-Wasser-Wärmepumpe sind hier die Sondenbohrungen, die im Regelfall bis zu 100 Meter tief ins Erdreich getrieben werden bzw. der Erdaushub bei Verlegung von Kollektoren. Auf lange Sicht und vor allem bei hohen Heizleistungsbedarfen lohnt sich der Aufwand für Tiefbohrungen.

Grundwasser als Exot

Etwas anders stellt sich die Situation bei Grundwasserwärmepumpen dar. Zwar weist dieser Wärmepumpentyp im Schnitt die höchsten Jahresarbeitszahlen auf, da im Grundwasser die Menge an thermischer Umweltenergie an einfachsten verfügbar gemacht wird, bei ganzjährig stabilem Temperaturniveau. In der Praxis werden diese Effizienzvorteile jedoch fast immer vom hohen Strombedarf der Pumpen zunichte gemacht, die das Wasser über den Förderbrunnen aus dem Boden und zurück in den Schluckbrunnen pumpen müssen – der Stromaufwand ist hier weit höher als beim Solekreislauf von Erdwärmepumpen. Nicht zuletzt aus diesem Grund werden Grundwasserwärmepumpen nur vereinzelt zur Realisierung gelangen, zumal ihre Installation an eine Vielzahl von systemfremden Voraussetzungen gebunden ist. So ist der Zugriff auf das Grundwasser generell genehmigungspflichtig und nur abseits ausgewiesener Wasserschutzgebiete möglich.

Wie die Absatzentwicklung zeigt, geht der Trend zur Wärmepumpe vor allem auf das Konto von Luft-Wasser-Wärmepumpen

Bild: STIEBEL ELTRON

Wie die Absatzentwicklung zeigt, geht der Trend zur Wärmepumpe vor allem auf das Konto von Luft-Wasser-Wärmepumpen

Standardisierung vereinfacht Umsetzung

Für die erfolgreiche Realisierung einer Wärmepumpe im Bestand spielt auch die Wahl des richtigen Systems eine Rolle. Aufgrund des hohen Sanierungsdrucks bei gleichzeitig dramatischem Fachkräftemangel sollte nach Möglichkeit zu vorkonfigurierten Systemlösungen gegriffen werden, die sich schnell und unkompliziert verbauen lassen.

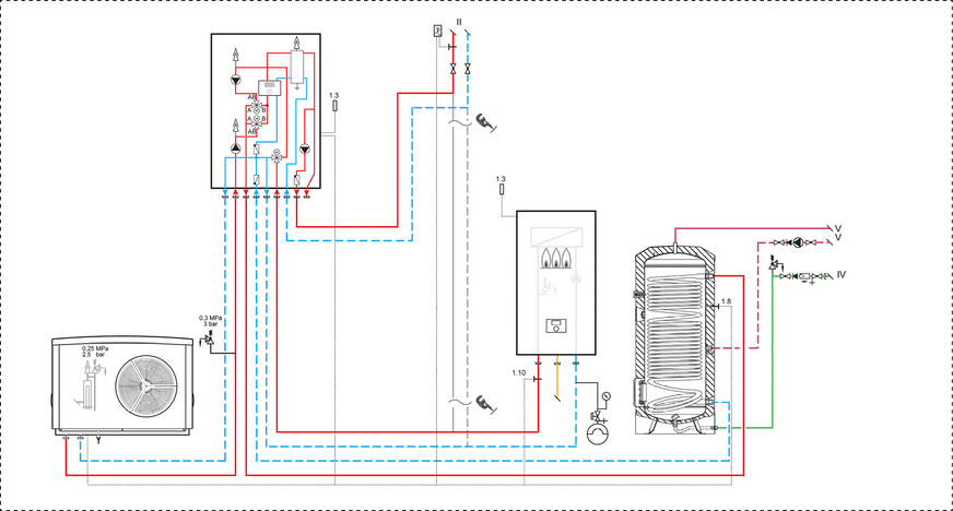
Stiebel Eltron zum Beispiel hat für die Luft- bzw. Erdwärmepumpeninstallation im Bestand einige wenige Sets entwickelt, mit denen 70 bis 80 Prozent aller Anwendungsfälle bedient werden können. Sie kombinieren die Wärmepumpe mit einem kompakten Integralspeicher (Brauchwasser- plus Pufferspeicher) und sind platzsparend und montagefreundlich ausgeführt. Wärmepumpenregelung, Umwälzpumpen sowie der Speicher sind jeweils in das Innengerät integriert, sodass nur wenig Aufstellfläche benötigt wird und der Einbau rasch umgesetzt werden kann. Für Bestandsgebäude mit massivem Sanierungsstau, in denen als punktuelle Unterstützung der Wärmepumpe übergangsweise eine bestehende Öl- oder Gasheizung weiterbetrieben werden soll, ist darüber hinaus ein Hybrid-Set verfügbar. Es besteht aus einer Luft-Wasser-Wärmepumpe und einem Hydraulik-Modul, in das alle notwendigen Komponenten für die technische Kombination der Heizsysteme bereits integriert sind.

Alle beschriebenen Systemlösungen lassen sich bei Bedarf individuell anpassen, darüber hinaus unterstützt Stiebel Eltron das Fachhandwerk bei der Entwicklung passgenauer Lösungen für Anwendungsfälle, die sich nicht durch die standardisierten Sets abdecken lassen. Hilfe bei der Systemwahl, der Dimensionierung und Konfiguration, der Erstellung von Hydraulik- und Elektroplänen sowie der Ermittlung und Erschließung von Förderungsoptionen bietet zudem eine online verfügbare Toolbox.

Wo der Austausch bestehender Öl- und Gasheizungen auf dem Plan steht, ist die Wärmepumpe heute oft erste Wahl – warum zeigt nicht zuletzt die CO2-Bilanz.

Bild: STIEBEL ELTRON

Wo der Austausch bestehender Öl- und Gasheizungen auf dem Plan steht, ist die Wärmepumpe heute oft erste Wahl – warum zeigt nicht zuletzt die CO2-Bilanz.

Fazit

Ist der passende Wärmepumpentyp gefunden und die richtige Systemlösung installiert, steht einem erfolgreichen Wärmepumpeneinsatz im Bestand nichts mehr im Wege. Zusatzmaßnahmen wie etwa umfassende Sanierungen sind – anders als oft behauptet – für einen effektiven und wirtschaftlichen Betrieb in den allermeisten Fällen nicht zwingend erforderlich. Bei relativ alten Wärmeverteilsystemen kann der Tausch einiger Radiatoren gegen moderne Niedertemperatur-Heizkörper sinnvoll sein. Darüber hinaus sind im Regelfall keine weiteren Schritte notwendig. Unbestreitbar ist natürlich, dass der Wärmebedarf eines Gebäudes – unabhängig vom ­Wärmeerzeuger – durch nachgelagerte Maßnahmen weiter verringert werden kann, was die Effizienz des gesamten Wärmesystems erhöht. Zu diesen nachgelagerten Maßnahmen gehört vor allem ein sauber umgesetzter hydraulischer Abgleich, der für eine optimale Wärmeverteilung im Gebäude sorgt und so die Absenkung der Vorlauftemperatur ermöglicht. Er ist schneller und günstiger durchzuführen als jede Optimierung der Gebäudehülle und gemäß BEG ohnehin Grundvoraussetzung für die Ausschüttung einer ­Fördersumme. Auch Smart-Heating-Systeme, die eine bedarfsindividuelle Steuerung der Heizung ermöglichen, tragen zur Effizienzsteigerung bei. Die installationsfreundlichen Sets von Stiebel Eltron sind dafür sogar schon vorbereitet und können per Internet-Service-Gateway in Heimnetzwerke und damit in intelligente Heizungssteuerungen integriert werden. Im Bestand hält so zusammen mit der Wärmepumpe zugleich auch die Digitalisierung Einzug.

Bild: STIEBEL ELTRON

Der von Kritikern gerne erhobene Einwand, dass Luft-Wasser-Wärmepumpen –an kalten Wintertagen zu oft auf den integrierten Heizstab zurückgreifen müssten, lässt sich in der Praxis nicht erhärten.
Einen Film zum Thema gibt es hier:


AUTOR

Dipl.-Ing. Henning Schulz
ist Sprecher des Unternehmens Stiebel Eltron. Nach seiner Ausbildung zum Journalisten hat er Architektur studiert. 2007 ist er in die „Unternehmenskommunikation“ des Haustechnik­herstellers gewechselt. Telefon (0 55 31) 70 29 56 85

Bild: Stiebel Eltron

WERBUNG