Motor- oder Zonenventile gibt es als Durchgangs-, als Zwei-Wege- oder als Drei-Wege Ventil. Durchgangs- oder Zwei-Wege Ventile werden als motorisierte Absperrungen eingesetzt, oder zum Regeln von Volumenströmen, z. B. mittels thermostatischer Einzelraumreglung. Sie dienen entweder zum Steuern von Verbrauchern oder zum Steuern von Anlagenabschnitten - oder wie der Name es schon sagt - zum Steuern von Zonen- eingesetzt.
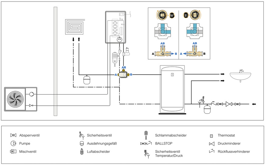
Drei-Wege-Ventile in Wärmepumpenanlagen
In Wärmepumpenanlagen sorgen Drei-Wege-Ventile für das Umschalten zwischen Verbrauchern, wie z. B. Warmwasser-Bereiter und Heizungssystem. Dieser Anwendungsfall hat im Vergleich zum Zwei-Wege-Ventil den Vorteil, dass die Wärme/Kälte bis kurz vor dem Verbraucher ansteht. Ein weiterer Vorteil: Beim Zwei-Wege Ventil wird nur die Zuleitung abgesperrt. Der Strang „stirbt“ so mit der Zeit ab und muss beim Öffnen erst wieder vollständig durchströmt werden.
Ein wichtiges Detail dieser Serie für den Einsatz in Wärmepumpensystemen ist die Isolierung. Sie sorgt für besonders niedrige Betriebstemperaturen des Wärmeträgermediums und der daraus resultierenden, reduzierten Bildung von Kondenswasser. Ein weiteres Plus: Die hohe hydraulische Leistung, kombiniert mit der geringen Größe und dem gemeinsamen frontseitigen Anschluss.
Das Ventil kann mit der Ventilspindel in waagrechter oder senkrechter Stellung installiert werden, es darf jedoch niemals über Kopf montiert werden.
Zwischen dem Ventilkörper und dem Stellantrieb wird eine Wärmesperre aus Technopolymer montiert, die im Innern zwei Edelstahlwellen und einen Isolierring 
enthält.
Dieser Isolierring verhindert, dass die Wärme vom Medium auf den elektrischen Stellantrieb übertragen wird und es zur Kondensatbildung im Stellantrieb kommt.
Das Drei-Wege-Motor-Kugelumschaltventil der Serie 6445 besteht aus Messing, die Kugel aus verchromtem Messing, die Anschlüsse 1” AG mit Verschraubung. Betriebsmedien sind Wasser und Glykollösungen (max. Glykolgehalt 50 %) Der maximaler Betriebsdruck liegt bei 10 bar, der Betriebstemperaturbereich bei -5–110 °C.
 
 Bild: Caleffi
 
     
     
     
     
     
     
    