Springe auf Hauptinhalt Springe auf Hauptmenü Springe auf SiteSearch
WERBUNG
WERBUNG
WERBUNG

72-Stunden-Wächter

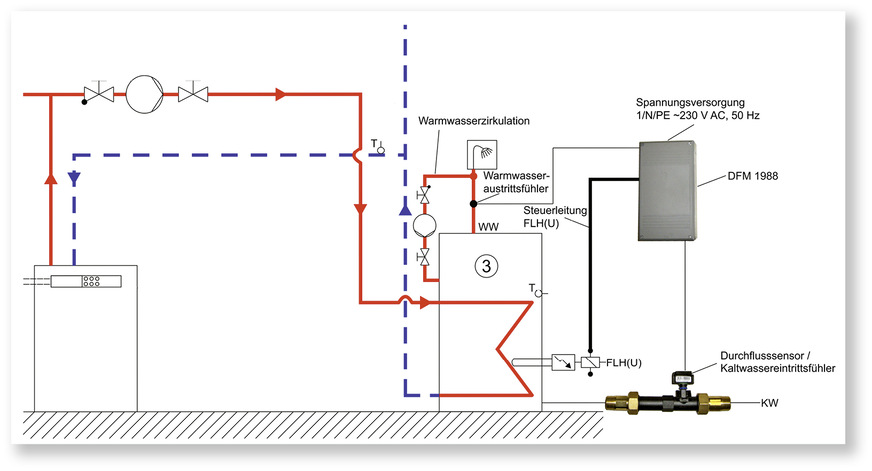
Viele Heizungs-Wärmepumpen können zwar Warmwassertemperaturen bis 60 °C bereitstellen, es lässt sich aber die Energieeffizienz verbessern, wenn die Trinkwassererwärmung mit niedrigeren Temperaturen betrieben werden kann. Dimplex hat hierfür mit dem System DFM 1988-1 eine Lösung ent­wickelt.

Den Namen DFM 1988-1 hat Dimplex an die Trinkwassererwärmung in Mehrfamilienhäusern nach DIN 1988-200 angelehnt. Das System misst mit einem Durchflussmengensensor am Kaltwassereintritt des Trinkwassererwärmers die Zapfmenge und überwacht die Temperatur am Speicheraustritt. Die Speichertemperatur kann bei Anlagen mit erhöhtem Wasseraustausch normgerecht abgesenkt werden. Wird die Forderung nach einem Wasseraustausch nach spätestens drei Tagen nicht erfüllt, gibt ein Schalt­signal einen zweiten Wärmeerzeuger frei (elektrischer Zusatzheizstab). Der erhöhte Sollwert (≤ 60 °C Ein, ≥ 62 °C Aus) wird so lange aufrechterhalten, bis der einmalige Wasseraustausch innerhalb von 72 Stunden wieder stattgefunden hat.

Glen Dimplex Deutschland

95326 Kulmbach

Telefon (0 92 21) 70 95 92

dimplex@glendimplex.de

www. glendimplex.de

Bild: Glen Dimplex

Bild: Glen Dimplex

Auf einen Blick

  • Regeleinheit zur ­Betriebsoptimierung für Dimplex Wärmepumpen
  • Unterstützend zur Überwachung der ­Trinkwasserhygiene
  • Nur geeignet für Dimplex-Warmwasserspeicher WWSP 442, 556 und 770
  • WERBUNG

    Tags