Springe auf Hauptinhalt Springe auf Hauptmenü Springe auf SiteSearch
WERBUNG
WERBUNG
WERBUNG
Wassermanagement für Parkanlagen und Sportrasenflächen

Bewässerung ohne Trinkwasser

Wenn in der Wurzelschicht der Vegetation überdurchschnittlich lange Wassermangel herrscht, sprechen wir von Dürre. Diese für uns in Deutschland außergewöhnliche Situation hatten wir im Frühjahr und Sommer 2018. Folgen waren Niedrigwasser in den Flüssen, Ernteausfälle und Waldbrände. Ähnlich die Jahre 2019 und 2020: Einige Wasserversorger schlugen Alarm. Sie hatten weniger Trinkwasser verfügbar als für eine weiter anhaltende Dürre erforderlich. So gab es in deren Versorgungsgebieten das Verbot, Wasser aus Flüssen und Seen zu entnehmen oder mit Trinkwasser Außen- und Sportanlagen zu bewässern.

Bereits 2009 hatte die Europäische Umweltagentur gewarnt: „Die Wasserknappheit ist ein immer häufiger auftretendes und beunruhigendes Phänomen, das mindestens 11 % der europäischen Bevölkerung und 17 % des EU-Gebiets betrifft“. Ballungsräume, auch in Deutschland, könnten ohne Fernwasserleitungen aus dem Umland selbst in normalen Jahren nicht mehr existieren. Doch wie geht es weiter, wenn die Ressourcen in deren Umland nach einigen trockenen Jahren erschöpft sind?

Sportstätten mit Betriebswasser, international

Australien ist bekannt für chronischen Wassermangel und Restriktionen. Dort kommt es regelmäßig zum Verbot, Rasenflächen aus dem öffentlichen Netz zu bewässern. Sydney präsentierte nach massivem Druck von Greenpeace im Jahr 2000 die erste Sommerolympiade mit konsequentem Einsatz von Betriebswasser. Das ist gefiltertes Regenwasser sowie aufbereitetes Grau- und Abwasser, dessen Qualität zur Bewässerung und Toilettenspülung ausreicht. 50 % des erforderlichen Trinkwassers konnte so auf den Sport- und Erholungsflächen des Olympiaparks Jahr für Jahr, auch nach der Veranstaltung, eingespart werden.

Diese Entwicklung setzte sich bei der Fußball-Weltmeisterschaft 2002 fort: Südkorea hatte ein Gesetz erlassen, das die Betreiber von Stadien mit mehr als 2.400 m² Dachfläche zur Sammlung des anfallenden Regenwassers verpflichtet. Daher wird es an den ehemaligen Austragungsstätten in bis zu 900 m³ großen unterirdischen Speichern gesammelt, was ca. 6 Wochen zur Bewässerung des Stadionrasens reicht. In Seoul, wo auch umliegende Rasenspielfelder und Außenanlagen sowie Toilettenspülungen in der Arena versorgt werden, wird Grundwasser eingesetzt. Allerdings handelt es sich dabei um ökologisch unbedenkliches Drainagewasser, das das ganze Jahr über von U-Bahn-Schächten abgepumpt werden muss. Und dazu kommt Grauwasser, welches als Beckenüberlauf in einer benachbarten Schwimmhalle ebenfalls ganzjährig anfällt.

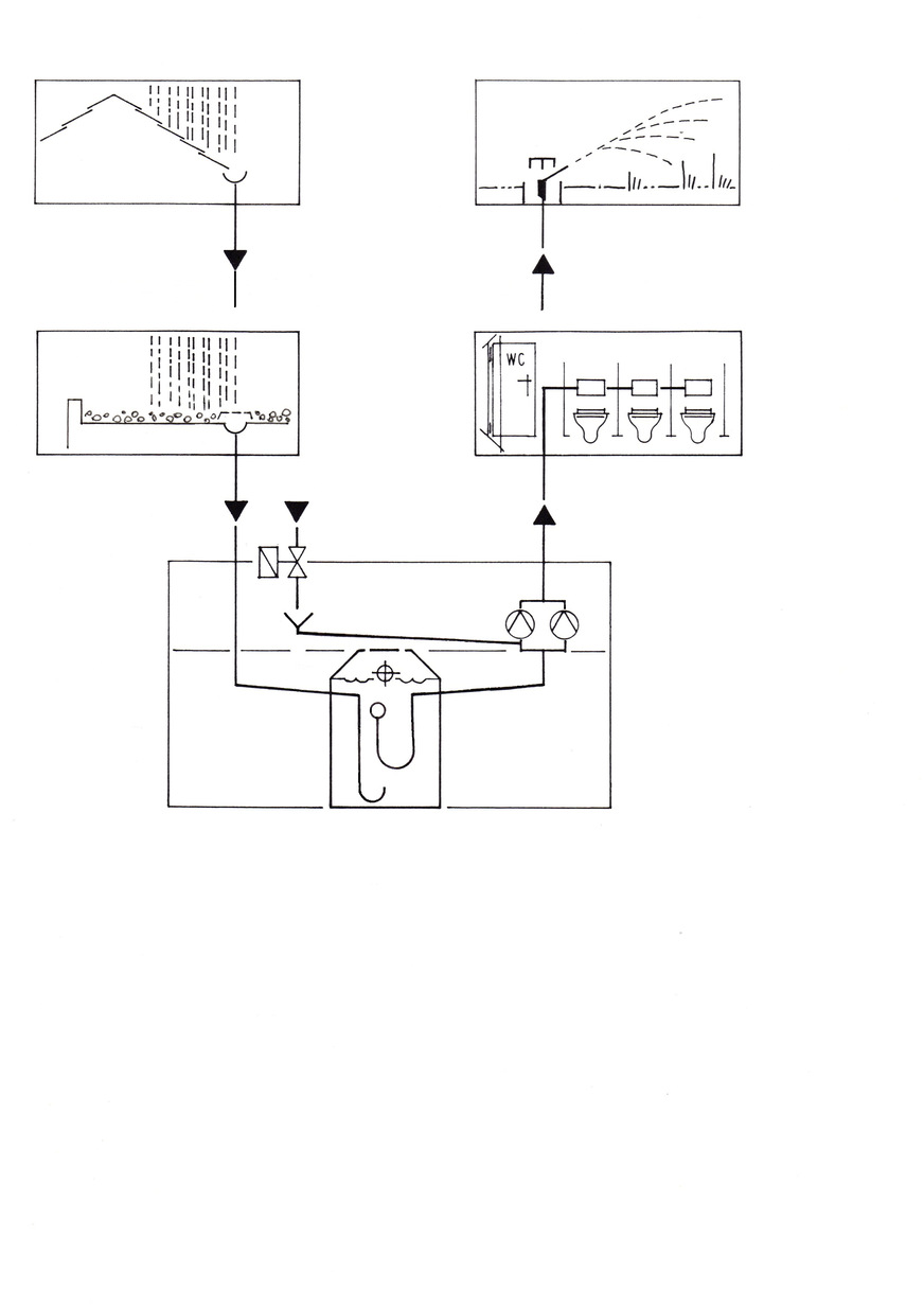
Prinzip der Regenwassernutzung mit unterirdischem Speicher für Bewässerung. Bei fehlendem Niederschlag erfolgt automatisch die Nachspeisung über eine Sicherungseinrichtung gemäß DIN EN 1717.

Bild: König

Prinzip der Regenwassernutzung mit unterirdischem Speicher für Bewässerung. Bei fehlendem Niederschlag erfolgt automatisch die Nachspeisung über eine Sicherungseinrichtung gemäß DIN EN 1717.

Regenwassernutzung in deutschen WM-Stadien

Zur Fußball-WM 2006 in Deutschland mussten sämtliche Spielstätten nach FIFA-Reglement die Sitzflächen überdachen und gemäß neuen kommunalen Richtlinien das anfallende Regenwasser komplett auf den Stadion-Grundstücken bewirtschaften. Das Ableiten in den öffentlichen Kanal war laut Baugenehmigung bzw. Abwassersatzung der jeweiligen Kommune nicht mehr gestattet. In Berlin, Nürnberg und Stuttgart wird der Niederschlag seither vorwiegend genutzt, in Frankfurt komplett versickert. In Hamburg, Hannover, Köln und München wurden ähnliche Konzepte realisiert. Berlin hat 1.400 m³ nutzbares Speichervolumen, Nürnberg 900 m³ und Stuttgart 350 m³. War anfänglich noch großer Wasserbedarf für Toilettenspülung vorhanden, haben die meisten dieser Stadien heute wasserlose Urinale – und damit mehr Vorrat als zuvor für die Bewässerung. Falls in trockenen Zeiten die Regenmengen aufgebraucht sind, wird in der Regel aus eigenen Brunnen nachgespeist.

Interessant ist noch folgender Vergleich: Während Berlin mit 21.000 m² nur die Hälfte des Daches in den Speicher entwässert und die andere Hälfte direkt in Rigolen versickert, lässt Nürnberg den Niederschlag der kompletten Dachfläche von 37.000 m² über den Speicher laufen, und kommt so mit einem kleineren Volumen aus – weil sich dieses durch die wesentlich größere Sammelfläche bei einem vergleichbaren Niederschlagsereignis deutlich schneller füllt. Allerdings sind dafür längere Sammel- und Überlauf-Leitungen notwendig.

Kennzeichnung der nicht erdverlegten Leitungen, farblich unterschiedlich gemäß Trinkwasserverordnung und DIN 1989, um eine Verwechslung von Trinkwasser und Betriebswasser zu vermeiden.

Bild: König

Kennzeichnung der nicht erdverlegten Leitungen, farblich unterschiedlich gemäß Trinkwasserverordnung und DIN 1989, um eine Verwechslung von Trinkwasser und Betriebswasser zu vermeiden.

Kleiner Sportverein, wenig Dachfläche

Im Breitensport, bei kleinen Vereinen ohne Tribünendach oder bei Freizeiteinrichtungen ohne Gebäude fehlen die typischen Regensammelflächen. Doch die Sportrasenflächen sind genauso groß wie z. B. im Olympiastadion von Berlin. Die Standardgröße eines Fußballfeldes beträgt hier wie dort 7.140 m². Und ein kleiner Verein muss wie ein Bundesligaclub je Bewässerung 100 – 150 m³ kalkulieren, um im Interesse der Rasenfestigkeit ein möglichst weit nach unten reichendes Wurzelwachstum zu erzielen. Wenn aber die Dachfläche nicht 42.000 m², sondern nur 420 m² beträgt, was tun? Regenwasser von anderen Flächen sammeln und/oder andere Wasserquellen erschließen, so könnte das Motto lauten, falls Trinkwasser gespart werden soll und man in Trockenzeiten von Bewässerungsverboten der öffentlichen Wasserversorgung unabhängig sein möchte.

Eine alternative Wasserquelle für Sportvereine ist möglicherweise die Oberflächenentwässerung des eigenen Geländes sowie das Zurückführen des Wassers aus den Spielfelddrainagen. Das „Zuviel“ bei kräftigen Niederschlägen landet so im Regenspeicher. Beides geschieht seit dem Jahr 2000 in den „Sportanlagen im Hubland“ der Universität Würzburg, reicht aber nicht aus. Mit zusätzlichem Brunnenwasser wird eine optimale Bewässerung gewährleistet.

Bewässerung der Taunusanlage in Frankfurt/M. Zukünftig vielleicht auch ressourcenschonend aus den ständigen Grundwasserhaltungen einiger Büro- und Bankhochhäuser, die bisher ungenutzt in die Regenwasserkanalisation eingeleitet werden?

Bild: König

Bewässerung der Taunusanlage in Frankfurt/M. Zukünftig vielleicht auch ressourcenschonend aus den ständigen Grundwasserhaltungen einiger Büro- und Bankhochhäuser, die bisher ungenutzt in die Regenwasserkanalisation eingeleitet werden?

Ungenutzte Ressourcen für städtische Parkanlagen

Regenwasser von Dachflächen der Nachbarn ist eine Option, wenn es z. B. große Gebäude in unmittelbarer Nachbarschaft gibt und deren Regenwasser nicht genutzt wird. Mussten sie für die Regenableitung Niederschlagsgebühr bezahlen, weil eine Bewirtschaftung nicht möglich war, dürfte das Interesse der Nachbarn groß sein, dieses Wasser abzugeben. Das Institut für Siedlungswasserbau, Wassergüte- und Abfallwirtschaft (ISWA) der Universität Stuttgart führt in enger Kooperation mit den Grünflächen- und Tiefbauämtern der Städte Stuttgart und Frankfurt/M. eine Gesamtschau der urbanen Wasserbilanz durch. Konkret werden im Projekt INTERESS-I Aufkommen, Verfügbarkeit und Qualität urbaner alternativer Wasserressourcen systematisch und flächendeckend erfasst. Dies sind z. B. Abläufe der (meist im Überlauf mit Trinkwasser betriebenen) mehr als 250 Wasserspiele und Springbrunnen in Stuttgart, eine Vielzahl von an die Kanalisation angeschlossenen kleinen Dränagen und Quellaustritten und ständige Grundwasserhaltungen für einige Büro- und Bankhochhäuser in Frankfurt, die bisher ungenutzt in die Regenwasserkanalisation eingeleitet werden.

Die Erhebungen zeigen, dass in beiden Städten bisher ein großes Potenzial alternativer Wasserressourcen nicht nur ungenutzt vorhanden ist, sondern eher noch als Problem für die Stadtentwässerung auftritt, in dem diese „Abwässer“ die freien Kapazitäten der Kanalisation bei Starkregenereignissen verkleinern. Konkret wird im Rahmen des „Pilotgebietes Wallanlagen“ in Frankfurt die Nutzung von Wasser aus der Grundwasserhaltung eines Bankhochhauses im Umfang von 50.000 m³/Monat für die Bewässerung der Wallanlagen näher untersucht. Damit könnte eine nachhaltige Win-Win-Situation für den Hausbesitzer, die Stadtentwässerung Frankfurt, das Grünflächenamt und nicht zuletzt den urbanen Wasserhaushalt und das Stadtklima erreicht werden.

UFZ-Dürremonitor im Gesamtboden in der Vegetationsperiode April bis Oktober als Informationen zum Bodenfeuchtezustand in Deutschland.

Bild: Helmholtz-Zentrum für Umweltforschung

UFZ-Dürremonitor im Gesamtboden in der Vegetationsperiode April bis Oktober als Informationen zum Bodenfeuchtezustand in Deutschland.

Besonderheiten alternativer Wasserquellen

Wird Regenwasser genutzt und dafür ein Speicher geplant, kann die wirtschaftlich sinnvolle Größe durch Computersimulation ermittelt werden. Die Berechnung bieten einige Speicherhersteller und unabhängige Fachverbände kostenfrei an, u.a. auf https://regenwasser-experten.fbr.de/. Wird mit Trinkwasser nachgespeist, ist zur Absicherung des Trinkwassernetzes der so genannte Freie Auslauf erforderlich. In anderen Fällen, z. B. wenn bei leerem Regentank Brunnenwasser zum Einsatz kommt, genügt unter Umständen ein Rohrtrenner. Maßgeblich ist DIN EN 1717, Bewässerungsspezialisten geben dazu Auskunft.

Weitere Besonderheiten:

  • Regenwasserabfluss aus Dachbegrünung: Die Verdunstung (bei intensiv begrünten Dächern besonders hoch) steht im Interessenkonflikt zur Nutzung, da sich der Regenertrag um den verdunsteten Anteil reduziert. Die Technische Regel DIN 1989-1 ist zu beachten; als Ersatz ist die europaweit gültige DIN EN 16941-1 in Vorbereitung.
  • Oberflächenwasser aus Bach, Fluss oder See: Normalerweise ist eine wasserrechtliche Erlaubnis erforderlich. In Trockenzeiten drohen wie bei Trinkwasser Entnahmeverbote.
  • Brunnenwasser: Das Fördern von Grundwasser, selbst auf dem eigenen Grundstück, bedarf in den meisten Fällen ebenfalls einer wasserrechtlichen Erlaubnis. Die gelösten Bestandteile des Grundwassers sollten im Labor festgestellt und mit den Grenzwerten für Rasenbewässerung gemäß DIN 18035-2 verglichen werden.
  • Grauwasser: Herkunft in Sportstätten und Freizeiteinrichtungen überwiegend von Duschen oder von Schwimmbecken-Überläufen. Im Gegensatz zur Verwendung von Regenwasser ist eine Aufbereitungstechnik erforderlich, die jedoch in vorgefertigten Modulen verfügbar ist. Die technische Regel fbr-H 202 gibt Hinweise; als Ersatz ist die europaweit gültige DIN EN 16941-2 in Vorbereitung.
  • Abwasser: Eine Aufbereitung zu Betriebswasser ist grundsätzlich möglich. Die nötigen Verfahren, z. B. Umkehrosmose, sind aufwändig und teuer.
  • Ökonomische Betrachtung

    Investition

    Ein Speicher mit 120 m³ nutzbarem Wasservolumen inkl. Filter und Pumpen, Lieferung und Montage, jedoch ohne Erdarbeiten, muss mit mindestens 60.000 € zuzüglich der Mehrwertsteuer kalkuliert werden. In den Bundesländern Hamburg und Bremen gibt es eventuell Zuschüsse, ebenso in einigen Kommunen der anderen Länder. Und bundesweit bieten die Landessportbünde ihre Unterstützung an mit dem Förderprogramm „Sportstättenbau“ (Bau, Kauf und Sanierung von Vereinssportanlagen inklusive Wasserspeicher- und Bewässerungstechnik).

    Betriebskosten

    Für Inspektion sollte 1 %, für Wartung 3 % der Investition pro Jahr veranschlagt werden. Als weitere Betriebskosten kommt der Pumpenstrom dazu. Die Einsparungen sind abhängig von der Situation vor Ort: Wassergebühren, Niederschlagsgebühren, Vorschriften gemäß Abwassersatzung, Baugenehmigung etc.

    Im Jahr 2004 kalkulierten die Planer beim Nürnberger Stadion Mehrkosten für die Regenwassernutzung gegenüber der reinen Versickerung von 220.000 €, Einsparungen für Wassergebühren von 11.900 €/a, abzüglich Wartungs- und Stromkosten von 1.500 €/a. Damit ergab sich rechnerisch eine Amortisation von etwa 20 Jahren. Ein Jahr später war in Publikationen von 10 Jahren zu lesen. Kleine Vereine sollten sich vor einer Umstellung der Sportflächenbewässerung von Trinkwasser auf Betriebswasser vom Wasserversorgungsunternehmen bestätigen lassen, dass bei deutlicher Reduzierung der bezogenen Trinkwassermenge keine unzulässige Stagnation in der Zuleitung droht und keine Bereitstellungsgebühr oder andere Zuschläge erhoben werden.

    Wasserzähler in der Leitung zur Nachspeisung bei leerem Regenspeicher. Die anteilige Abwassergebühr des für die Bewässerung genutzten Trinkwassers wird vom Versorgungsunternehmen auf Antrag erstattet.

    Bild: König

    Wasserzähler in der Leitung zur Nachspeisung bei leerem Regenspeicher. Die anteilige Abwassergebühr des für die Bewässerung genutzten Trinkwassers wird vom Versorgungsunternehmen auf Antrag erstattet.

    Autor

    Dipl.-Ing. Klaus W. König
    lebt in Überlingen am Bodensee, ist selbstständig als freier Fachjournalist sowie Buchautor tätig und veröffentlicht regelmäßig Artikel in Umwelt-, Architektur-, GaLaBau-, Heizungs- und Sanitärzeitschriften. Er ist Lehrbeauftragter an der ESB Business School der Hochschule Reutlingen.

    Bild: König

    WERBUNG