Springe auf Hauptinhalt Springe auf Hauptmenü Springe auf SiteSearch
WERBUNG
WERBUNG
WERBUNG

„Konen-Konzept“: Kosten senken beim Betrieb von Wärmepumpen

Jedes moderne Gebäude, ähnlich dem in Meerbusch, das über die gültigen Dämmstandards verfügt, kann derzeit mit Heizenergie über eine Wärmepumpe versorgt werden. Aktueller Standard ist, hierfür fast immer eine zentrale Anlage aufzubauen. Ausgehend von dieser Zentrale wird erwärmtes Wasser an die Wohnungen verteilt. Das gilt für Heizungswasser und für Trinkwarmwasser gleichermaßen.

Heizungswasser

In der Spitze, also an den kalten Tagen mit -12 °C, werden dann Vorlauftemperaturen von 35 °C von der Fußbodenheizung angefordert. Damit diese Temperatur an den Verteilern in den Wohnungen ankommt, ist meist eine höhere Vorlauftemperatur von der Wärmepumpe ausgehend notwendig.

Trinkwarmwasser

Trinkwarmwasser wird in solchen Standard-Anlagen ebenfalls zentral bereitet und dann zu den einzelnen Wohnungen geleitet. Dort kommt es heiß aus dem Hahn. Und damit der Wohnungsinhaber nicht zu lange auf dieses heiße Trinkwasser wartet, wird es üblicherweise mittels Zirkulationsleitung auf Temperatur gehalten und hierdurch nahe an die Wohnungen herangeführt. Notwendig ist dieses Zirkulieren auch, um die Legionellen in Schach zu halten. Das Ganze läuft auf hohem Temperaturniveau von 60 °C beim Start aus dem Trinkwassererwärmer. Skizziert ist dieser Anlagenaufbau im dargestellten Schema als „Standard 1“.

Alternativ kann die Trinkwassererwärmung auch mittels Wohnungsstationen in den Wohnungen selbst erfolgen. Ein Wärmetauscher in jeder Wohnung bekommt ganzjährig Heizungswasser zur Verfügung gestellt und kann damit im Durchlaufprinzip das Trinkwasser vor Ort erwärmen. Das funktioniert wie in einem elektrischen Durchlauferhitzer, nur eben mit heißem Heizungswasser statt Strom als Temperatur-Heber.

Für diese Wohnungsstationen müssen hohe Temperaturen ganzjährig zur Verfügung stehen. Am Wärmetauscher jeder Wohnung muss eine Temperatur des Heizwassers von ca. 55 °C strömen um beispielsweise 50 °C fürs Trinkwarmwasser zu erreichen. Skizziert ist dieser Anlagenaufbau im Schema als „Standard 2“.

Das „Konen-Konzept“ für 14 Wohneinheiten

Beide Standards hat Ulrich Konen neu gedacht. Sein Konzept steht auf anderen Füßen, wobei die Nutzwärme ebenfalls mittels Wärmepumpe bereitgestellt wird. Seine längst umgesetzte und erprobte Idee sieht vor, dass Wohnungen jeweils mit eigener Wärmepumpe die Energie zur Trinkwassererwärmung und Beheizung bereitstellen. Konen führt die bestehenden Anlagen so aus, dass jede Wärmepumpe eine eigene Soleleitung erhält und in einer eigenen Bohrung Erdwärme nutzt. Skizziert ist dieser Anlagenaufbau im Schema als „Konen-Konzept“.

Gegenüberstellung im Detail

Wenn sich bereits ein Weg der besten Konstellation herauskristallisiert hätte, bräuchten wir hier nicht darüber berichten. Es gäbe dann nur diesen einen Weg. Vor- und Nachteile der am Markt bereits verbauten Wärmepumpenanlagen sollen daher zur eigenen Meinungsbildung hier zusammengestellt werden.

Warmwasserbereitung

Neben der Erfüllung von Komfortansprüchen ist die Legionellenprophylaxe ein wichtiger Bestandteil von Planungen zur Versorgung mit Trinkwarmwasser. Grundsätzlich wird unterschieden in der Bevorratung von Warmwasser um dann beispielsweise eine Wanne zu füllen oder ein Duschbad zu ermöglichen. Die Bevorratung erfolgt in den Heizpausen einer Heizungsanlage. Die Wärmepumpe stellt für den Aufheizprozess gewissermaßen die gesamte Leistung zur Verfügung. Erst nach dem Aufheizen eines Warmwasserspeichers steht die Wärmepumpe wieder zur Beheizung des Gebäudes zur Verfügung. Diese erzwungenen Heizpausen stellen für die hochwärmegedämmten Gebäude neuer Bauart kein Problem dar.

Alternativ kann in zentral angelegten Wärmepumpenanlagen auch ein Pufferspeicher auf ein hohes Temperaturniveau gebracht werden. Von dort aus zirkuliert Heizungswasser durch das gesamte Gebäude und vorbei an den dezentralen Durchlaufwarmwasserbereitern, den sogenannten Wohnungsstationen. Soll eine Wanne gefüllt werden, wird dann Heizungswasser durch einen Wärmetauscher geleitet und erwärmt das auf der anderen Seite des Tauschers durchfließende vormals kalte Trinkwasser. Pflicht ist in diesem Fall, dass man auf der Heizungsseite höhere Temperaturen zur Verfügung stellen muss als man auf der Warmwasserseite erwartet. Um 50 °C beim Warmwasser zu erreichen, benötigt man 55 °C auf der Heizungsseite.

Zirkulation von Warm- oder Heizungswasser

In allen drei beschriebenen Konstellationen wird davon ausgegangen, dass innerhalb der jeweiligen Wohnung keine Zirkulation des Warmwassers erforderlich wird. Das bedeutet, dass innerhalb der Wohnung kein Stagnationsvolumen von mehr als 3 Liter anzutreffen ist.

Im „Standard 1“, also der Anlage mit zentralem Trinkwassererwärmer, wird für ein Gebäude mit 14 Wohneinheiten eine Warmwasserzirkulation bis ans Ende der Steigestränge notwendig. Und dieses Wasser muss ganzjährig zirkulieren. Ganzjährig bedeutet an 8760 Stunden des Jahres. Dabei tritt es mit 60 °C aus dem Trinkwassererwärmer aus und darf nicht kühler als mit 55 °C zurück gelangen. Das entspricht einem hohen Temperaturniveau und ist für eine Wärmepumpe nur auf Kosten der Effizienz zu erreichen.

Im „Standard 2“, also der Anlage mit Wohnungsstationen, kann nach Absprache mit dem Betreiber ein niedrigeres Temperaturniveau für das warme Wasser vereinbart werden. Meistens sind 55 °C auf der Heizungsseite umzuwälzen, ebenfalls an 8760 Stunden des Jahres. Sobald jemand warmes Wasser zapft, möchte er ja nicht warten bis ein heißer Schluck Heizungswasser aus der Zentrale im Keller an seinen Wärmetauscher gebracht wird und dann erst das Trinkwasser erwärmt. Temperaturniveau und Bereitschaftsverluste arbeiten daher ebenso gegen eine hohe Jahresarbeitszahl der eingesetzten zentralen Wärmepumpe.

Im „Konen-Konzept“ wird ebenso nach Absprache mit dem Betreiber, also in diesem Fall dem Wohnungsinhaber, eine Temperatur gewählt. Sind dies die beschriebenen 50 °C, die erfahrungsgemäß ausreichen, so muss die Wärmepumpe natürlich auch dieses für sie ungünstige Temperaturniveau erreichen. Danach steht aber nur noch der Verlust des gut gedämmten Speichers an, zumindest bis wieder jemand größere Mengen Warmwasser zapft.

Betriebstemperaturen

Mit diesem Detail spielt die „Musik“ am deutlichsten. Der „Standard 1“ wird an den kältesten Tagen des Jahres und das sind nur wenige, die höchsten Temperaturen liefern müssen. Um dann das Wasser mit 35 °C durch die Fußbodenheizungsverteiler zu schicken stellt die Wärmepumpe ca. 38 °C bereit. Die Verluste auf dem Weg zu den Wohnungen wollen ausgeglichen werden. In der Praxis reichen bei niedrigsten Außentemperaturen oft schon 32 °C im Vorlauf der Fußbodenheizung, aber die Wärmepumpe steht weit entfernt im Keller und der empfindlichste Bewohner der 14 Wohneinheiten gibt eigentlich die Taktzahl vor. Um auf der sicheren Seite zu stehen werden die Heizkurven einer Gemeinschaftsanlage daher allgemein höher eingestellt. In jedem Fall ist der Temperaturverlust beim Transport zum entferntesten Verteiler auszugleichen.

Der „Standard 2“ wird ohnehin eine hohe Vorlauftemperatur bereitgestellt. Im Zweifel muss ja die Warmwassererwärmung gestemmt werden.

Beim „Konen-Konzept“ reicht eine angepasste Heizkurve und erfahrungsgemäß eine Vorlauftemperatur von 32 °C bei -12 °C. Verlustleistungen auf dem Weg zum Verteiler entstehen gar nicht erst. Die Abwärme der extrem kurzen Anbindung zum Verteiler bleibt sogar noch in der Wohnung des Nutzers. Niedrige Betriebstemperaturen im Beheizungsfall sorgen daher für eine hohe Jahresarbeitszahl. Dieser Vorteil ist ganz klar im Konen-Konzept hervorzuheben.

Gefühlte Temperaturen

Wie bereits erwähnt ist auch dem individuellen und persönlichen Wärmeempfinden Rechnung zu tragen. Daher entscheidet der empfindlichste Nutzer mit seinem Wärmeempfinden über die Angemessenheit der Vorlauftemperatur. Im „Konen-­Konzept“ ist eine individuelle Wohlfühltemperatur aber als Vorteil zu nennen. Ist der Nutzer einer Wohnung tatsächlich mit den von der Norm geforderten 20 °C Raumtemperatur zufrieden, kann die Heizkurve folgerichtig flacher laufen als bei dem Wunsch nach 22 °C.

Wärmemengen zählen

Der „Standard 1“ erfordert die Zählung der Wärmeenergie an der Wärmepumpe, im Abgang zur Warmwasserbereitung und dann für jede Wohnung einzeln. Das verbrauchte Warmwasser wird zusätzlich in jeder Wohnung gezählt. Die Wärmemengen- Warmwasserzähler werden im Laufe der Jahre abgelesen, ausgewertet und irgendwann erneuert.

Im „Standard 2“ wird ermittelt, welche Wärmemenge die Wärmepumpe liefert und dann jeweils in den Wohnungen von diesen abgenommen wird. Die Erneuerung erfolgt dann im gleichen Zyklus wie bei „Standard 1“.

Beim Konen-Konzept hat jede Partei den obligatorischen Zähler zum Kaltwasserverbrauch, der in den beiden Standards ebenfalls notwendig wird. Ansonsten wird die Wärmeerzeugung eingerechnet im Stromverbrauch der jeweiligen Wohnung bezahlt. Und der Stromverbrauch ist auch in den anderen Standards messpflichtig. Es sind also unterschiedliche Kosten bei der Installation und im Betrieb der Anlagen-Typen zu verzeichnen. Die Abrechnungsdienste sind noch zusätzlich zu betrachten. Jede gezählte Wärmeeinheit oder Warmwasserzapfung wird in den „Standard 1“ und „Standard 2“ meistens von Profis erfasst und ausgewertet, natürlich gegen Bezahlung.

Zückerchen für Investoren

Die zuvor genannten Details zur Abrechnung sind auch für Investoren ein wichtiger Grund dem Konen-Konzept zu folgen. Wer als Investor eine Immobilie nach diesem Muster behält, der hat keine Arbeit oder Schwierigkeit mit der Abrechnung von Nebenkosten. Die Lieferung von Warmwasser und Heizungsenergie erfolgt für jede Wohnung getrennt zusammen mit der Stromrechnung. Es gibt keine Diskussionen über gemeinsame Anteile am Energieverbrauch des gesamten Hauses oder die Wärmeverluste für die Bereitstellung.

Betrieb ohne Pufferspeicher

Im Konen-Konzept wird auf einen Pufferspeicher bewusst verzichtet. Stattdessen werden sämtliche Räume einer Wohnung ohne eine Einzelraumregelung und daher kontinuierlich in die Beheizung einbezogen. Auf diese Weise dient die Masse des Estrichs als Energiespeicher. Die Wärmepumpe kommt damit auf die gewünschten langen Laufzeiten, während die thermische Trägheit der Estrichmasse insgesamt ein Überschwingen von Temperaturen in den Räumen verhindert.

Der Betrieb ohne Einzelraumregelung muss natürlich im Vorfeld mit dem Auftraggeber besprochen werden. Es ist zusätzlich eine Ausnahmegenehmigung notwendig, die auch ohne Einzelraumregelung einen Betrieb gemäß den allgemein anerkannten Regeln der Technik nachweist.

Kleiner Einschub: Ohne Puffer zu arbeiten bedeutet bei der Vorlauftemperatur genau das rauszubekommen, was reingesteckt wird. Liefert eine Wärmepumpe also 35 °C, so wird diese dann auch im Heizsystem ankommen. Wird jedoch zuerst ein Puffer bedient, so „verwässert“ sich die Temperatur in dem Behälter. Es kann niemals mehr das Temperaturniveau entnommen werden, das auch geliefert wurde. Wenn also auf Kosten der Wärmepumpeneffizienz eine höhere Temperatur erzeugt werden muss, um eine niedrigere herauszubekommen, so ist das für die Jahresarbeitszahl der Wärmepumpe abträglich. Ohne Puffer kann die Jahresarbeitszahl daher hör ausfallen. Das Puffern für lange Laufzeiten erfolgt daher im Estrich.

Kosten gegenübergestellt

In einem kalkulierten Beispiel ist ein Wohnpark mit 6 Wohneinheiten einmal nach „Standard 1“ und einmal nach „Konen-Konzept“ angeboten worden. Das Konen-Konzept weist um 792,05 € höhere Kosten pro Wohnung auf. Betrachtet man jedoch die Betriebskosten über einen Zeitraum von beispielsweise 6 Jahren spielt das „Konen-Konzept“ seine Muskeln aus. Die gezeigte Tabelle aus dem von Ulrich Konen durchgeführtem Monitoring einer Anlage belegt die Zusammenhänge sehr augenscheinlich.

Fazit

Die technischen Vorteile des „Konen-Konzepts“ ergeben sich aus den deutlich günstigeren Betriebsbedingungen. Die wohnungsweise Ausstattung mit jeweils einer Wärmepumpe bedarf geringerer Temperaturen als bei einer zentralen Anlage. Das führt zu deutlich besseren Jahresarbeitszahlen. Letztlich werden derzeit Energiekosten von unter 300 € pro Jahr erreicht, wenn nach dem „Konen-Konzept“ installiert wurde. Jeder Nutzer einer Wohnung hat seine Energiekosten im Griff. Die Wohnungsverwaltung ist von lästigen Abrechnungen der Energiekosten befreit, was Investoren als sehr angenehm empfinden.

Es ist also allemal lohnenswert, das „Konen-Konzept“ auch dem eigenen Planungsstil zugrunde zu legen.

Im Standard 1 wird das Trinkwasser erwärmt an die Wohnungen geliefert. Eine Zirkulation ist daher zwingend erforderlich.

Bild: IBH

Im Standard 1 wird das Trinkwasser erwärmt an die Wohnungen geliefert. Eine Zirkulation ist daher zwingend erforderlich.
Im Standard 2 wird das Heizungswasser ganzjährig durchs Haus gefördert, um zu jedem Zeitpunkt die Trinkwassererwärmung zu ermöglichen.

Bild: IBH

Im Standard 2 wird das Heizungswasser ganzjährig durchs Haus gefördert, um zu jedem Zeitpunkt die Trinkwassererwärmung zu ermöglichen.
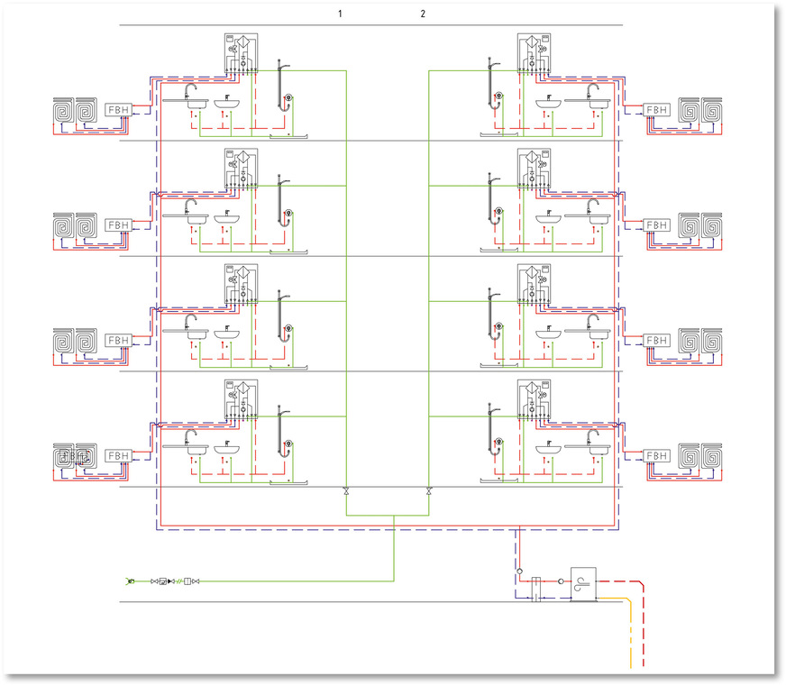
Im Konen-Standard erhält jede Wohnung nur Strom für die Wärmepumpe und Kaltwasser zur Trinkwassererwärmung. Die weiteren Prozesse laufen in der jeweiligen Wärmepumpe innerhalb der Wohnung ab.

Bild: IBH

Im Konen-Standard erhält jede Wohnung nur Strom für die Wärmepumpe und Kaltwasser zur Trinkwassererwärmung. Die weiteren Prozesse laufen in der jeweiligen Wärmepumpe innerhalb der Wohnung ab.
Gegenüberstellung der drei Standards Die Zahlen für eine Standard-Installation dem Konen-Konzept gegenübergestellt. Die Erdbohrungen nach dem Konen-Konzept werden unter das Gebäude gebracht.

Bild: IBH
Bild: Ulrich Konen

Gegenüberstellung der drei Standards Die Zahlen für eine Standard-Installation dem Konen-Konzept gegenübergestellt. Die Erdbohrungen nach dem Konen-Konzept werden unter das Gebäude gebracht.

1 Die Wärmepumpen, die in jeder Wohnung vorhanden sind, nutzen die Erdwärme des Grundstücks.

2 Auf einen Pufferspeicher wurde verzichtet. Die dezentrale Lösung erfordert niedrigere Temperaturen und erzielt bessere Jahresarbeitszahlen als eine zentrale Anlage.

3 Alle Räume werden beheizt, wodurch die Wärmepumpe die gewünschten langen Laufzeiten erzielt. Die Masse des Estrichs dient als Energiespeicher.

4 Eine angepasste Heizkurve und eine Vorlauftemperatur von 32 °C bei -12 °C sind ausreichend, da keine Verlustleistungen auf dem Weg zum Verteiler entstehen.

5 Die Energiekosten können durch die Bewohner individuell gesteuert werden, da jede Wohnung unabhängig beheizt wird.

6 Eine zentrale Abrechnung der Heizkosten entfällt, wodurch der Verwaltungsaufwand reduziert wird.

7 In Sachen Effizienz und Kosten kann die Optimierung des Wärmepumpeneinbaus gemäß „Konen-Konzept“ für alle Beteiligten vorteilhaft sein.

Dipl.-Ing. (FH) Elmar Held
ist verantwortlicher ­Redakteur des SBZ Monteur. Er ­betreibt ein TGA-Ingenieur­büro, ist Dozent an der Handwerkskammer Münster und Hochschule Düsseldorf, sowie ­öffentlich bestellter und vereidigter Sach­verständiger. 
Telefon (0 23 89) 95 10 21
Telefax (0 23 89) 95 10 22

Bild: Held

WERBUNG