Springe auf Hauptinhalt Springe auf Hauptmenü Springe auf SiteSearch
WERBUNG
WERBUNG
WERBUNG

In Reih’ und Glied

Elektrische Grundschaltungen

Elektrische Schaltpläne sehen für den Laien verwirrend aus. Unter den vielen Möglichkeiten, elektrische Verbraucher und Spannungsquellen miteinander zu verbinden, gibt es zwei Grundschaltungen: die Reihenschaltung und die Parallelschaltung.

Christbaum in Reihe
Bei der Reihenschaltung sind die elektrischen Verbraucher oder Spannungsquellen so geschaltet, dass sie vom gleichen Strom nacheinander durchflossen werden. Deshalb heißt die Reihenschaltung auch Serienschaltung oder einfach Hintereinanderschaltung. Im Stromkreis fließt überall der gleiche Strom und es gibt keine Verzweigungen. Die bekanntesten Reihenschaltungen von Spannungsquellen sind die 4,5-V-Taschenlampenbatterie und die Akkumulatorenbatterie im Auto. Jede einzelne Zelle eines Akkus erzeugt eine Spannung von 2 V. Bei der Reihenschaltung addieren sich die Spannungen der einzelnen sechs Zellen zu den bekannten 12V.

Uges =  U1 + U2 + U3 + U4 + U5 + U6

Um die Zahl der einzelnen Zellen zu erhalten, muss man nur die Gesamtspannung durch 2 V teilen. Umgekehrt erhält man die Spannung einer Zelle, indem man die Gesamtspannung durch die Zahl der Zellen teilt. Das Paradebeispiel für eine Reihenschaltung von Verbrauchern ist die elektrische Christbaumbeleuchtung. Die Gesamtspannung geteilt durch die Zahl der Lämpchen ergibt die Spannung eines einzelnen. Bei elf Lämpchen beträgt die Spannung also (230 V : 11 = 20,91 V) rund 21 V. Auch hier ergibt die Summe der Einzelspannungen die Gesamtspannung. Während sich beim Akku die Einzelspannungen addieren, werden sie bei einer Reihenschaltung von elektrischen Verbrauchern von der Gesamtspannung abgezogen. Liegt am ersten Lämpchen der Christbaumbeleuchtung noch die volle Spannung von 230 V an, so sind es am zweiten nur noch 209,09 V. Hinter jedem Lämpchen vermindert sich die Spannung um 20,91 V. In der Reihenfolge geht es weiter bis zur letzten Lampe.

Nur zusammen lebensfähig
Jedes einzelne Lämpchen würde, für sich allein an die Netzspannung angeschlossen, sofort durchbrennen. Alle zusammen brav hintereinander geschaltet, leuchten prächtig. Bei der Reihenschaltung addieren sich nicht nur die Spannungen der einzelnen Verbraucher, sondern auch ihre Widerstände. Der Gesamtwiderstand ist die Summe aller Einzelwiderstände:

Rges =  R1 + R2 + R3 + … + Rn

Der Gesamtwiderstand wird auch Ersatzwiderstand genannt. Für die Spannungsquelle ist es einerlei, aus welchen und wie vielen Einzelwiderständen er sich zusammensetzt. Für den Gesamtwiderstand gilt das Ohmsche Gesetz:

I = Uges / Rges

Das bedeutet, dass der Gesamtwiderstand den Strom bestimmt, der durch den Stromkreis fließt.

I = Uges / Rges

Ebenso unterliegt natürlich auch jeder Einzelwiderstand dem Ohmschen Gesetz. Da in der Reihenschaltung überall derselbe Strom fließt, ist der Spannungsabfall am größten Widerstand am größten und am kleinsten Widerstand am kleinsten, wenn verschiedene Widerstände in Reihe geschaltet sind. Der Spannungsabfall wird nach der Formel

U = R · I

berechnet. Nachfolgend sind die Gesetzmäßigkeiten für die Reihenschaltung zu­sam­men­ge­fasst:

I = I1 + I2 + I3 + ... + In

Uges = U1 + U2 + U3 + ... + Un

Rges = R1 + R2 + R3 + ... + Rn

Eine praktische Anwendung der Reihenschaltung ist die Schaltung mit Vorwiderstand. Solche Schaltungen werden angewandt, wenn elektrische Verbraucher an eine Spannung angeschlossen werden sollen, die höher als ihre Nennspannung ist. Das wäre der Fall, wenn man eine 3-V-Taschenlampenbirne an eine 12-V-Batterie anschließen will. Die Aufgabe des Vorwiderstandes ist es, die überschüssige Spannung zu vernichten.

Vorwiderstände richtig berechnen
Heute werden anstelle von Lampen sehr häufig LEDs eingebaut. Die Abkürzung LED stammt vom englischen „light emitting diode“. Gegenüber Glühlampen sind sie kleiner, erschütterungsfester, haben eine höhere Lebensdauer und – eine geringere Stromaufnahme. Sie arbeiten also mit geringeren Spannungen als herkömmliche Lampen. Noch etwas muss man beim Einsatz von LEDs wissen: Als Halbleiterelement kommt es bei ihnen auf die richtige Polung an. Bei vertauschter Polung wirkt die Leuchtdiode wie ein abgesperrtes Ventil. Sie ist dann stromundurchlässig und leuchtet nicht. Die angelegte Spannung wirkt als Sperrspannung. In den Katalogblättern der Hersteller steht neben der Durchlassspannung (Betriebsspannung) noch die Sperrspannung. Eine zu hohe Sperrspannung zerstört die Diode. Soll nun eine Leuchtdiode mit einer Durchlassspannung von 1,5 V und einem Strom von 20 mA an die Kfz-Batterie von 12 V angeschlossen werden, so ist ein entsprechender Vorwiderstand nötig. Seine Aufgabe ist es, 10,5 V überschüssiger Spannung zu vernichten:

UV = 12 V – 1,5 V = 10,5 V

Da durch den Vorwiderstand der gleiche Strom fließt wie durch die Leuchtdiode, lässt er sich nach ­Papa Ohms Formel leicht berechnen:

RV = UV / I = 10,5 V /0,02 A = 525 Ohm

Damit ist es aber noch nicht genug. Der Vorwiderstand muss den Strom, der durch ihn fließt, auch aushalten können. Schließlich wird in ihm elektrische Leistung in Wärme umgesetzt. Um den richtigen Widerstand auswählen zu können, muss noch die Leis­tung ausgerechnet werden:

P = U · I
P = 10,5 V · 0,02 A
P = 0,21 W

Die Leistung eines Widerstands heißt auch Belastbarkeit. Üblich sind die Abstufungen 0,1 W, 0,3 W, 0,5 W, 1 W und 2 W. Aus dem Katalogblatt eines Herstellers wählt man einen Widerstand mit einer Belastbarkeit von 0,3 W. Verglichen mit der Leistung der Leuchtdiode von 0,03 W ist die des Vorwiderstands sehr hoch. Vorwiderstände zur Spannungsreduzierung kommen deshalb nur bei kleinen elektrischen Verbrauchern in Frage. Denn die Spannungsquelle muss die Leistung liefern, die im Vorwiderstand ohne weiteren Nutzen „verbraten“ wird. In hydraulischer Hinsicht entsprechen Vorwiderstände Strang­regulierventilen, voreinstellbaren Heizkörperventilen und Rücklaufverschraubungen.

Vorsicht Spannung
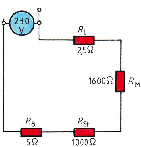
Ein nicht seltener Spezialfall der Reihenschaltung ist der elektrische Unfall. Was beide mit einander zu tun haben, wird deutlich, wenn man den Weg des Stroms beim Unfall verfolgt. Neben der Spannung des berührten Leiters sorgen mehrere Widerstände dafür, wie man sich fühlt, wenn man einen „gepfeffert“ bekommt.

Der Widerstand des menschlichen Körpers RM beträgt im Durchschnitt 1600 Ohm. Ebenso wichtig ist der Widerstand des Standorts RSt. Der ist abhängig Materialeigenschaften wie den Schuhen (trockene oder feuchte Sohle oder barfuß) und der Leitfähigkeit des Bodens (Estrich, Parkett, trockene oder feuchte Erde). Wenn man für den Standortwiderstand 1000 Ohm in die Rechnung einsetzt, liegt man sicher nicht daneben. Mit diesen Widerständen verglichen ist der Lei­tungs­wi­der­stand RL mit 2,5 Ohm und der Widerstand der Betriebserde RB mit 5 W fast vernachlässigbar. Um die Wirkung des Stroms auf das Unfallopfer beurteilen zu können, muss man die Stromstärke nach dem Ohmschen Gesetz berechnen:

I = Uges / Rges

Der Gesamtwiderstand beträgt:

Rges = RL + RM + RSt + RB
Rges = 2,5 Ohm + 1600 Ohm + 1000 Ohm + 5 Ohm
Rges = 2607,5 Ohm

Durch diesen Gesamtwiderstand fließt ein Strom von:

I = U / R

I = 230 V / 2607,5 Ohm

I = 0,088 A

I = 88 mA

Am menschlichen Körper tritt dabei eine Spannung auf von:

U = I · R
U = 1600 Ohm · 0,088 A
U = 141 V

Bekanntlich sind bereits Ströme ab 50 mA lebensgefährlich. Wenn die verletzte Person den Unfall überlebt hat, dann deshalb, weil sie beim elektrischen Schlag zusammengezuckt ist und den stromführenden Leiter gleich wieder losgelassen hat.

Unabhängiger mit Parallelschaltung
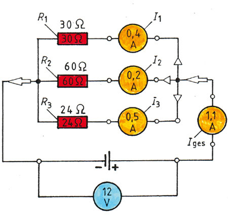
Die zweite Grundschaltung ist die Parallelschaltung. Wenn in der Christbaumbeleuchtung als typischer Reihenschaltung ein Lämpchen durchbrennt, fällt gleich die ganze Lichterkette aus. Diesen Nachteil vermeidet die Parallelschaltung. Sie ermöglicht es, einzelne elektrische Betriebsmittel unabhängig von einander zu betreiben. Darum ist sie auch in der Praxis weit häufiger als die Reihenschaltung. Die elektrischen Verbraucher im Haushalt, wie Fernseher, Beleuchtung, Ölbrenner usw., sind alle parallel zueinander angeschlossen. Alle Stromversorgungsnetze sind nach dem Prinzip der Parallelschaltung aufgebaut. Bei der Parallelschaltung liegt an allen elektrischen Verbrauchern die gleiche Spannung an. Durch jeden Verbraucher fließt ein Strom, der seinem Widerstand entspricht. An den Verzweigungspunkten addieren sich die einzelnen Ströme zu einem Gesamtstrom bei gleich bleibender Spannung.

Iges = I1 + I2 + I3 + ...

Im Gegensatz dazu addiert sich bei der Reihenschaltung die Spannung bei gleichem Strom. Nicht verwechseln: Würden bei der Auto­batterie die einzelnen Zellen parallel geschaltet, so käme eine Spannung von 2 V heraus, aber mit einem größeren elektrischen Strom als in der üblichen Reihenschaltung. In der Praxis kommt die Parallelschaltung von galvanischen Elementen als Spannungsquelle nur selten vor. Aber zum Wiederaufladen werden die kleinen Nickel-Cadmium-Akkus im Ladegerät parallel geschaltet. Parallel geschaltete Spannungsquellen sind Kraftwerke. Aus der Steckdose kommen fast überall 230 V heraus, unabhängig davon, wie viele Verbraucher am Netz hängen.

Noch ein Ersatzwiderstand
Auch in der Parallelschaltung gilt für den Einzelwiderstand das Ohm­sche Gesetz (I = U). Mit seiner Hilfe lässt sich berechnen, dass durch den kleins­ten Widerstand der größte Strom fließt, und umgekehrt durch den größten Widerstand der kleinste Strom. Da das Ohmsche Gesetz in der Parallelschaltung gilt, liegt die Frage nahe, ob es nicht auch einen Ersatzwiderstand wie in der Reihenschaltung gibt. Im Gegensatz zur Reihenschaltung addieren sich
die einzelnen Ströme. Wenn man nun in die Formel des Gesamtstroms

Iges = I1 + I2 + I3 + ...

die Formel

I = U / R

für den Strom einbaut, erhält man folgende Formel:

U / Rges = U/R1 + U/R2 + U/R3 …

Da in der Reihenschaltung überall die gleiche Spannung anliegt, kann man die Gleichung durch die Spannung dividieren und erhält:

1/Rges = 1/R1 + 1/R2 + 1/R3 + …

Das ist der Ersatzwiderstand der Reihenschaltung. Nur leider ist die Formel etwas unhandlich, und Bruchrechnen ist auch nicht jedermanns Sache. Einfacher wird es, wenn eine Parallelschaltung nur aus zwei Widerständen besteht. Der Ersatz- oder Gesamt­widerstand lautet dann:

Rges = R1 · R2 / R1 + R2

Der Gesamtwiderstand einer Parallelschaltung ist immer kleiner als der kleinste Einzelwiderstand. Jeder parallel geschaltete Widerstand bedeutet zusätzlichen Leiterquerschnitt, durch den Strom fließen kann. Je mehr Widerstände in einer Parallelschaltung vorhanden sind, desto kleiner wird der Gesamtwiderstand, und desto größer wird der Strom, der fließen kann. In der Praxis bedeutet das, dass man beliebig viele Verbraucher an eine Parallelschaltung anschließen kann – vorausgesetzt, die Spannungsquelle macht nicht schlapp. Sind zum Beispiel ein Heizlüfter mit einer Stromstärke von 9 A und eine Waschmaschine, die dem Netz bei vollen Touren 15 A entnimmt angeschlossen, fließt bei gleichzeitigem Betrieb beider Geräte ein Gesamtstrom von:

Iges = I1 + I2
Iges = 9 A + 15 A
Iges = 24 A

Eine 16-A-Sicherung setzt diesem Exzess ein Ende und sorgt dafür, dass die Zuleitungen nicht über­lastet werden und durch Überhitzung in Brand geraten.

Warmwasserbereiter mit Widerständen
Zwei praktische Beispiele parallel geschalteter elektrischer Verbraucher sind die Heizwiderstände in elektrischen Warmwasserbereitern und Kochplatten. Einerlei, ob es sich um Kochendwassergeräte, Speicher oder Durchlauflauferhitzer handelt, der Heizwiderstand ist immer in einzelne parallel geschaltete Widerstände unterteilt.
Die Heizleistung ist meist in sechs Stufen unterteilt, wie aus den Ziffern am Drehknopf des Schalters hervorgeht. In ebenso viele Einzelwiderstände ist der gesamte Widerstandsheizkörper unterteilt. Mit jeder höheren Schaltstufe wird ein weiterer Heizwiderstand dazugeschaltet.
Reihen- und Parallelschaltungen trifft man – wie man sieht – in der Elektrotechnik häufiger an. Nicht umsonst bezeichnet man sie als Grundschaltungen, an den der Anlagenmechaniker SHK als Elektrofachkraft ganz sicher nicht vorbeikommt.

WERBUNG