Springe auf Hauptinhalt Springe auf Hauptmenü Springe auf SiteSearch
WERBUNG
WERBUNG
WERBUNG

Heizlast-Berechnung einfach gemacht

Wärmebedarf am PC ermitteln

Gut zwei Jahre nach Erscheinen des deutschen Anhangs [1] zur Heizlastberechnung nach DIN EN 12831 [2], ist die Bereitschaft der Branche, das neue Regelwerk in die Praxis umzusetzen eher gering. Das mag daran liegen, dass der Planer und Ersteller von Heizungsanlagen eine gewisse Abneigung gegen die Umsetzung neuer Bestimmungen hat. Schließlich kennt man das Altbewehrte und das Neue ist ungewohnt und scheinbar schwierig umzusetzen. Lässt man sich aber vom „Kollegen Computer“ unterstützen, dann hat man die Heizlastberechnung nach neuer Normung schnell im Griff. Lesen Sie hier, wie anhand eines Musterraumes und mit Hilfe eines Softwareprogrammes die Heizlast auf schnelle und einfache Art und Weise berechnet werden kann. Den schließlich soll ja die Heizlast nicht zur Last werden.

Das Gebäude erfassen
Als Grundlage der Berechnung dient der Klimareferenzort mit der Normaußentemperatur und der Temperatur des Jahresmittels. Im Beispiel dieses Beitrages steht das Objekt in Köln mit der Normaußentemperatur von -10 °C und 8,1 °C für das Jahresmittel. Unter den allgemeinen Gebäudedaten fallen die Gebäudeart (Einfamilienhaus,  Mehrfamilienhaus und Nichtwohngebäude) sowie die Grundfläche, Gebäudehöhe und die Grundwassertiefe. Eine neue Angabe ist mit dem Wärmebrückenzuschlag zu wählen. Alle Bauteile, die an die Außenluft, an unbeheizte Räume oder an das Erdreich angrenzen, bekommen einen Zuschlag auf den U-Wert von 0,05 W/m_K oder 0,10 W/m_K. Vereinfacht  kann der Zuschlag von  0,05 W/m_K für den Neubaubereich und  der höhere Wert von 0,10 W/m_K für den Gebäudebestand angenommen werden.

Die letzten beiden Parameter beziehen sich auf die Abschirmung des Gebäudes und auf die Frage, wie dicht ist die Gebäudehülle. Steht ein Gebäude beispielsweise im Stadtzentrum, kann man von einer guten Abschirmung sprechen. Ist das Haus weniger gut vor Wind geschützt (z. B. Vorstadt), ist die Abschirmung eher moderat. Bei Objekten ohne Schutz vor Wind ist die Abschirmung schlecht. In Sachen Gebäudehülle gibt es ebenfalls drei Unterscheidungen. Hier gibt es eine dichte Hülle, welche bei Neubauten angenommen werden kann. Die nicht ganz dichte Gebäudehülle findet man im gut gedämmten Gebäudebestand.  Eine weniger dichte Gebäudehülle ist bei Häusern zu finden, die insgesamt weniger gut wärmegedämmt sind, z. B. Gebäude mit einfachverglasten Fenstern.


Die Etagen anlegen
Zur Ermittlung der Heizlast können bei der Arbeit mit dem Berechnungsprogramm vier verschiedene Geschosstypen gewählt werden: das Dachgeschoss, das Obergeschoss, das Erdgeschoss und das Untergeschoss. Mit den Geometrien sind als erstes die Maße von der Geländeoberkante bis Oberkante Fertigfußboden anzugeben. Die Geschosshöhe (Oberkante Fertigfußboden bis zur Oberkante Fertigfußboden des nächsten Geschosses) und die Deckendicke sind ebenfalls hier einzutragen. Der Abstand zwischen dem Grundwasser und der Bodenplatte (z-Maß) definiert den GW Faktor. Ist die Bodenplatte nicht weiter als drei Meter vom Grundwasser entfernt, beträgt der GW Faktor 1,15. Bei einem Abstand von mehr als drei Metern zum Grundwasser beträgt der GW Faktor 1,0.  Die letzte Aufgabe des Planers liegt bei der Erfassung der Geschosse in der Ermittlung des Parameters B´ (nur bei Etagen die an das Erdreich angrenzen), der mit Hilfe des erdreichberührten Umfangs P bestimmt wird. Der Parameter B´ ergibt sich aus der Grundfläche des Gebäudes, durch den halben erdreichberührten Umfang. Zum erdreichberührten Umfang führt die Frage, welche Flächen der Grundplatte direkt von Erdreich berührt werden. Der Parameter B´ wird später für die Ermittlung der Verluste über die Bodeplatte an das Erdreich  benötigt.

Von den Geschossen in die Räume
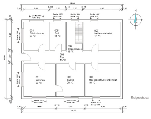
In unserem Beispiel betrachten wir den Wohnraum im Erdgeschoss. Nach der Beschreibung der allgemeinen Raumdaten wie Wohneinheiten, Raumnummern, Raumarten (mit den dazugehörigen Raumtemperaturen) und der Raumbezeichnung, erfolgt die Raumgeometrie. Bei der Ermittlung der Raumgeometrie ist darauf zu achten, dass dazu die Rauminnenmaße (lichte Maße) zu wählen sind. Im Ergebnis erhält man das Raumvolumen, welches zur Berechnung des Lüftungswärmeverlustes benötigt wird. Als weiteren Faktor für den Bedarf an Lüftungswärme ist der Mindestluftwechsel des Raumes anzugeben. Dieser ist abhängig von der Art der Raumnutzung. So hat ein Wohnraum nach Norm einen 0,5-fachen Luftwechsel in der Stunde, ein Badezimmer dagegen hat einen 1,5-fachen stündlichen Luftwechsel. Das Raumvolumen multipliziert mit dem Luftwechsel des Raumes ergibt den hygienischen Mindestluftvolumenstrom. Bei Wohngebäuden ohne mechanische Belüftung  entspricht dieser oftmals dem Luftvolumenstrom aus dem der  Lüftungswärmeverlust berechnet wird.

Transmissionswärmeverluste ermitteln
Um die Berechnung der Heizlast abzuschließen, werden noch die Verluste aus der Transmission (Wärmeverluste durch Bauteile hindurch) benötigt. Der erste Schritt ist die Auswahl des Bauteiltyps. In unserem Beispiel (Wohnzimmer) beginnen wir im Norden mit der Innenwand, die an den Flur mit 15 °C angrenzt. Gewählt wird also der  Bauteiltyp Innenwand (IW); diese grenzt an einen beheizten (b) Raum an und ist nach Norden ausgerichtet. Die Höhe des Bauteils beträgt 2,8 m und die Breite 4,76 m. Die Breite ist über die Außenmaße zu ermitteln. Das bedeutet das lichte Innenmaß wird mit der Außenwanddicke und der halben Innenwanddicke addiert (4,40 m + 0,30 m + 0,055 m = 4,76).  Der U-Wert der 0,115 m dicken Wand beträgt 0,95 W/m_K. Der Wärmebrückenzuschlag entfällt, da das Bauteil an einen beheizten Raum angrenzt. Das ergibt einen Transmissionsverlust der Innenwand von 87 W. Als nächster Schritt wird die Abzugsfläche „Tür“ erfasst. Von der davor ermittelten Innenwandfläche wird die Fläche der Tür in Abzug gebracht.  Dann werden die Verluste der Tür auf die gleiche Weise bestimmt wie die der Innenwand. Bearbeitet man die Bauteile im Uhrzeigersinn, folgt die Innenwand, die an die Küche anraint. In diesem Fall grenzen 20 °C an 20 °C. Da hier kein Wärmefluss stattfindet, ist es folglich auch nicht nötig, das Bauteil zu erfassen. Das gleiche gilt für die Decke. Über dem Wohnzimmer liegt im Obergeschoss ein Raum mit gleicher Temperatur. Es fließt hier keine Wärme - das aufnehmen der Decke erübrigt sich hier. Es folgt die Eingabe der Außenwände einschließlich der Fensterflächen. Alle Verluste der Außenbauteile werden auf gleicher Weise wie die Innenbauteile erfasst. Nur muss der U-Wert der Bauteile durch den Wärmebrückenzuschlag nach oben zuzüglich 0,05 W/m_K korrigiert werden. Im letzten Schritt ist der Verlust durch den Fußboden an das Erdreich zu bestimmen. Nach Auswahl des Bauteiltyps und der Angrenzart Erdreich (g) wird die Bauteilfläche errechnet. Das geschieht auch hier über die Außenmaße. Die Bauteilfläche multipliziert mit dem U-Wert (Uequvi) und dem Korrekturfaktor (fg2) ergibt den HT-Wert. Multipliziert man den HT-Wert mit der Gesamttemperaturdifferenz [20 °C - (-10 °C)], erhält man im Ergebnis den Wärmeverlust an das Erdreich.

Zum Abschluss die Ergebnisse
Alle Wärmeverluste aus Transmission werden addiert. Zusammen mit den Verlusten aus dem Lüftungswärmebedarf errechnet sich die Nettoheizlast. Die Verluste aller Räume ergeben die Heizlast für das Gebäude und bilden somit eine Kennzahl für die Dimensionierung des Wärmeerzeugers.  Zu beachten ist, dass der interne Wärmefluss zwischen den Räumen nicht in die Ermittlung der Heizkesselgröße einfließt. Dieser ist nur für die Auslegung der Heizflächen nötig. Das Ergebnis ist eine exakt berechnete und ausgelegte Anlage die den Endkunden zufrieden stellt und dem Planer der Anlage eine gewisse Rechtssicherheit gewährleistet.

Der Weg zu diesem Ziel ist dank des Softwareeinsatzes nicht allzu weit. Natürlich muss man sich auch mit dem Programm auskennen. Aber hier gilt - wie so häufig - das Prinzip des „learning-by-doing“. Abläufe und Arbeitsschritte automatisieren sich beim Software-Nutzer nach kurzer Zeit. Und der muss sich dann nicht mehr mit neuen Normen quälen, sondern kann wieder dafür sorgen, wofür er eigentlich da ist: nämlich dafür, dass es im Haus warm bleibt.

WERBUNG