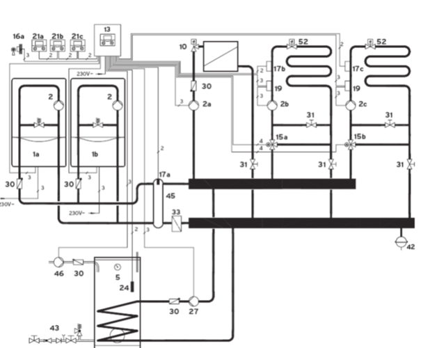
Ein Anlegethermostat, oder auch Maximalthermostat muss beim überschreiten einer festgelegten Temperatur den betreffenden Heizkreis außer Betrieb nehmen. Dies geschieht in der Regel direkt durch das abschalten der Heizungspumpe des Kreises (siehe Grafik Hydraulik Bauteil 19 auf 2b / 2c). Der Thermostat kann aber auch über den sog. Alarmkontakt (Anl.Th.) am Wärmeerzeuger direkt angschlossen werden (siehe Grafik). Bei Fußbodenheizungssystemen stellt man den Thermostaten ca. 10K über Auslegetemperatur ein.
       
    
       
    
 
     
     
     
     
     
    