Springe auf Hauptinhalt Springe auf Hauptmenü Springe auf SiteSearch
WERBUNG
WERBUNG
WERBUNG

Alles oder Nichts (Teil 2 von 3)

Den Teil 1 gibt es hier!

Effizienz ist eine Frage der richtigen Planung

Bei der Planung einer Wärmepumpenanlage kann man alles Richtig machen und damit die hohe Effizienz einer Wärmepumpenanlage nutzen, oder vieles falsch machen und "Nichts" bekommen. Im zweiten Teil geht es um die Gebäude!

Planung im Neubau

Bei der Planung einer Heizungsanlage im Neubau sind einige grundlegende Informationen wichtig, die Einfluss auf die möglichen Systemvarianten haben. Zunächst ist der Gebäudetyp zu bestimmen. Handelt es sich um ein Ein- oder Mehrfamilienhaus? Wird das Objekt als Wohn-/ Geschäftshaus oder gemischt genutzt?

Auswahl der Wärmequelle für neu zu errichtende Anlagen

Auslegung der Vorlauftemperaturen

Prinzipiell soll der Wärmebedarf bei einer möglichst niedrigen Vorlauftemperatur übertragen werden. Entsprechend ist das Wärmeverteilsystem der Anlage auszulegen. Eine um 1 Grad niedrigere Vorlauftemperatur spart ca. 2,5 % Energie. Die maximale Vorlauftemperatur einer Wärmepumpenheizungsanlage sollte nicht höher als 55 °C liegen. Dazu passen besonders große Heizflächen wie z. B. Fußbodenheizungen.

Auswahl der Wärmequelle

Welche Wärmequelle zu Einsatz kommt, ist abhängig von folgenden Einflussgrößen:

Investitionskosten:

- Hier sind Kosten für die Wärmepumpe und die Wärmenutzungsanlage

aber auch Erschließungskosten der Wärmequelle zu berücksichtigen.

Betriebskosten:

- Entscheidend ist hier die zu erwartenden Jahresarbeitszahl der Wärmepumpe. Diese ist abhängig vom Wärmepumpentyp, der durchschnittlichen Wärmequellentemperatur und der benötigten Vorlauftemperatur.

Zentralheizung im Neubau

Bei einer Zentralheizung versorgt ein zentraler Wärmeerzeuger mehrere Wohn- oder Nutzeinheiten oder ein komplettes Gebäude. Es handelt sich entweder um einen ausreichend großen, einzelnen Wärmeerzeuger oder um eine Kaskade aus mehreren, in Reihe oder parallel geschalteten Geräten.

Kaskadenlösung zur zentralen Beheizung Bild: Vaillant
Kaskadenlösung zur zentralen Beheizung Bild: Vaillant

Die Warmwasserbereitung kann über einen zentralen Warmwasserspeicher mit Nachheizung über einen zweiten Energieträger realisiert werden (Bivalente Wärmeerzeugung). Alternativ können (elektrische) Durchlauferhitzer oder Wohnungsstationen für jede Wohn-/Nutzeinheit eingeplant werden. Wohnungsstationen können zur dezentralen Wärmeabgabe für Raumheizung und Warmwasserbereitung eingesetzt werden. Jede Wohneinheit wird nur einmal an die Hauptleitung angeschlossen, die Warmwassererzeugung erfolgt im Durchflussprinzip direkt in der Wohnung.

Zur Abrechnung der Nebenkosten müssen die einzelnen Wohn-/Nutzeinheiten mit Wärmemengenzählern ausgestattet werden.

Erforderliche Planungsinformationen

Grundlage für die weitere Planung und die erforderlichen Berechnungen sind die folgenden Informationen:

-Größe der zu beheizenden Fläche

-Anzahl der Wohn- oder Nutzeinheiten

-Anzahl der Bewohner/Nutzer

-Größe des Grundstücks, Lage und Baumbestand prüfen

-Möglichkeiten der Luft-/Abgasführung; ist ein Kamin geplant, ggf. Kaminhöhe

-eventuell Statische Nachweise für die Installation einer solarthermische Anlage

Beim Neubauvorhaben ist es sinnvoll, sich gemeinsam mit dem Bauherren und dem beauftragten Architekten vor Beginn der Baumaßnahme abzustimmen. Darüber hinaus sind weitere Absprachen mit allen am Bau beteiligten Gewerken (Tiefbau, Hochbau und Haustechnik) notwendig.

Bauaustrocknung

Problemstellung bei Wärmepumpen mit Erdsonden / Erdregister

Erdsonden bzw. Erdregister werden für max. 1800 bzw. 2100 Betriebsstunden pro Jahr (mit und ohne Warmwassererwärmung) und entsprechender Entzugsleistung ausgelegt. Mit einer normalen Betriebsweise und einer Begrenzung der Betriebsstunden bei Wärmepumpen mit Erdsonden wird die thermische Erholung des Erdreichs sichergestellt. Mit dem zusätzlichen Einsatz für eine Bauaustrocknung, bzw. Bautemperierung werden die maximal zulässigen Betriebsstunden erheblich überschritten. Dadurch wird das die Erdsonde umgebende Erdreich zu stark abgekühlt, im Extremfall gefriert es sogar. Ein unterschiedliches Dehnverhalten von Erdreich und Sonde kann beim späteren Auftauen zur Bildung von Hohlräumen führen. Die Wärmeübertragung wird gemindert oder sogar unterbunden. Die Erdsonde bringt die geforderte Leistung nicht mehr und muss ersetzt werden.

Beispiel, mit folgender Annahme: In der Regel laufen Estrich-Trocknungsprogramme 30 Tage. 30 Tage x 24h= 720h. Das hat zur Folge, dass bereits gut 1/3 oder 30% der Quellenleistung entnommen worden sind. Besser ist es mit einem "Notheizsystem" den Estrich zu Trocknen. Das schont die Quelle und zuletzt und langfristig auch den Geldbeutel. Zudem sind alle mit der Performance der installierten WP zufrieden.

Baustellenheizug Notheizung Elektrisch 15 kW mit Esstrichaufheizprogramm - 
Funktionsheizen Außentemperaturfühler Bild: picClick DE
Baustellenheizug Notheizung Elektrisch 15 kW mit Esstrichaufheizprogramm - Funktionsheizen Außentemperaturfühler Bild: picClick DE

Problemstellung bei Wärmepumpen Luft / Wasser

Luft / Wasser Wärmepumpen können grundsätzlich zur Bauaustrocknung und/ oder Bautemperierung verwendet werden. Allerdings verbieten diverse Hersteller / Lieferanten diesen Einsatzbereich für ihre Luft / Wasser Wärmepumpen. Beim Neubau von Gebäuden werden große Mengen an Wasser für Mörtel, Putz, Gips und Tapeten verarbeitet. Regen, der im Rohbau in den Baukörper eindringt, erhöht die Feuchtigkeit zusätzlich. Dieses Wasser benötigt Zeit, um zu verdunsten. Feuchtigkeit erhöht den Wärmebedarf des Gebäudes in den ersten Heizperioden.

Daher sollte die Bauaustrocknung unbedingt durch spezielle Geräte unterstützt und beschleunigt werden. Besonders bei einer Bauaustrocknung im Herbst oder Winter und dem Einsatz einer Wärmepumpe sollte ein zusätzlicher Elektro-Heizstab installiert werden, um den anfangs erhöhten Wärmebedarf zu decken.

Planung in Bestandsgebäuden                                                                                                                                                                                                                                                              Im Zusammenhang mit der Planung einer heizungstechnischen Anlage im Bestand stellen sich Fragen wie: Soll nur die Heizungsanlage erneuert werden, oder welche Sanierungsmaßnahmen

stehen insgesamt an? Soll der Energieträger gewechselt werden, und kommen auch Systeme zur Nutzung regenerativer Energien in Betracht? Wichtig ist, dass bei einer wesentlichen Veränderung oder Neuinstallation einer Heizungs-, Warmwasser- oder Lüftungsanlage in einem Bestandsgebäude die Anforderungen der Energieeinsparverordnung (EnEV) zu beachten

und umzusetzen sind. Im Falle der Sanierung oder Erneuerung des Heizungssystems in einem Bestandsgebäude, sind im Vorfeld der Planung Abstimmungen mit dem Objekteigentümer zu treffen um das Heizungskonzept festzulegen. Im Nachgang ist dieses Konzept im Hinblick auf die Wirtschaftlichkeit und Energieeffizienz durch den Fachhandwerker oder Planer zu überprüfen.

Die folgenden Punkte sollten im Rahmen der Planung geprüft und abgestimmt werden:

- Informationen zum Energieträger

- Welcher Energieträger ist vorhanden (gasförmig, flüssigoder Strom)?                                                                                                                                                                                                    - - In welchem Zustand befindet sich die Öltank- oder Flüssiggasanlage bzw. die Erdgas-Hauseinführung

- Soll ein alternativer Energieträger eingesetzt werden

- Größe des Grundstücks, Lage und Baumbestand prüfen

- Maßnahmen zur Gebäudesanierung beachten (Dämmung von Außenwänden oder Dach, Einbau neuer Fenster)

- Art der Warmwasserbereitung und benötigte Warmwassermenge  (Standard 25, Komfort 37,5 oder Luxus 50) (Angaben Liter pro Tag und Person)

- Bestehendes Wärmeverteilnetz prüfen

- Verwendung bestehender Heizflächen prüfen

- bei bivaleten Anlagen Möglichkeiten der Luft-/Abgasführung prüfen

- Falls vorhanden Kamin auf Tauglichkeit prüfen, ggf. Sanierung einplanen Abstimmung mit dem Schornsteinfeger

- Statischen Nachweis fordern (z. B. für das Dach, falls eine Solaranlage eingeplant wird)

Neben den geometrischen und bauphysikalischen Angaben zum Objekt sind diese Informationen wichtig für die Planung möglicher Systemvarianten.

Auswahl der Wärmequelle (Sanierung)

Bei der Gebäudesanierung ist es nicht immer möglich einen Erdwärmekollektor, eine Erdwärmesonde oder Brunnenanlage zu errichten. So bleibt häufig nur die Wärmequelle Außenluft.

Luft steht überall zur Verfügung. Zwar sind die zu erwartenden Jahresarbeitszahlen geringer als bei Wasser- und Soleanlagen, aber der Aufwand für die Erschließung der Wärmequellenanlage ist deutlich geringer. Ein wichtiger Punkt bei der Auswahl der Wärmequelle Luft ist die Geräuschemission (Schall).

Wärmeverluste vor und nach einer Gebäudesanierung Grafik: DENA
Wärmeverluste vor und nach einer Gebäudesanierung Grafik: DENA

Notwendige Sanierungsmaßnahmen

Ist keine Fußbodenheizung vorhanden und kann auch keine nachträglich installiert werden, sollten die folgenden Ersatzmaßnahmen beachtet werden, um eine ausreichende Erwärmung aller Raume sicherzustellen. Dabei ist die Überprüfung und Anpassung der Heizflächen genauso wichtig, wie die Auswahl der anlagenspezifischen Leistung.

- Liegt die benötigte Vorlauftemperatur unter 55 °C sind keine zusätzlichen Maßnahmen erforderlich.

- Es kann jede Niedertemperatur-Wärmepumpe für Vorlauftemperaturen bis 55 °C eingesetzt werden.

Liegt die Raumtemperatur nur in einigen Räumen unter der Wunschtemperatur des Kunden, z.b. wird bei 55 °C Vorlauftemperatur die Raumtemperatur nicht erreicht, sollten gering Investigative Maßnahmen ergriffen werden, um die Ziele zu erreichen. Hierfür müssen nur die Heizkörper in den betroffenen Räumen ausgetauscht werden, um den Einsatz einer Niedertemperatur-Wärmepumpe zu ermöglichen. Anschließend empfiehlt es sich einen hydraulischen Abgleich durchzuführen.

- Sind Vorlauftemperaturen von > 55 °C bis 75 °C erforderlich, muss das gesamte Heizungssystem umgestellt bzw. angepasst werden.

Der Wärmebedarf des Gebäudes kann durch:

- Fenstertausch

- Reduzierung der Lüftungsverluste und

- Dämmung von Geschossdecken, Dachstuhl und/oder Fassaden veringert werden.                                                                                                                                                                         Diese Sanierungsmaßnahmen haben folgende Ziele:

- Durch einen geringeren Wärmebedarf kann eine kleinere und damit günstigere Wärmepumpe eingesetzt werden.

- Der geringere Wärmebedarf bedeutet eine Verringerung des Jahresheizenergiebedarfs, den die Wärmepumpe liefern muss.

- Dieser Wärmebedarf kann mit niedrigeren Vorlauftemperaturen gedeckt werden und verbessert die Jahresarbeitszahl

- Die bessere Wärmedämmung führt zur Erhöhung der mittleren Oberflächentemperaturen der raumumschließenden Flächen. So wird bei niedrigeren Raumlufttemperaturen

die gleiche Behaglichkeit erreicht.

Einfaches Hybrides Wärmepumpensystem Grafik: Vaillant
Einfaches Hybrides Wärmepumpensystem Grafik: Vaillant

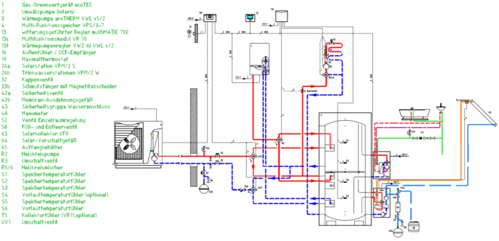
Zusatzheizung mit fossilen Energieträgern (Hybridsystem)

Die Zusatzheizung mit fossilen Energieträgern kommt oft in Bestandsgebäuden zum Einsatz da hier bereits eine Energiequelle (Gas) vorhanden ist. Es ist eine Kombination aus erneuerbarer Energie und fossilen Brennstoffen. Dieses System wird auch Hybridsystem genannt. Das Hybridsystem vereint z. B. die kostenlosen Umwelterträge einer Wärmepumpe mit einer Gasheizung. Dabei deckt die Wärmepumpe hauptsächlich den Heizwärmebedarf in den Übergangszeiten mit Außentemperaturen ≥ 0 °C ab (Grundlast). Die Gasheizung wiederum deckt den Heizwärmebedarf bei niedrigen Außentemperaturen ab. Die Warmwasserbereitung erfolgt ausschließlich über das Gasgerät. Durch die Kombination beider Technologien ergibt sich eine deutliche Energie- und Kostenersparnis gegenüber dem alleinigen Betrieb einer Wärmepumpe oder eines Gasgerätes im Bestandgebäude.

Hydraulikplan eines Hybridsystems Grafik: Vaillant
Hydraulikplan eines Hybridsystems Grafik: Vaillant

wird Fortgesetzt

 

 

WERBUNG