Springe auf Hauptinhalt Springe auf Hauptmenü Springe auf SiteSearch
WERBUNG
WERBUNG
WERBUNG

Die Luft muss raus

Durch Gluckern macht es auf sich aufmerksam, das Gas in einem Heizungssystem. Aber alleine die entstehende Geräuschkulisse veranlasst den Anlagenmechaniker nicht zu seinen vielfältigen Maßnahmen, um die Luft raus zu lassen, pardon das Gas zu vertreiben.

Heizfest! (Denn warum soll es auf ’m Bau immer nur ein Richtfest geben...?) Die niegelnagelneue Heizungsanlage ist soeben befüllt worden und man kommt leicht verschwitzt mit dem Lüftungsschlüssel und einer leeren Sprudelflasche zurück in den Heizungskeller. ‚Cheffe’ hat bereits den Ein-Schalter der Anlage betätigt - Ehre wem Ehre gebührt. Schon in einiger Entfernung zur anlaufenden Umwälzpumpe hört man nun dieses unregelmäßige Treiben der Gasperlen durch das Rohrsystem. Eigentlich könnte man direkt noch mal durch den Bau hechten und entlüften und morgen nochmals und übermorgen... Dabei sind die akustischen Signale, also das hörbare Perlen der Gasblasen, nicht das schlimmste Problem. Also warum Entgasung und nicht nur Entlüftung? Und vor allem: Was bringt eine Entgasung des Heizungswassers eigentlich?

Folgen für das System
Wenn das Gas im Heizungssystem nicht stören würde, müsste man es auch nicht entfernen. Und alleine die Tatsache, dass es gluckert, macht es ja noch nicht gefährlich. Aber ein auch nur zum Teil mit Luft gefüllter Heizkörper wird nicht mehr gleichmäßig erwärmt, das weiß man aus Erfahrung. Nach einer klassischen Entlüftung über das Lüftungsventil nimmt dieser dann meistens klagund geräuschlos seinen Dienst wieder auf. Gas in der Rohrleitung kann also den Wassertransport durch das System verzögern oder gänzlich verhindern. Gas im Heizsystem kann auch die Erosion an den Rohrwandungen verstärken. Ein gleichmäßig bewegter Wasserfilm sorgt also für weniger Materialabtrag, als ein Wasserfilm der immer wieder durch Gasblasen unterbrochen wird. Man kann es sich wie bei einer Säge vorstellen: Wird das Sägeblatt mit seinen Zähnen hin und her bewegt, schlitzt es den Werkstoff. Ein in die Jahre gekommenes,
zahnloseres Sägeblatt (in Fachkreisen auch „Todesraspel“ genannt :-)) würde diese Wirkung - auch bei dem ganzen hin und her - nicht erzielen. Luft, wenn diese in ein Heizungssystem eindringt, führt natürlich über den enthaltenen
Sauerstoff auch ein gewisses Korrosionspotenzial mit sich; noch ein Grund, eine Heizungsanlage zu entgasen.


Luft und Gas
Mit jedem Füllvorgang einer Heizungsanlage wird die im Füllwasser gelöste Luft ebenfalls in das System eingetragen. Das Wasser kann abhängig von Druck und Temperatur unterschiedlich unterschiedlich viel Luft aufnehmen. Betrachten wir zuerst den Druck als Einfluss auf die Löslichkeit für Gase. Jedem ist es mehr als einmal aufgefallen: Beim erstmaligen Öffnen einer Sprudelflasche entweicht perlend das aufsteigende Gas aus der Flasche. War sie noch eben prall gefüllt und zeigte nur wenige Perlen, herrscht nach der Druckabnahme durch Öffnung plötzlich Sektstimmung. Hoher Druck auf eine Flüssigkeit bedeutet also ein hohes Lösevermögen für Gas, und entsprechend umgekehrt wird bei sinkendem Druck ein gelöstes Gas aus einer Flüssigkeit langsam entweichen. Im Vakuum wäre dann theoretisch nix mehr gelöst. Nun kurz zur Temperaturabhängigkeit für das Lösevermögen von Gasen in Flüssigkeiten. Auch hier ist ein alltägliches Beispiel hilfreich, um den Hintergrund zu erkennen: Im Kochtopf, gefüllt mit normalem Leitungswasser, beginnt das erste Perlen der Gasblasen schon recht früh, jedenfalls deutlich vor dem Erreichen der Siedetemperatur von 100 °C. Die Gasperlen entweichen als erstes am Boden des Kochtopfes, also an der heißesten Stelle im Übergang von Kochtopf und Wasser. Bereiche im Topf, die diese Temperatur noch nicht erreicht haben, sind noch in der Lage, das enthaltene Gas zu lösen. Erst die ansteigende Temperatur befreit das Wasser zunehmend vom enthaltenen Gas. Diese Zusammenhänge von Druck und Temperatur über die Lösemöglichkeit von Wasser für Gase hatte bereits William Henry um 1800 herum beobachtet und veröffentlicht.


Entgasen statt entlüften
Eine letzte vorbereitende Frage ist noch zu klären: Warum spricht man von Entgasung und nicht zwingend von Entlüftung? Ganz einfach: Obwohl natürlich der Eintrag des Gases in eine Heizungsanlage tatsächlich Luft enthält, verändert sich diese Zusammensetzung schon nach sehr kurzer Verweilzeit des Füllwassers in der Heizungsanlage. Die Luft besteht ja aus Sauerstoff und Stickstoff, mal abgesehen von den Spurenanteilen anderer Gase. Während der Sauerstoff sich aber gierig an chemischen Reaktionen abarbeitet und meistens zu Rost mutiert, bleibt Stickstoff unbeteiligt im System enthalten. Die genaue Zusammensetzung der ehemaligen Luft ist also bereits nach kurzem Aufenthalt im System nicht mehr ohne weiteres bestimmbar. Übrigens kann Luft auch noch während des Betriebs in das System gelangen. Diffusion von Luft durch nicht diffusionsdichte Rohrwerkstoffe kann dies beispielsweise begünstigen.
Aber am häufigsten schnüffelt die Heizung nach Luft wegen mangelhafter Druckhaltung. Das Membranausdehnungsgefäß ist vielfach nicht richtig in Betrieb genommen worden. Aber das ist ein anderes Thema.

Raus mit dem Gas!
Wenn das Gas einmal drin ist im System, lässt man es sinnigerweise an einer hoch gelegenen Stelle, am sogenannten Entlüftungsventil, wieder ab. Jeder Heizkörper verfügt über diesen schlichten Mechanismus. Und der Verteiler der Fußbodenheizung ist ebenso präpariert. An exponierten Orten im System werden auch gerne die berühmten automatischen Schnellentlüfter eingebaut. Sie arbeiten schwimmergestützt wie ein Lufthahn und meistens selbstständig. Das Prinzip ist denkbar einfach: Sammelt sich in dem selbsttätigen Schnellentlüfter (in Fachkreisen ja auch „Schnüffelstück“ genannt) etwas Luft oder Gas, wie auch immer, so sinkt ein Schwimmer durch den fehlenden Auftrieb ab und öffnet auf diesem Weg ein Tor zur Außenwelt. Hier entfleucht das Gas und von unten strömt Heizungswasser in den Entlüfter. Der so entstandene Auftrieb verschließt dann wiederum das Ventil. Etwas aufwendiger geht es zu beim  Blasenabscheider. In diesem kleinen Zylinder befindet sich zusätzlich zu einem Schnellentlüfter noch ein grobes Gewebe aus Metall. An diesem Gewebe wird das Heizungswasser also abgebremst und verliert dadurch an Schwung. Es würden sich, wie in einem gezähmten Wildbach, mitgeführte Teile sehr leicht an dem Gewebe absetzen können, so auch das enthaltene Gas. Diese Gasperlen versammeln sich auf dem Gewebe zu immer größeren Kolonnen, bis diese dann nach oben, zum Schnellentlüfter aufsteigen. Diese Systeme funktionieren alle noch ohne fremdes Zutun und Energie. Aktive Systeme unterscheiden sich nochmals von dem bisher dargelegten.
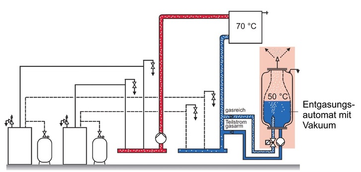
Entgasung mittels Pumpen
Wie bereits beschrieben, wird die Entgasung von Wasser mit abnehmendem Druck begünstigt. Daher hat man Systeme entwickelt die, gewissermaßen im Vorbeiflug, einige Liter Anlagenwasser abgreifen und in einen separaten Behälter pumpen. Dies schafft dann die Möglichkeit, den separaten Behälter auf ein niedrigeres Druckniveau zu bringen als in der Heizungsanlage. Es reicht schon aus, das erwärmte Wasser nur auf Umgebungsdruck zu entspannen und das Heizungswasser wird entgast. Anschließend pumpt man dieses entgaste Wasser zurück ins System. Und selbst wenn äußere Einflüsse, wie Diffusion, ständig Luft ins System einbringen, kann die Anlage von unerwünschten Effekten zumindest halbwegs befreit werden. Ein Rest an Gas verbleibt aber im Heizungswasser, denn der Umgebungsdruck und die jeweilige Temperatur des Wassers sorgen immer noch für eine gewisse Löslichkeit. Effektiver wird dieses Vorgehen natürlich, wenn das abgezweigte Heizungswasser einem weiteren Behandlungsschritt unterzogen wird. Ein (annäherndes) Vakuum im Zwischenparkplatz des Heizungswassers sorgt für eine erhebliche Dynamik bei der Entgasung. Danach wird wiederum das nun erheblich entgaste Heizungswasser in das System zurückgepumpt. So kann nach einer Neubefüllung einer Heizungsanlage sehr schnell ein gasarmes Heizungswasser bereitgestellt werden.


Für alle Fälle
Erläutert wurden hier die einfachen Vorgänge in einem Heizungssystem. Natürlich ist die Problematik in wassergestützten Systemen zum Transport von Energie immer ähnlich. Ungleich schwieriger sind die Verhältnisse jedoch in Anlagen
zur Kühlung. Mit zunehmender Temperatur verliert eine konventionelle Heizungsanlage immer mehr Gas, es wird gewissermaßen „ausgekocht“. Ein System zur Kühlung hat diesen Vorteil nicht und benötigt im Zweifel entsprechend mehr
technische Hilfe. Ein anderer Bereich ist die Entgasung von Solaranlagen. Dort sind extreme Temperaturen zu erwarten. Und ein ins Stocken geratenes System neigt im Sommer dann auch schon mal zu einer Störabschaltung. Festzuhalten bleibt für alle Systeme, dass Luft oder Gas darin nichts verloren hat. Nicht immer muss mit Kanonen auf Spatzen geschossen werden - aber auch knifflige Fälle sind im Falle des Falles beherrschbar.

WERBUNG