Springe auf Hauptinhalt Springe auf Hauptmenü Springe auf SiteSearch
WERBUNG
WERBUNG
WERBUNG

Erklär mal: Rücklaufreihenspeicher

Ein Reihenspeicher wird hydraulisch in „Reihe“ zur Volumenstromvergrößerung in den Rücklauf zum Wämeerzeuger verschaltet. Diese einfache hydraulische Einbindung benötigt weder einen separaten Temperaturfühler, oder eine zweite Heizungspumpe hinter dem Speicher.

Zwingend erforderlich ist ein Überströmventil zwischen der VL und RL-Leitung. Der Öffnungsdifferenzdruck muss dabei Anlagenspezifisch eingestellt werden.

Das Differenzdruck Überströmventil muss zwingend eingestellt werden

imi Heimeier

Das Differenzdruck Überströmventil muss zwingend eingestellt werden

Funktion: Wird die Raumtemperatur in den einzelnen FBH-Kreisen erreicht erhalten die Stellglieder der Einzelraumregler den Befehl zu schließen. Dadurch sinkt der Volumenstrom zum Wärmeerzeuger (WEZ) ab. Gleichzeitig erhöht sich der Differenzdruck in der Heizungsanlage, weil die Heizungspumpe gegen die nun geschlossenen Ventile drückt. Eine Wärmepumpe als WEZ benötigt jedoch eine Mindestlaufzeit des Kompressors. In dieser Mindestlaufzeit (meistens 4-6 Minuten) kann der Kompressor nur über seine Sicherheitseinrichtung (Pressostat) abgeschaltet werden. Diese Abschaltung ist jedoch immer mit einer verriegelnden Fehlerabschaltung verbunden. Der hydraulische Anschluss eines zusätzlichen Heizgerätes als bivalente Betriebsweise des Systems ist ebenfalls am Puffer-Speichermodul möglich.

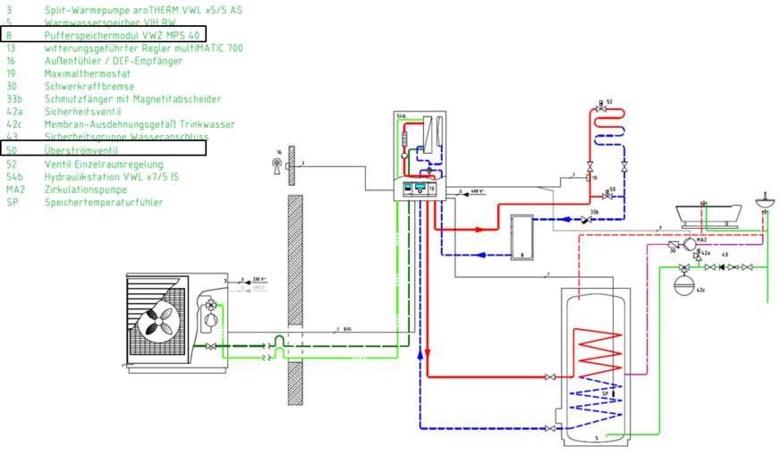
Einfaches Hydraulikschema mit Reihenspeicher (8) und Überströmventil (50)

Vaillant

Einfaches Hydraulikschema mit Reihenspeicher (8) und Überströmventil (50)
WERBUNG