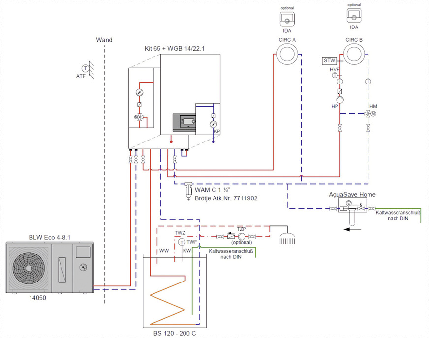
Ein Ein- oder Zweifamilienhaus für die spätere Wärmepumpen-Anbindung gemäß 65 %-Vorgabe vorrüsten: Mit den aufeinander abgestimmten Brötje Komponenten kann dies eine Person ohne gesonderte Schulung erledigen, nahezu im Alleingang. Das Verbindungselement Kit 65 wiegt 21 kg und passt mit Maßen von 450 x 760 x 175 mm (HBT) exakt hinter den WGB-Kessel. Im Inneren des Gerätes befinden sich eine elektronisch geregelte Hocheffizienzpumpe Grundfos UMP 4, ein Schnellentlüfter sowie ein 3-Wege-Ventil. Zur Entkopplung der Volumenströme ist eine gedämmte Hybrid-Hydraulikeinheit integriert.
Wie installieren?
Das Kit 65 wird direkt hinter den Gas-Brennwertkessel an die vorhandenen Anschlussstellen montiert. Die Installation funktioniert wie ein einfacher Kesseltausch, es ist also keine zusätzliche Wandfläche oder ein Speicher nötig. Mit nur 17,5 cm Bautiefe bleibt die Kesseloptik zudem vollständig erhalten.
Nach der Montage
Seitenabdeckungen und Regelungsbox am Kit 65 lassen sich bei Bedarf demontieren, Systemkomponenten wahlweise nach links oder rechts ausrichten. Das Anschluss-Set umfasst ein Vor- und Rücklaufrohr zum Kessel mit Dämmung, Anschlussplatine für die Installation im Kessel, Verschlusskappen, Dichtungen und Endwiderstand. Ein eigenes Typenschild beschleunigt die Supportabwicklung.
Wichtige Skills
Die witterungsgeführte Regelung übernimmt Statusüberwachung und Fehlererkennung für bis zu zwei Heizkreise plus Trinkwarmwasserbereitung. Wärmepumpe, Gasheizung beziehungsweise beide Wärmequellen werden automatisch zugeschaltet. Je nach Betriebsart arbeitet das System kosten-, verbrauchs- oder CO2-emissionsoptimiert. Die Bedienung erfolgt über das Farbdisplay IWR Alpha am Gas-Brennwertgerät. Komfortable Apps erlauben einen geführten Hydraulischen Abgleich und eine schnelle Inbetriebnahme.
Konkrete Nutzbarkeit und Ausblick
Die Wärmepumpen-Schnittstelle Kit 65 ist kompatibel mit Gas-Brennwertkesseln WGB 14.1 – 22.1. In Kombination mit den Monoblock-Wärmepumpen der Serie BLW Eco.1 ergeben sich versorgungssichere Hybrid-Konstellationen, die bis zu 23,9 kW Gebäudeheizlast gesetzeskonform abdecken (Niedertemperaturbetrieb, Teillastpunkt „A“ – 7 °C, § 71h GEG). Das BRÖTJE Auslegungstool hilft hier bei der Planung. Eine Kit 65-Version zum Anschluss der Gas-Brennwertgeräte WBS und WMS soll 2024 erscheinen. Für 2025 plant BRÖTJE bodenstehende Gas-Brennwertgeräte mit Integrationsoption für das Kit 65.
 
 Bild: Held
Merkmale von Kit 65
Funktion einer Hybridheizung
Hybridheizungen bestehen aus mindestens zwei Wärmeerzeugern, die gemeinsam zum individuellen Energiemix beitragen. Zu einer fossilen Komponente, wie z. B. Gas-Brennwert, kommt mindestens eine weitere regenerative Komponente hinzu, wie z. B. eine Wärmepumpe oder Solaranlage. Das intelligente Regelungssystem wählt automatisch bei Kälte oder hohem Warmwasserbedarf stets die wirtschaftlichste Betriebsweise und sorgt damit für sicheren Wärmekomfort.
 
 Bild: August Brötje GmbH, Rastede
 
     
     
     
     
     
     
    