Während alle Welt von CO₂-Bilanzen und Klimazielen spricht, fragen sich viele Bundesbürger, was sie tun können, um einen positiven Beitrag zu leisten. Die eigenen vier Wände eignen sich dafür ganz besonders: Etwa ein Viertel des Gesamtenergieverbrauchs entfallen in Deutschland auf private Haushalte. Der Großteil von rund drei Viertel der verbrauchten Energie wird dabei für die Beheizung von Räumen verwendet. Mit den richtigen Maßnahmen kann hier viel Energie eingespart und der CO₂-Ausstoß deutlich reduziert werden. So können durch Wärmeschutz, moderne Fenster und ein sparsames, umweltfreundliches Heizsystem gute Ergebnisse erzielt werden.
Eine Wärmepumpe zieht den größten Teil der Heizenergie aus der Umwelt, während nur ein kleiner Teil als Arbeitsenergie zugeführt wird. Der Wirkungsgrad der Wärmepumpe, die sogenannte Leistungszahl, liegt bei einer Luftwärmepumpe zwischen 3 und 4,5. Für ein energiesparendes und umweltschonendes Heizen sind Wärmepumpen daher ideal. Doch welcher ist der richtige Gerätetyp für die jeweiligen Anforderungen?
![Energieverbrauch in privaten Haushalten:[1] Heizen 78 %[2] Warmwasser 11 %[3] Sonstige Geräte 4,5 %[4] Kühlen, Gefrieren 3 %[5] Waschen, Kochen, Spülen 2,5 %[6] Licht 1 %](/sites/default/files/styles/aurora_default/public/aurora/2019/08/7394.jpg?itok=T6mnxc8p) 
 [1] Heizen 78 %
[2] Warmwasser 11 %
[3] Sonstige Geräte 4,5 %
[4] Kühlen, Gefrieren 3 %
[5] Waschen, Kochen, Spülen 2,5 %
[6] Licht 1 %
Split-Wärmepumpen zeichnen sich beispielsweise durch die Trennung in ein leises Innen- und ein luftführendes Außenteil aus. Monoblock- oder Kompaktwärmepumpen bestehen aus einer fertigen Einheit mit vom Werk montiertem und geprüftem Kältekreis.
 
 Funktionsweise von Wärmepumpen
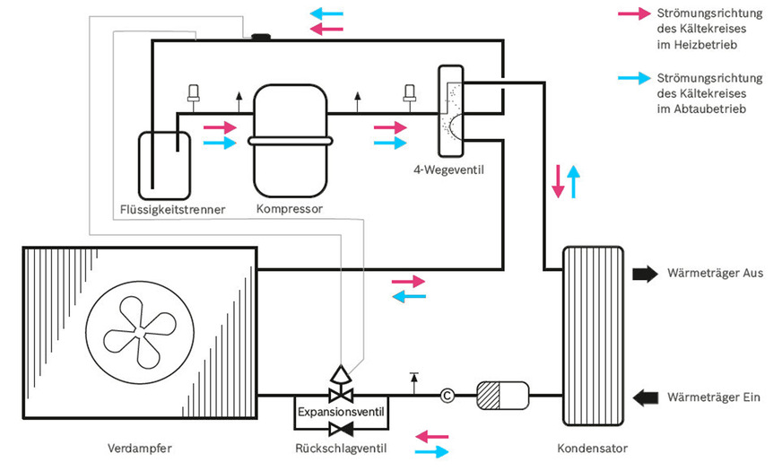
Wärmepumpen funktionieren nach dem bewährten und zuverlässigen „Prinzip Kühlschrank“. Ein Kühlschrank entzieht den zu kühlenden Lebensmitteln Wärme und gibt sie auf der Kühlschrankrückseite an die Raumluft ab. Eine Wärmepumpe entzieht der Umwelt Wärme und gibt sie an die Heizungsanlage ab. Dabei macht sie sich zunutze, dass Wärme immer von der Wärmequelle zur Wärmesenke strömt. Die Wärmepumpe nutzt dabei die natürliche Fließrichtung von warm nach kalt in einem geschlossenen Kältemittelkreis durch Verdampfer, Kompressor, Kondensator und Expansionsventil. Währenddessen wird Wärme aus der Umgebung auf ein höheres, zum Heizen nutzbares Temperaturniveau gepumpt.
Der Verdampfer (1) enthält ein flüssiges Arbeitsmittel, ein sogenanntes Kältemittel, mit sehr niedrigem Siedepunkt. Das Kältemittel hat eine niedrigere Temperatur als die Wärmequelle, in diesem Fall also die Außenluft. Die Wärme strömt also von der Wärmequelle an das Kältemittel. Das Kältemittel erwärmt sich dadurch bis über seinen Siedepunkt, verdampft und wird vom Kompressor angesaugt.
Der Kompressor (2) wird über einen Frequenzumrichter (Inverter) mit Spannung versorgt und geregelt. Dadurch wird die Kompressor-Drehzahl immer bedarfsgerecht angepasst. Beim Start des Kompressors wird ein hohes Anlaufdrehmoment mit gleichzeitig niedrigem Anlaufstrom sichergestellt. Der Kompressor verdichtet das gasförmige Kältemittel auf einen hohen Druck. Dadurch wird das gasförmige Kältemittel noch wärmer. Zusätzlich wird auch die Antriebsenergie des Kompressors in Wärme umgewandelt, die auf das Kältemittel übergeht. So erhöht sich die Temperatur des Kältemittels immer weiter, bis sie höher ist als die für Heizung und Warmwasserbereitung benötigte Temperatur. Sind ein bestimmter Druck und eine bestimmte Temperatur erreicht, strömt das Kältemittel weiter zum Kondensator.
Im Kondensator (3) gibt das heiße, gasförmige Kältemittel die Wärme, die es aus der Umgebung, der Wärmequelle und aus der Antriebsenergie des Kompressors aufgenommen hat, an die Heizungsanlage ab. Dabei sinkt die Temperatur des Kältemittels unter den Kondensationspunkt und es verflüssigt sich wieder. Das nun wieder flüssige, aber noch unter hohem Druck stehende Kältemittel fließt weiter zum Expansionsventil.
Die beiden elektronisch angesteuerten Expansionsventile (4) sorgen dafür, dass das Kältemittel auf seinen Ausgangsdruck entspannt wird, bevor es wieder in den Verdampfer zurückfließt und dort erneut Wärme aus der Umgebung aufnimmt.
Bei Luftwärmepumpen wie z. B. der Compress 7000i AW OR von Bosch weist der Kältekreis noch einige Besonderheiten auf: Der Verdampfer der Luftwärmepumpe befindet sich an der Außenluft. Kommt es während des Betriebes zur Kondensatbildung an der Verdampferoberfläche, kann der Verdampfer bei kühlen Außentemperaturen einfrieren. Ein dauerhaftes Einfrieren des Verdampfers ist nicht zielführend, deshalb werden zusätzliche Bauteile im Kältekreislauf einer Luftwärmepumpe benötigt, um einen Abtauprozess stattfinden zu lassen. Für den Abtauprozess wird im Kältekreislauf ein Vier-Wege-Ventil installiert. Dieses Vier-Wege-Ventil ermöglicht es, den Kältekreislauf umzukehren, so dass dem Kältekreislauf Wärmeenergie aus dem Heizsystem zugeführt werden kann.
Durch das Rückführen von Wärmeenergie im Kondensator aus dem Heizsystem wird das Kältemittel auf eine höhere Temperatur erwärmt und kann dann zum Verdampfer geleitet werden. Mit dem erwärmten und zum Verdampfer geleiteten Kältemittel ist es nun möglich, den Abtauprozess stattfinden zu lassen. Damit der Kondensator jederzeit Wärmeenergie aus dem Heizsystem ziehen kann, müssen permanent mindestens vier Heizkörper à 500 Watt oder eine Fußbodenheizung von mindestens 22 qm Fläche zur Verfügung stehen. Alternativ kann die Wärmeenergie aus einem Pufferspeicher bezogen werden.
Weitere wichtige Bauteile des Kältekreislaufes einer Luftwärmepumpe sind der Flüssigkeitstrenner, der Trockenfilter und das Schauglas. Der Flüssigkeitstrenner sitzt in Fließrichtung vor dem Kompressor und sorgt dafür, dass nur dampfförmiges Kältemittel in den Kompressor gelangen kann.
Sinn des Flüssigkeitstrenners
Unter bestimmten Bedingungen kann es dazu kommen, dass nicht hundert Prozent des Kältemittels verdampfen. Es muss aber sichergestellt sein, dass nur gasförmiges Kältemittel in den Kompressor gelangt. Flüssiges Kältemittel kann nicht komprimiert werden. Sollte flüssiges Kältemittel in den Kompressor gelangen, würde dieser Schaden nehmen.
Wozu Trockenfilter und Schauglas?
Der Trockenfilter und das Schauglas sitzen in Fließrichtung nach dem Kondensator. Der Trockenfilter saugt anfallendes Kondensat auf der Innenseite des Kältekreises auf. Anfallendes Kondensat würde nicht wie Kältemittel bereits bei ca. –5 °C verdampfen, sondern wie Wasser erst bei ca. 100 °C. Auch das Kondensat darf nicht in den Kompressor gelangen und muss daher herausgefiltert werden. Das Schauglas ermöglicht dem Kältetechniker, einen Blick in den Kältekreislauf zu werfen. Dies hilft bei der Beurteilung des Kältekreislaufes.
Wirkungsgrad
Bei Wärmepumpen wird der Wirkungsgrad über die Leistungszahl, auch COP (engl. Coefficient of Perfomance), beschrieben. Der Wirkungsgrad ist das Verhältnis von Nutzleistung zu aufgenommener Leistung. Die Leistungszahl ist eine gemessene oder berechnete Kennzahl für Wärmepumpen bei speziell definierten Betriebsbedingungen. Vergleichbar ist diese Angabe dann mit dem normierten Kraftstoffverbrauch bei Kraftfahrzeugen. Die Leistungszahl beschreibt das Verhältnis der nutzbaren Wärmeleistung zur aufgenommenen elektrischen Antriebsleistung des Kompressors. Dabei hängt die Leistungszahl, die mit einer Wärmepumpe erreicht werden kann, von der Temperaturdifferenz zwischen Wärmequelle (Außenluft) und Wärmesenke (Fußbodenheizung) ab. Ein guter COP-Wert liegt dabei zwischen 3 und 5. Wärmepumpen mit einem COP-Wert von unter 2 sind in der Regel unwirtschaftlich. Mit einem COP bis 5,1 (bei A7/W35) ist die Compress 7000i AW von Bosch eine der effizientesten Wärmepumpen auf dem Markt.
Da die Leistungszahl nur eine Momentaufnahme unter jeweils ganz bestimmten Bedingungen wiedergibt, wird ergänzend die Arbeitszahl genannt. Diese wird üblicherweise auch als Jahresarbeitszahl (engl. seasonal performance factor) angegeben und drückt das Verhältnis zwischen der gesamten Nutzleistung, die die Wärmepumpenanlage über das Jahr abgibt, und der im selben Zeitraum von der Anlage aufgenommenen elektrischen Energie aus. Die Jahresarbeitszahl kann überschlägig berechnet werden. Hier werden Bauart der Wärmepumpe und verschiedene Korrekturfaktoren für die Betriebsbedingungen berücksichtigt. Grundsätzlich gilt: Je höher die Jahresarbeitszahl ist, desto besser sind der Wirkungsgrad und damit die energetische Arbeitsweise.
Split- und Monoblock-Wärmepumpen
Bei den Luftwärmepumpen wird zwischen sogenannten Monoblock-Wärmepumpen und Split-Wärmepumpen unterschieden. Die Anlagenhydraulik dieser beiden Wärmepumpen ist identisch. Der wichtigste Unterschied: Bei der Monoblock-Wärmepumpe befindet sich der gesamte Kältekreislauf in der Außeneinheit, somit werden von der Außeneinheit zur Inneneinheit ein Heizungsvorlauf und ein Heizungsrücklauf geführt.
Für die Split-Wärmepumpe wird der Kältekreislauf aufgeteilt – also gesplittet. Der Verdampfer befindet sich in der Außeneinheit, der Kompressor, das Expansionsventil und der Kondensator in der Inneneinheit. Somit müssen von der Außeneinheit zur Inneneinheit ein Kältekreisvorlauf und ein Kältekreisrücklauf geführt werden.
Beide Varianten von Luftwärmepumpenarten haben sich bewährt. Die Monoblock-Wärmepumpe hat den Vorteil, dass sich ihr Kältekreislauf geschlossen in der Außeneinheit befindet. Daher wird für die Inbetriebnahme und die Wartung kein Kältetechniker benötigt. Arbeiten an einem Kältekreis dürfen nur von speziell ausgebildeten Kältetechnikern durchgeführt werden. Ein kleiner Nachteil ist hingegen, dass Monoblock-Wärmepumpen größer sind als Split-Wärmepumpen und dadurch nicht so einfach an Fassaden und Dächern befestigt werden können. Hierin liegt auch der Vorteil der Split-Wärmepumpen. Ihre Außeneinheiten sind kompakter und leichter. Sie können auch an Fassaden befestigt werden und nehmen dabei nicht so viel Platz ein wie eine Monoblock-Wärmepumpe. Da aber der Kältekreisvorlauf und der Kältekreisrücklauf von der Außeneinheit zur Inneneinheit geführt werden müssen, ist zur Inbetriebnahme ein Kältetechniker erforderlich. Je nach Größe der Split-Wärmepumpe und nach der Art des verwendeten Kältemittels kann es dazu kommen, dass die Split-Wärmepumpe eine CO₂-Äquivalenz von maximal 5 Tonnen bei hermetisch abgeriegelten Anlagen und 10 Tonnen bei nicht hermetisch abgeriegelten übersteigt. Dann unterliegt die Wärmepumpe der jährlichen Kältemittelprüfpflicht. Es muss also ein Kältetechniker einmal im Jahr bei der Wartung überprüfen, ob der Kältekreislauf dicht verschlossen ist. Dies erzeugt zusätzliche Kosten und stellt damit einen Nachteil der Split-Wärmepumpen dar. ■
 
  
  
 Jahresarbeitszahl (JAZ)
Die Jahresarbeitszahl (JAZ) der Wärmepumpe gibt das Verhältnis von abgegebener Heizwärme zu aufgenommener elektrischer Arbeit innerhalb eines Jahres an. 
Die JAZ bezieht sich auf eine bestimmte Anlage unter Berücksichtigung der Auslegung der Heizungsanlage (Temperatur-niveau und -differenz) und darf nicht mit der Leistungszahl verwechselt werden. Eine mittlere Temperaturerhöhung um 
ein Grad verschlechtert die Jahresarbeitszahl um 2–2,5 %.
Der Energieverbrauch erhöht sich dadurch ebenfalls 
um 2–2,5 %.
Leistungszahl (COP)
Die Leistungszahl ist ein Momentanwert. Sie wird unter genormten Randbedingungen im Labor nach der europäischen Norm EN 14511 gemessen. 
Die Leistungszahl ist ein Prüfstandwert ohne Hilfsantriebe. Sie ist der Quotient aus der Wärmeleistung und der Antriebsleistung des Kompressors. Die Wärmeleistung ist immer größer als die Antriebsleistung des Kompressors. Eine Leistungszahl von 4 bedeutet, dass das 4-Fache der eingesetzten elektrischen Leistung als nutzbare Wärmeleistung zur Verfügung steht.
Abtauung
Sinkt die Außentemperatur unter ca. +5 °C, beginnt das in der Luft enthaltene Wasser, sich als Eis am Verdampfer der Luft-Wasser-Wärmepumpe abzusetzen. Auf diese Weise kann die im Wasser enthaltene Latentwärme genutzt werden. Luft-Wasser-Wärmepumpen, die auch bei Temperaturen unter ca. +10 °C betrieben werden, benötigen eine Abtauvorrichtung. Wärmepumpen von Bosch verfügen über ein Abtaumanagement.
 
     
     
  
     
     
     
     
    