Springe auf Hauptinhalt Springe auf Hauptmenü Springe auf SiteSearch
WERBUNG
WERBUNG
WERBUNG

Wenn zwei Systeme sich verstehen

1 Wer sein Haus schrittweise saniert kann mit einer Hybridlösung starten. Der Anteil an regenerativer Energie nimmt dann im Laufe der Sanierung zu.

2 Der Warmwasserbedarf stellt für ein Hybridsystem meistens kein Problem dar.

3 Drei hybride Betriebsweisen lassen sich unterscheiden: bivalent-alternativ, bivalent-parallel, bivalent-teilparallel

4 Eine professionelle Regelung kann für einen optimalen Betrieb sorgen.

Das Ziel, möglichst schnell den Heizungsmarkt zu dekarbonisieren, passt nicht zu jedem Geldbeutel und auch nicht zu jeder Situation im Gebäudebestand. Im Spannungsfeld aus noch nicht abgeschlossener kommunaler Wärmeplanung und heute gleichzeitig attraktiver Förderung ist Abwarten allerdings keine Option – eine Investition in ein hybrides Heizsystem aus dem fossilen Bestandskessel plus einer neuen Wärmepumpe dagegen schon.

Eine hybride Lösung ist vor allem für Eigentümer geeignet, die

  • ihr Haus schrittweise über einen längeren Zeitraum hinweg durch Einzelmaßnahmen sanieren wollen
  • einen hohen und schnell verfügbaren Warmwasserbedarf haben
  • ein hohes Sicherheitsbedürfnis haben
  • Sanierung in Schritten
  • Wird ein Wohnhaus nach und nach energetisch ertüchtigt, sinkt dessen Heizlast mit jeder Maßnahme. Hierzu zählen zum Beispiel die Fassaden- und Dachdämmung, der Austausch von Fenstern und Außentüren, die Umrüstung von Heizkörpern oder der Einbau einer Fußbodenheizung sowie Systemen zur kontrollierten Wohnraumlüftung. Sind solche Maßnahmen bereits geplant, könnte der Einbau eine Wärmepumpe als erster Sanierungsschritt erfolgen. Die Wärmepumpe übernimmt dann die Grundlast und Spitzenlasten werden vom bestehenden fossilen Gerät aufgefangen.

    Eine durch Einzelmaßnahmen zunehmende Effizienz der Gebäudehülle senkt die Heizlast bzw. den Anteil der Heizwärme von der insgesamt erzeugten Wärmeenergie. Der Bedarf an Warmwasser bleibt dagegen in der Regel konstant. Damit erhöht sich prozentual die Betriebszeit der Wärmepumpe und der fossile Wärmeerzeuger muss immer seltener in Betrieb gehen.

    Ist das Haus schließlich (nach mehreren Jahren) vollumfänglich saniert und die Heizlast durch die Ertüchtigung des Gebäudes ausreichend reduziert, könnte der fossile Wärmeerzeuger außer Betrieb genommen werden. Er steht dann nur noch für den Notfall bereit oder es erfolgt eine Umstellung ausschließlich auf den Wärmepumpenbetrieb.

    Vorsorge im Fall einer Havarie

    Im Fall einer Havarie – zum Beispiel an Öltanks – ermöglicht eine Hybridlösung eine hohe und gesetzeskonforme Flexibilität bei gleichzeitiger Technologieoffenheit. Im Gegensatz zu einer rein fossilen Lösung, die es lediglich erlaubt, im Havariefall für maximal 5 Jahre ein neues Brennwertgerät einzubauen, gibt es bei der Kombination mit einer Wärmepumpe keine zeitliche Beschränkung für den Austausch der fossilen Komponente.

    Voraussetzung ist, dass das Gesamtheizsystem zu 65 Prozent mit erneuerbaren Energien arbeitet, die Wärmepumpe also ausreichend groß genug dimensioniert wurde.

    Hybridtechnik ist damit im Sinne von BEG und GEG zukunftssicher und außerdem weitestgehend unabhängig von der kommunalen Wärmeplanung.

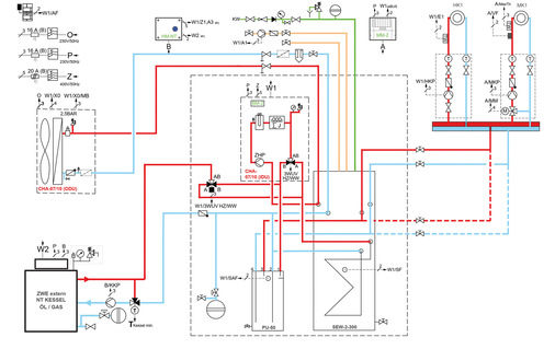
    Grundprinzip Hybridsystem

    Ein Hybridsystem besteht aus mindestens zwei unterschiedlichen Wärmeerzeugern, die verschiedene Energieträger nutzen. Das fossile Heizsystem verfeuert zum Beispiel Öl oder Gas und mindestens eine weitere Komponente nutzt ­einen regenerativen Energieträger.

    Eine Wärmepumpe erzeugt aus einer Kilowattstunde Strom plus der Wärme der Umgebungsluft rund vier Kilowattstunden Wärme – diese extrem hohe Effizienz wird von keiner anderen gängigen Wärmeerzeugertechnologie erreicht.

    Bei Spitzenlasten, zum Beispiel aufgrund von ­besonders kalten Außentemperaturen oder ­einem hohen Warmwasserbedarf, unterstützt anstelle des elektrischen Heizstabs der ­Wärmepumpe jeweils der fossile Kessel die Bereitstellung von Wärme. Für diesen Zweck sind die beiden Wärmeerzeuger über eine gemeinsame Regelung miteinander verbunden.

    Ökologische Vorteile

    Die größte CO2-Einsparung mit der Wärmepumpe wird erreicht, wenn bei ihrem Betrieb der bestmögliche COP realisiert wird. Wärmepumpen im Hybridsystem können Deckungsanteile von rund 80 Prozent erreichen. Sie arbeiten damit deutlich umweltfreundlicher als der im GEG geforderte Anteil von 65 Prozent erneuerbaren Energien. Das setzt voraus, dass Wärmepumpen generell im effizienten Teillastbetrieb betrieben werden und entsprechend die Leistung zum Gebäude passend gewählt wird.

    Dient der fossile Wärmeerzeuger ausschließlich der Leistungsreserve bei besonders niedrigen Außentemperaturen, sind sogar CO2-Einsparungen bis nahezu 100 Prozent zu erwarten. In wärmeren Monaten, in denen die Wärmepumpe lediglich das Warmwasser erhitzt, werden durch die fossilen Wärmeerzeuger keine Abgase freigesetzt. Die beste CO2-Bilanz für die Wärmepumpe ergibt sich beim Verbrauch von selbst erzeugtem PV- bzw. Zukauf von Grünstrom aus dem Netz.

    Ökonomische Vorteile

    Jeder Wärmeerzeuger wird bei einer Hybridlösung in seinem idealen Betriebszustand eingesetzt. In den wärmeren Monaten wird analog zur oben geschilderten CO2-Einsparung bares Geld gespart, denn in den Monaten März bis Oktober arbeitet die Wärmepumpe besonders effizient.

    Gegenüber einer rein fossilen Heizung sind bis zu 40 Prozent Heizkostenersparnis möglich – mit steigender CO2-Einpreisung bei fossilen Brennstoffen fällt diese Bilanz nochmals positiver aus.

    Letztere bzw. die Wirtschaftlichkeit des Hybridsystems ist maßgeblich von der Regelung abhängig: Da die Effizienz der Wärmepumpe von den Außentemperaturen abhängt, kann ab bestimmten tiefen Außentemperaturen (in Abhängigkeit von der jeweiligen Marktsituation) die Spitzenlastabdeckung durch Gas oder Öl günstiger sein, als dies per Heizstab möglich wäre.

    Versorgungssicherheit

    Daneben gibt es weitere Pluspunkte, die für ein Hybridsystem sprechen:

  • Erhöhung der Versorgungssicherheit
  • Allgemeine Redundanz im Störungsfall
  • Sicherstellen der Trinkwasserhygiene auch bei niedrigen Vorlauftemperaturen durch den fossilen Wärmeerzeuger, wenn nötig
  • Drei hybride Betriebsweisen

    Grundsätzlich können Hybridsysteme für drei ­Betriebsweisen ausgelegt werden:

  • Bivalenter-alternativer Betrieb
  • Bivalent-paralleler Betrieb
  • Bivalent-teilparalleler Betrieb
  • Sobald im bivalent-alternativen Betrieb der Bivalenzpunkt unterschritten wird, wird die Wärmepumpe aus- und der Zweitwärmeerzeuger eingeschaltet. Das Spitzenlastgerät muss daher die komplette Gebäudeheizlast abdecken können.

    Im bivalent-parallelen Betrieb läuft die Wärmepumpe konstant. Der Zweitwärmeerzeuger dient zur Spitzenlastunterstützung und kann entsprechend kleiner ausgelegt werden.

    Die bivalent-teilparallele Betriebsweise ist eher selten in der Praxis zu finden. Hier arbeitet die Wärmepumpe zunächst autark. Bei Erreichen der ersten Grenztemperatur schaltet sich der fossile Wärmerzeuger zu und bei Erreichen einer zweiten Temperaturgrenze übernimmt das fossile System die komplette Bereitstellung der Wärme. Damit das System funktionsfähig ist, muss der Zweitwärmeerzeuger für die komplette Gebäudeheizlast ausgelegt werden.

    Bereits vor der Auslegung des Hybridsystems muss daher die Entscheidung für eine der drei Betriebsweisen fallen.

    Herausforderungen bei der Umrüstung

    Die Heizungsbauer stehen vor der komplexen Aufgabe, einen Bestandskessel zu einem individuellen Hybridsystem zu erweitern. Oftmals stecken dabei die Herausforderungen im Detail:

  • Unterschiedliche ­Systemtempertaturen, ­Massenströme und Anforderungen an die jeweilige Systemspreizung der beiden ­Wärmeerzeuger
  • zeitliche Verfügbarkeit der erzeugten Wärme
  • Heizkurve und Wärmebedarf für die Bereitung von Warmwasser
  • Verfügbares Platzangebot für Speicher und Verrohrung im Keller
  • Diese erhöhen sowohl den Planungs- als auch den Installationsaufwand einer individuellen ­Hybridlösung. Die notwendige Abtauenergie für die Wärmepumpe muss eingerechnet und immer die tendenziell permanente Laufzeit der Wärmepumpe angestrebt werden, um einen Taktbetrieb zu vermeiden.

    Eine Hybridlösung ab Werk

    Eine einfache und umfassende Lösung für diese Vielzahl an Herausforderungen in Ein-/Zweifamilienhäusern bietet eine bereits für den Hybridbetrieb ausgelegte Wärmepumpe. Sie weist eine herstelleroffene Schnittstelle zu den gängigen, sich bereits auf dem Markt befindlichen fossilen Wärmeerzeugern auf.

    Bis zu 30 Jahre alte fossile Wärmeerzeuger ­können mit kompakter moderner Wärmepumpentechnik kombiniert werden, wenn die Inneneinheit der Wärmepumpe mit entsprechendem Zubehör ausgestattet ist.

    Regelung optimiert den Betrieb

    Damit die beiden eigenständigen Wärmeerzeuger Wärmepumpe und fossiler Standard-Kessel ökologisch bzw. ökonomisch sinnvoll zusammenarbeiten können, ist eine übergreifende Regelung der beiden Systeme erforderlich. Welcher Betriebsmodus Vorrang hat, muss individuell bei der Inbetriebnahme festgelegt werden.

    Die Regelung passt nicht nur die Leistung an die Komfortansprüche oder ggf. an die Energiepreise an, sondern erkennt auch, bis wann der Betrieb monovalent gedeckt werden kann. Wird ein individuell zu definierender Grenzwert (Bivalenzpunkt) überschritten, schaltet sich das zweite System automatisch zu und auch wieder ab, wenn sich die Rahmenbedingungen wieder ändern.

    Maximilian Schmidt
    Master of Engineering, ­Market Launch Manager, WOLF GmbH

    Wolf

    WERBUNG