Springe auf Hauptinhalt Springe auf Hauptmenü Springe auf SiteSearch
WERBUNG
WERBUNG
  • Home
  • Alle Artikel zum Thema Wärmeerzeuger
WERBUNG

Alle Artikel zum Thema Wärmeerzeuger

Seit Mitte 2024 sind die Preise für die Anschaffung eines neuen Wärmeerzeugers im Durchschnitt um 5,3 % gestiegen. Im Jahr davor lag dieser Wert noch bei 8,9 %.

Preisspiegel: So viel kostet heute eine neue Heizung

-

Was Hauseigentümer im Schnitt für Wärme­pumpen, Gas- oder Bio­masse­kessel zahlen und wo die Preis­ent­wicklung hingeht, zeigen neue Daten der Verbrau­cher­zentrale.

Weniger Heizungen

Absatz 2024 um die Hälfte eingebrochen

-

Der Bundesverband der Deutschen Heizungsindustrie (BDH) hat die Absatzzahlen für das Jahr 2024 vorgelegt. Insgesamt setzten die Hersteller in Deutschland 712.500 Wärmeerzeuger ab. Damit schrumpfte der Markt gegenüber dem Vorjahr um 46 Prozent. 2023 setzen die Hersteller über 1,3 Millionen...

Wie funktioniert eigentlich die Auslegung einer Fußbodenheizung?

-

Mittlere Übertemperaturen und wohlige Wärme: Wie eine Fußbodenheizung ausgelegt wird und welche Einflüsse für die gewünschte Leistung sorgen, erklärt unser Autor Elmar Held.

Eine montierte Hybridlösung von Wolf, rechts im Bild der Heizkessel für fossilen Brennstoff und links das Wärmepumpen-Hybridcenter mit dem Innengerät der Wärmepumpe, 300-Liter-Warmwasserspeicher und einem Trennspeicher.

Wenn zwei Systeme sich verstehen

-

Ist es vorteilhaft, im Bestandsgebäude eine Hybridheizung zu installieren? Eine richtig geplante Wärmepumpe ist in der Lage, ein Gebäude ausreichend zu beheizen – zudem gibt es Fälle, in denen eine bivalente Kombination aus regenerativen und konventionellen Systemen sinnvoll ist.

Prinzipskizze einer hydraulischen Einbindung eines Pufferspeichers als sogenannter „Trennspeicher“

Erklär mal: Wie funktioniert ein Pufferspeicher?

-

Als Pufferspeicher werden große Wasserspeicher eingesetzt, in denen das erwärmte Heizungswasser zwischengespeichert und zur Verwendung durch die Wärmeverbraucher vorgehalten wird. Ein Pufferspeicher hat dabei auch die Funktion einer hydraulischen Weiche, der Pufferspeicher trennt dabei die...

So einfach ist es zwar nicht, jedoch auch nicht weit davon entfernt 😊!

65% Wärmepumpe im Altbau – Wie geht das?

-

Update: 03.04.2023 Der neue Entwurf zu der 65% Regel sieht einen anderen Berechnungspunkt der Leistungsabgabe der Wärmepumpe vor. Wurde bis dato noch die Leistung der WP bei A2W35 ermittelt, so sieht der neue Entwurf A-7W? vor. Mit anderen Worten – Aktuell tappen wir noch im Dunkelnen. Wir bleiben...

Das läuft

-

Trinkwasser­erwärmung

findet für die meisten Laien im Verborgenen statt. Es interessiert verständlicherweise nicht jeden Mitmenschen, wie es funktioniert, dass wir täglich warm duschen können und komfortable Temperaturen zapfen. Für uns SHK-Profis hingegen ist es ein wichtiges Anliegen, dass die...

Auslegen nach DIN 4708

-

Durchschaue eine (alte) Strategie ▪ Millionenfach verrichten Trinkwassererwärmer ihren Dienst in Deutschland. Die richtige Auslegung soll für einen komfortablen Betrieb bei gleichzeitigem sparsamem Umgang mit Energie sorgen. Wie das funktioniert, lesen Sie hier.

Die Nutzung einer warmen Dusche ist in Deutschland ein Standardkomfort
… die Auslegung eines Trinkwassererwärmers

Durchschau die Strategien

-

Millionenfach verrichten Trinkwasser­erwärmer ihren Dienst in Deutschland. Die richtige Auslegung sorgt für einen
komfortablen Betrieb bei gleichzeitigem sparsamen Umgang mit Energie.
Wie das funktioniert, lesen Sie hier.

Meldungen aus der Branche

-

BAFA legt erste Zahlen zur BEG Einzelmaßnahmen vor

Das BAFA hat für Januar und Februar 2021 Antragszahlen für Einzelmaßnahmen der Bundesförderung für effiziente Gebäude BEG EM vorgelegt.

Für die BEG-EM-Antragszahlen gibt es keine Vergleichszahlen aus dem Vorjahr und das Bundesamt für Wirtschaft und...

SCOP und ETAS?

Kennwerte für Wärmeerzeuger

-

Zuletzt im Jahr 2018 haben wir im SBZ Monteur die Kennzahlen zur Bewertung von Wärmepumpen vorgestellt und ausführlich beschrieben. 2021 sollten wir aktuelle, neue Methoden kennenlernen. Wir erklären diese Bewertungsmodelle und schätzen ein, wie weit sich diese an der Realität orientieren.

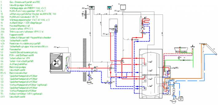
Hybridheizsystem mit der Luft-/Wasser-Wärmepumpe Gas-Brennwertgerät
Hybrides Heizen

Vorteilhafte Kombi

-

Hybridheizsysteme kombinieren die Vorteile von Brennwert- und erneuerbarer Wärmepumpentechnik. Lesen Sie, welche Ideen und konkreten Ansätze in Sachen Wärmeerzeugung betrachtet werden können.

Wie man in Zusammenarbeit mit dem Kunden die Heizkurve eines Wärmeerzeugers optimiert, lesen Sie in diesem Bericht
Wie funktioniert eigentlich die Anpassung einer Heizkurve?

Effizienz am Limit

-

Die Heizungsindustrie bietet uns hervorragendeWärmeerzeuger. Das Einbinden in ein bestehendes System ist dann meistens keinegroße Wissenschaft und der hydraulische Abgleich der Anlage ohnehin Pflicht!Den Heizungskeller dann aber zu verlassen ohne die Heizkurve richtigeingestellt zu haben mindert den Erfolg und das meistens für Jahre.

Schematische Darstellung der Bauteile Bild: Vaillant

Erklär mal: Warmwasserwärmepumpe

-

Die Warmwasserwärmepumpe kann ein Einfamilienhaus von einer zentralen Stelle mit Warmwasser versorgen. Der Aufstellungsraum befindet sich vorrangig dort, wo Wärme anfällt. Das


kann in einem Wirtschaftsraum, Heizraum oder in Kellerräumen sein, wo Abwärme von Waschmaschinen oder Kühlgeräten zur...

Nur ein Sicherheitsventil reicht manchmal nicht!

-

Für eine sicherheitstechnische Mindestausrüstung werden Heizungsanlagen nach der zulässigen Vorlauftemperatur und der Wärmeleistung des Wärmeerzeugers bzw. der Wärmeerzeugeranlage


und deren Bauart eingeteilt. Die zulässige Vorlauftemperatur ist die höchste Temperatur, mit der der Wärmeerzeuger...

Erklär mal: Betriebsarten einer elektrischen Wärmepumpe

-

Die Betriebsweise einer Wärmepumpe kann wie folgt unterteilt werden:


Monovalente Betriebsweise:


Die Wärmepumpe ist der alleinige Wärmeerzeuger für Heizung und Warmwasserbereitung. Die Wärmequelle muss für den ganzjährigen Betrieb der Anlage ausgelegt sein.


Monoenergetische Betriebsweise:


Die...

Mit Hilfe der Mehrsondenlösung, die eine vollflächige Nutzung ermöglicht, 
lässt sich ein großes Lager sehr gut entleeren. Vor dem Lager befinden sich 
der Pelletkessel (rechts) und die automatische Umschalteinheit
(Bild: Windhager)

Tipps für die Planung

-

Pelletlager und Transfer zum Kessel

Pelletheizungen kommen heutzutage auch in größeren Objekten zum Einsatz, denn der Brennstoff ist seit Jahren deutlich preiswerter als Heizöl. Zu den unverzichtbaren Systemkomponenten zählen ein Lager und ein Austragungssystem bis zum Wärmeerzeuger.




Bei der...

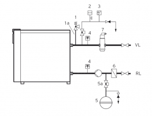
Hydraulikplan Grafik: Vaillant Achtung Prinzipskizze

Erklär mal: Wärmepumpen-Hybrid System

-

Die Zusatzheizung mit fossilen Energieträgern kommt oft in Bestandsgebäuden zum Einsatz da hier bereits eine Energiequelle (Gas oder Öl) vorhanden ist. Es ist eine Kombination aus erneuerbarer Energie und fossilen Brennstoffen.


Dieses System wird auch Hybridsystem genannt.Das Hybridsystem vereint z...

Nach welcher Norm müssen müssen Wärmeerzeuger abgesichert werden?

-

































Tabelle DIN EN 12828

Sicherheitstechnische Ausrüstung für Wärmeerzeuger nach DIN EN 12828

-
































Erklär mal: Kaskade

-

Das statt eines einzigen großen Wärmeerzeugers, der den gesamten Leistungsbereich abdeckt, bei einer Kaskade mehrere kleine Teillast abdeckende Geräte parallel oder in Reihe miteinander verschaltet werden. Dabei übernimmt zum Beispiel ein Gerät di

Verabschiedung der 1. BImSchV im Bundestag

-

Am 3. Dezember 2009 ist die 1. BImSchV im Bundestag verabschiedet worden. Die Novellierung aktualisiert die noch aus dem Jahre 1988 stammenden Regelungen über die Freisetzung von Emissionen in kleineren und mittleren Feuerungsanlagen. Vorrangig sollen dabei die Anforderungen an den verbesserten Stand der Technik der Emissionsminderung angepasst werden, um den technischen Weiterentwicklungen seit 1988 Rechnung zu tragen.

Der Bundesrat hatte im Oktober 2009 der Verordnung mit der Maßgabe einiger klarstellender Änderungen zugestimmt. Diese Änderungen erfoderten eine erneute Zustimmung des Bundestag zur 1.BImSch

Erklär mal: E-Bus

-

ist natürlich kein Ersatz-Bus für einen ausgefallenen Linienbus, sondern eine Kommunikations Datenleitung die angeschlossen an Endgeräte Daten, wie z.B. Temperaturen austauschen kann.

Wie alles begann, die Hypokaustenheizung

-

Die erste Zentralheizung der Menschheitsgeschichte ist die Hypokausten-Fußbodenheizung der Antike. Hypokaustum (Sing.) stammt aus dem Griechischen und bedeutet "von unten beheizt". Römer und Griechen heizten im 1. Jahr

Wärme aus dem Anhänger

-

Wer nun vermutet, dass die Anlagen gerade im Winter Saison haben, der irrt. Nach Angaben des Unternehmens

WERBUNG