Springe auf Hauptinhalt Springe auf Hauptmenü Springe auf SiteSearch
WERBUNG
WERBUNG
WERBUNG

Sonnige Sicht

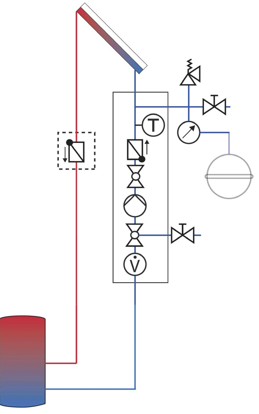
Das Unternehmen PAW aus Hameln sieht in den Erneuerbaren Energien eine zukunftsfähige Technik. Damit die Kraft der Sonne leicht und effizient hydraulisch in das Heizsystem eingebunden werden kann, entwickelte der Hersteller eine eigene Produktfamilie. Die SolarBloC-Serie ist für kleine Anlagen konzipiert, die den Wärmeübertrager bereits im Pufferspeicher installiert haben.

Bei den SolarBloC-Modulen handelt es sich um komplett vormontierte Armaturengruppen für die thermische Solaranwendung in den Nennweiten DN 20, DN 25 und DN 32.

In der Station sind Sicherheits-, Absperr- und Spülarmaturen bereits vorhanden.

PAW GmbH & Co. KG
31789 Hameln
(0 51 51) 98 56 0
info@paw.eu
www.paw.eu

Bild: PAW GmbH & Co. KG, Hameln

Bild: PAW GmbH & Co. KG, Hameln

Auf einen Blick

  • vormontierte Armaturengruppen für thermische Solaranwendung von DN 20, DN 25 und DN 32.
  • Sicherheits-, Absperr- und Spülarmaturen bereits vorhanden
  • einsetzbar für thermische Solaranlagen bis zu einer Größe von 175 m²
  • WERBUNG