Springe auf Hauptinhalt Springe auf Hauptmenü Springe auf SiteSearch
WERBUNG
WERBUNG
WERBUNG
Verdampfung in Solaranlagen

Druck ausüben

Neben der Frage, ob Wasser auch bei über 100 °C flüssig sein kann, stellt sich dann noch die Frage nach dem Sinn. Wozu sollte die Verdampfungstemperatur von Wasser verändert werden? Etwa um Kartoffeln schneller gar zu kochen? Oder um auch heißes Wasser mit höheren Temperaturen flüssig transportieren zu können? Oder um mit der Sonne bessere Geschäfte zu machen? Ja, ja und ja.
Um Kartoffeln durch Erhitzen in ca. 100 °C heißem Wasser schön weich zu kochen, ist ein Zeitraum von 12 bis 18 Minuten nötig. Setzt man die Kartoffel einer Temperatur von 120 °C aus, ist der Garprozess bereits nach sechs bis acht Minuten genauso weit vorangeschritten. Da Wasser aber bei 100 °C dampfförmig wird, geht's nicht ohne Weiteres.
Transportiert man heißes Wasser von 100 °C oder aber von 120 °C, so ist der Unterschied immerhin 20 % bezogen auf den Wärmeinhalt. Beispielsweise ein Fernwärmeversorger möchte nicht unbedingt viel Pumpenleistung aufwenden, um die Wärme zum zahlenden Kunden zu liefern. Da wäre es für ihn von Vorteil, sehr hohe Temperaturen liefern zu können. Wenn das Wasser aber schon bei 100 °C verdampft, hat der Versorger keine Chance.
Eine Solaranlage könnte im Sommer bei enormer Sonneneinstrahlung durchaus derart heftig erwärmt werden, dass die Grenze von 100 °C überschritten wird. Mit dem Ansatz, dass Wasser bei dieser Temperatur verdampft, müsste die solare Energielieferung jenseits der 100 °C eingestellt werden.
Einige Prozesse würden also günstig oder überhaupt erst ablaufen, wenn denn Wasser auch bei höheren Temperaturen als 100 °C noch flüssig bliebe.

Es bleibt doch flüssig

Die drei genannten Beispiele schreien nach einer Lösung, die hier im Anschluss und Schritt für Schritt beschrieben wird.
Auf einen Kochtopf bastelt man einen druckdichten Deckel und setzt das Wasser in diesem geschlossenen Gefäß einem höheren Druck aus.
Dem Fernwärmenetz verpasst man ebenso eine ordentliche druckdichte Mantelung aus Stahlrohr und schon können auch dort hohe Drücke gefahren werden.
Die Solaranlage wird üblicherweise auch als geschlossenes System betrieben und die verwendeten Bauteile wie Kollektoren und Kupferrohr sind ebenfalls druckbeständig.
Und Druck ist das Mittel, mit dem die Verdampfungstemperatur von Wasser und übrigens jeder anderen Flüssigkeit beeinflusst werden kann.

Verdampfung von Wasser

Druckbar > Verdampfungstemperatur °C
0,943 > 98
0,977 > 99
1,013 > 100
1,050 > 101
1,088 > 102
1,126 > 103
1,166 > 104
1,208 > 105
1,432 > 110
1,690 > 115
1,985 > 120
2,700 > 130
4,758 > 150
15,55 > 200
85,67 > 300

Die Umwälzpumpe und Ausdehnungsgefäße können wegen der geringen ­Temperaturbelastung im Kollektorrücklauf angeordnet werden

Bild: Reflex

Die Umwälzpumpe und Ausdehnungsgefäße können wegen der geringen ­Temperaturbelastung im Kollektorrücklauf angeordnet werden

Wasser und Druck

Bleiben wir gedanklich bei einfachem Wasser und einem offenen Gefäß auf einer Kochstelle. Die Energie vom Herd soll locker ausreichen, um die Wassermenge kontinuierlich zu erwärmen. Das Wasser beginnt bereits unterhalb von 100 °C mit einer Blasenbildung. Gebundene Gase wie Sauerstoff und Kohlendioxid entweichen und treiben aus. Bei 100 °C angekommen stagniert die Temperatur und die Flüssigkeit blubbert aufgrund des verdampfenden Wassers am Boden des Kochtopfes, also der heißesten Stelle. Die Temperatur steigt aber nicht mehr. Erst wenn das gesamte Wasser aus dem Topf verdampft ist, steigt die Temperatur wieder an. Faktisch bedeutet das, dass man Kartoffeln bei einer konstanten Temperatur von 100 °C garen könnte, wenn das Wasser vor sich hin blubbert. Im Anschluss daran kann man nur noch Bratkartoffeln bruzzeln. Der Trick, um die Kartoffeln auch in 110 °C kochen und damit schneller garen zu lassen, besteht darin, einen Deckel auf den Topf zu schrauben, in dem ein Sicherheitsventil steckt. Wenn dieses Sicherheitsventil bei ungefähr 1,4 bar absolutem Druck, also 0,4 bar Überdruck abblasen würde, dann könnte das Wasser sich hinreißen lassen, erst bei 110 °C zu kochen. Würde man das Sicherheitsventil so einstellen, dass es erst bei rund 2 bar absolutem Druck oder 1 bar Überdruck auslöst, könnte man die Kartoffeln auch bei 120 °C garen. Es handelt sich bei dem Sicherheitsventil quasi um einen Thermostaten, der sich am Dampfdruck des Wassers orientiert.

Eingebautes Ausdehnungsgefäß einer Solaranlage ohne Vorschaltgefäß

Bild: JoMe-Home Bau

Eingebautes Ausdehnungsgefäß einer Solaranlage ohne Vorschaltgefäß

Ist das hier ein Kochkurs?

Aufgrund des praktischen Beispiels mit dem Kochen von Wasser zur Nahrungszubereitung sollte klar werden, dass man mit dem Erhöhen des Drucks auf einen Maximalwert die Verdampfungstemperatur exakt voraussagen kann. Der Anspruch ist: Sag mir, bei welcher Temperatur ich verdampfen soll, und ich sage dir, welchen Druck du dazu einstellen musst.
Für eine thermische Solaranlage besteht auf diese Weise eine einfache Möglichkeit, die Anlage gezielt von der Wärmeträgerflüssigkeit im Kollektor befreien zu können.
Wenn also im Sommer der Solarspeicher im Keller durchgeladen ist und keine weitere Energie mehr von den Solaranlagen auf dem Dach aufnimmt, so stoppt die Umwälzpumpe die Umwälzung des Wärmeträgers, also des Wassers oder Glykolgemisches. Die Sonne könnte den Kollektor aber weiter aufheizen und für ordentliche Temperatur sorgen. In einem komplett geschlossenen, Wasser führenden System würden sich unter diesen Umständen enorme Drücke aufbauen. Schon bei einer Temperatur von 180 °C müsste der Druck im Solarkreislauf 7,5 bar absoluten Druck betragen, also 6,5 bar Überdruck. 180 °C können aber zweifellos erreicht werden, wenn es eben zu dieser sogenannten Stagnation der Solaranlage kommt. Das will man eigentlich nicht. Weder die Kollektoren noch die anderen Komponenten sollten dauerhaft einem solch hohen Druck ausgesetzt werden. Kritisch ist auch das Glykolgemisch in Bezug auf die Temperaturbelastbarkeit. Diese vor dem Einfrieren geschützten Gemische können durch sehr hohe Temperaturen in ihrer Mischung beeinträchtigt werden. Das bedeutet konkret, dass die Kohlenstoffe des Glykols bei hohen Temperaturen „gecrackt“ werden können. Lässt man dieses Gemisch jedoch gezielt vor Erreichen des thermisch bedingten Crackvorgangs in ein Ausdehnungsgefäß verschwinden, so kann das Schlimmste verhindert werden. Wenn man also bereits bei 120 °Celsius die Kollektoren entleeren möchte, bietet man ein Membranausdehnungsgefäß an, das in Anlehnung an die entsprechende Wunschtemperatur die Tore aufreißt – also die Membrane zurückdrücken lässt.

DICTIONARY

Verdampfungstemperatur = evaporating temperature
Fernwärmenetz = district heating network
Temperaturbelastbarkeit = thermal endurance
Ausdehnungsgefäß = expansion tank

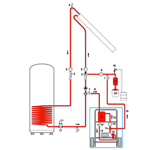
Solaranlage zusätzlich mit mobiler Fülleinrichtung und farblich gekennzeichneter WärmeträgerflüssigkeitLegende:(1) KFE-Hahn (2) Drei-Wege-Ventil mit Rückschlagklappe und Schwerkraftbremse (3) Kugelhahn mit Schwerkraftbremse(4) automatischer Entlüfter (5) Zeigerthermometer(6) Manometer (7) Durchflussmengenbegrenzer mit KFE-Hahn zum Spülen und Entlüften (8) Rücklaufschlauch (9) Solarflüssigkeitsbehälter (10) Hahn-Befülleinrichtung (11) Drei-Wege-Ventil (12) Filter (13) Befüllpumpe (14) Thermometer-Befüllpumpe (15) Bypassleitung (16) Druckschlauch (17) Luftabscheidesystem (optional) (18) Sicherheitsventil (19) Vorschaltgefäß (optional) (20) Ausdehnungsgefäß mit Schnellkupplung

Solaranlage zusätzlich mit mobiler Fülleinrichtung
und farblich gekennzeichneter Wärmeträgerflüssigkeit
Legende:(1) KFE-Hahn
(2) Drei-Wege-Ventil mit Rückschlagklappe und Schwerkraftbremse
(3) Kugelhahn mit Schwerkraftbremse
(4) automatischer Entlüfter
(5) Zeigerthermometer
(6) Manometer
(7) Durchflussmengenbegrenzer mit KFE-Hahn
zum Spülen und Entlüften
(8) Rücklaufschlauch
(9) Solarflüssigkeitsbehälter
(10) Hahn-Befülleinrichtung
(11) Drei-Wege-Ventil
(12) Filter
(13) Befüllpumpe
(14) Thermometer-Befüllpumpe
(15) Bypassleitung
(16) Druckschlauch
(17) Luftabscheidesystem (optional)
(18) Sicherheitsventil
(19) Vorschaltgefäß (optional)
(20) Ausdehnungsgefäß mit Schnellkupplung

Blanke Theorie oder Praxis?

Die vorgestellten Zusammenhänge sind nicht aufgrund reiner theoretischer Überlegungen entstanden. Vielmehr werden die praktischen Vorgänge einer thermischen Solaranlage insbesondere für die Sommermonate vorgestellt. Wenn das Zapfen von Warmwasser während des zweiwöchigen Urlaubs komplett entfällt und kontinuierlich die Sonne scheint, ist die Stagnation einer Solaranlage also mehr als nur wahrscheinlich. Den Prozess des Verdampfens kann der Anlagenmechaniker steuern. Damit schützt er das Glykolgemisch vor dem Cracken. Theoretisch könnte man die Dampfbildung weiter rauszögern. Aber beim Erreichen eines Maximaldrucks bläst dann das Sicherheitsventil ab. Die abgelassene Menge an Glykol würde dann allerdings im Kollektorkreislauf fehlen. Dies würde dann natürlich den Einsatz des Anlagenmechanikers erfordern. Er müsste mit professioneller Nachfülleinrichtung die Solaranlage nach einem solchen Vorgang erst wieder betriebsfähig auf Druck bringen. Das kostet naturgemäß Geld und trübt die Wirtschaftlichkeit der Solaranlage.

FILM ZUM THEMA

Eine kurze Anima­tion zeigt den separaten Kreislauf des flüssigen Wärmeträgers

www.sbz-monteur.de ➔ Das Heft ➔ Filme zum Heft

WERBUNG