Hydraulische Grundschaltungen mit Zwei- und Dreiwege-Ventilen
 
    
Mengenvariable und mengenkonstante Kreise
Die Leistungen (Wärme- und Kältemenge) an einem Erzeuger oder Verbraucher sind proportional zum Produkt aus Massenstrom und Temperaturdifferenz über den Erzeuger oder Verbraucher.
Q = V * cp * Δϑ * ρ [kJ/s = kW]
Für unsere Betrachtungen und üblichen Anwendungen in der Haustechnik nehmen wir cp und die Dichte ρ als konstant an.
Q ~ V * Δϑ
Volumenstrom wird verändert bei
konstanter Temperatur
- => mengenvariabler Betrieb
- => Durchflussregelung
Temperatur wird verändert bei
konstantem Volumenstrom
- => mengenkonstanter Betrieb
- => Mischregelung
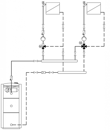
Beimischschaltung
 
    
Funktion:
Ein Dreiwege-Ventil unterteilt einen Kreis in eine Primär- und Sekundärseite, wobei in aller Regel die Primärseite die Wärme erzeugende oder Wärme liefernde und die Sekundärseite die Wärme verbrauchende Seite darstellt. Wärmeres Heizungswasser und abgekühltes Rücklaufwasser werden gemischt, um die gewünschte Vorlauftemperatur für den Verbraucher um somit dessen Leistung bedarfsabhängig zu regeln.
Eigenschaften:
− Tiefe Rücklauftemperaturen bei kleiner Last (Leistung, Verbrauch)
− Variabler Volumenstrom im Erzeugerkreis (Primärseite)
− Konstanter Volumenstrom mit variabler Temperatur im Verbraucherkreis (Sekundärseite)
− Gleichmäßige Temperaturverteilung über den Wärmeverbraucher
− Geringe Einfriergefahr bei Lufterhitzern
Einsatzgebiet:
− Regelung von Radiator- und Fußbodenheizungen
− Regelung von Lufterhitzern mit Einfriergefahr
− Anlagen mit Niedertemperatur-Wärmeerzeugern oder Wärmepumpen
 
    
Funktion:
− Ein Dreiwege-Ventil unterteilt einen Kreis in eine Primär- und Sekundärseite, wobei in aller Regel die Primärseite die Wärme erzeugende oder Wärme liefernde und die Sekundärseite die Wärme verbrauchende Seite darstellt.
− Zusätzlich wird durch die feste Vormischung immer ein bestimmter Anteil abgekühltes Rücklaufwasser dem Vorlauf beigemischt. Dies ist dann sinnvoll, wenn die gewünschte Vorlauf- Solltemperatur des Verbrauchers im Auslegungszustand deutlich unter der Vorlauftemperatur aus dem Erzeuger liegt. So wird erreicht, dass das Dreiwege-Ventil über den gesamten Stellbereich (Proportionalbereich) (zu bis voll offen) arbeitet.
 
    
Eigenschaften:
− Tiefe Rücklauftemperaturen bei kleiner Last
− Variabler Volumenstrom im Erzeugerkreis
− Konstanter Volumenstrom mit variabler Temperatur im Verbraucherkreis
Einsatzgebiet:
− Verbraucherkreise (Fußbodenheizkreis) mit wesentlich tieferen Vorlauftemperaturen gegenüber dem Erzeugerkreis, z. B. 70/55 °C Radiatorheizkreis mit Fußbodenheizkreis am gleichen Verteiler (Altbausanierung/ Erweiterung)
− Fernwärmeübergabestationen mit direkt angeschlossenen Wärmebrauchskreisen
 
     
     
     
     
     
    