Die schematische Darstellung wird oft für einfache Anlagen verwendet. Sie wird auch geographische Darstellung genannt und weist einen engen Bezug zur konstruktiven Lösung auf. Für sehr große Anlagen wird die geographische Darstellung schnell unübersichtlich, vor allem wenn komplexe Zusammenhänge der Verbraucher oder Erzeuger dargestellt werden müssen; z.B. große Kesselanlagen mit integrierter Kaltwassertechnik und verschiedenen Temperaturzonen und Unterverteilungen für Prozesstechnik oder industrielle Anwendungen.
       
    
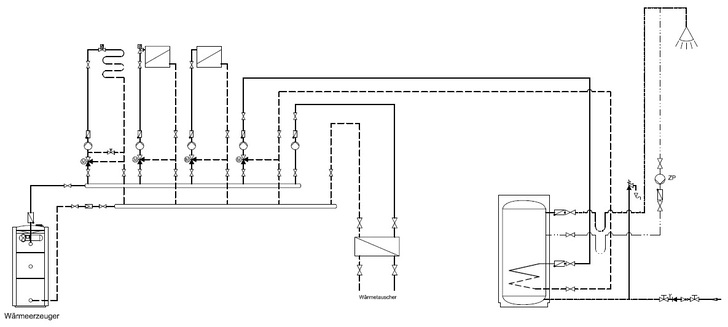
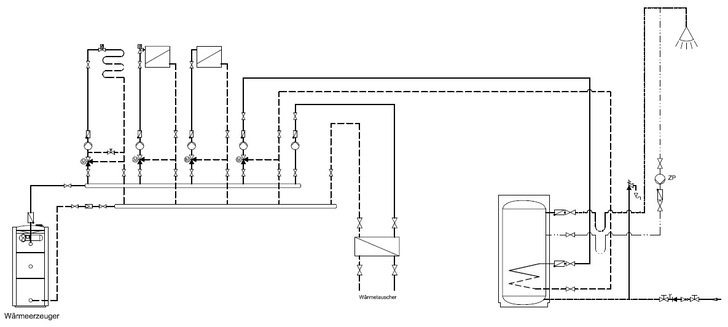
Beispiel einer Heizungsanlage mit mehreren Verbrauchern in geographischer Darstellung
Aufgrund der immer komplexeren Anlagen und dem verbreiteten Einsatz von CAD-Systemen kommen für diese Anlagen andere, strukturiertere Darstellungsweisen zur Anwendung: Die synoptische Darstellung. Diese ermöglicht die schematische Darstellung von sehr komplexen und umfangreichen Anlagen in einer klar strukturierten und übersichtlichen Art und Weise. Bei der synoptischen Darstellung sind einige wichtige Regeln zu beachten:
− Der Vorlauf wird oben und der Rücklauf unten gezeichnet. Dies wird oft auch als die Versorgungsschiene bezeichnet.
− Wärmeerzeuger und Verbraucher werden parallel in Flussrichtung zwischen Vorund Rücklauf eingezeichnet.
Geographische und synoptische Darstellung einer einfachen Anlage:
       
    
Geographische Darstellung Synoptische Darstellung
 
     
     
     
     
     
    