Springe auf Hauptinhalt Springe auf Hauptmenü Springe auf SiteSearch
WERBUNG
WERBUNG
WERBUNG

Erklär mal: Verteilerschaltungen

In der Praxis sind es meist mehrere Verbraucher, die von einem Erzeuger versorgt werden. Der Verteiler wird als Bindeglied zwischen der Erzeugerseite und mehreren Verbrauchern eingebaut. Er verteilt das Wasser im Vorlaufverteiler auf die

verschiedenen Verbraucher und sammelt im Rücklaufsammler das Wasser aller Verbraucher.

Die Verbraucher – und Erzeugerseite stellen besondere Anforderungen an den Verteiler, z. B. Druckverhältnisse, konstanter oder variabler Durchfluss, notwendige Vor- und Rücklauftemperaturen, etc. Um die unterschiedlichen Anforderungen und Bedingungen zu erfüllen, bedarf es verschiedener Verteilertypen. Verteiler können wie folgt eingeteilt werden:

Der Verteiler kann nicht für sich alleine betrachtet werden. Es ist wichtig, dass die zum Verteilertyp passenden Verbraucherschaltungen eingesetzt werden. Dabei ist zu beachten, dass Verbraucherschaltungen mit gleichem (oder ähnlichem) Verhalten eingesetzt werden.

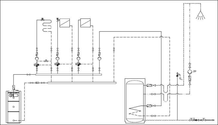
Verteilertyp 1 ohne Hauptpumpe für Verbraucherschaltungen mit Mischventil

Verteilertyp 1 ohne Hauptpumpe für Verbraucherschaltungen mit Mischventil
Verteilertyp 1 ohne Hauptpumpe für Verbraucherschaltungen mit Mischventil

Eigenschaften:

− Rücklauftemperatur tief

− Volumenstrom variabel über Erzeuger, konstant über Verbraucher

− Starke gegenseitige Beeinflussung der Verbrauchergruppen (d. h. jede größere Veränderung in einem Verbraucher (Heizkreis) führt zu Druckveränderungen am Verteiler, deren Auswirkungen auf die anderen Gruppen von diesen ausgeregelt

werden müssen)

− Gefahr von Fehlzirkulation, wenn der Abgang zur Brauchwasserladung am Verteilerende angeordnet ist

Wichtig für problemlosen Einsatz:

− Keine Wärmeerzeuger, die einen Minimaldurchfluss benötigen (Mindestvolumenstrom)

− Max. Druckverlust im Erzeugerkreis <20 % des niedrigsten Verbraucher-Förderdrucks der Pumpe => Leitungen kurz und großzügig dimensionieren (v ~ 0,2 – 0,4 m/s)

− Stellglieder der Verbrauchergruppen korrekt dimensionieren − Temperaturdifferenz zwischen Vor- und Rücklauf in den jeweiligen Verbrauchergruppen einhalten (d. h. Abgleich mittels Abgleichdrossel (Regulierventil) korrekt vornehmen)

Einsatzgebiet:

− Wärmeerzeuger, die tiefe Rücklauftemperaturen erfordern (z. B. Brennwertkessel)

− Wärmeerzeuger, die keinen Mindestvolumenstrom benötigen

− Boiler/Speicherladung

Verteilschaltungen Typ 2-4 in den nächsten Wochen!

 

 

WERBUNG