Springe auf Hauptinhalt Springe auf Hauptmenü Springe auf SiteSearch
WERBUNG
WERBUNG
WERBUNG

Erklär mal: Wie funktioniert ein elektronischer DHE

 

Funktionsschema elektronischer DHE Bild: Vaillant
Funktionsschema elektronischer DHE Bild: Vaillant

1 Anschlussstück für Kaltwasser

2 Wassersieb

3 Kaltwasserabsperrventil

4 Leistungs- und Regelungselektronik

(mit von vorn leicht zugänglichen Messpunkten)

5 Display mit Bedientasten

6 Sicherheitsschalter

7 Flügelrad

8 Kaltwasservorlaufstrecke

9 Stellmotor

10 Warmwassernachlaufstrecke

11 Sicherheitstemperaturbegrenzer

12 Heizblock mit Heizwendeln

13 Auslauftemperaturfühler

14 Anschlussstück für Warmwasser

Funktion

Das Funktionsschema zeigt den Vaillant Elektro-Durchlauferhitzer electronicVED exclusiv im Betrieb.

Sobald ein Warmwasser Zapfventil geöffnet wird, fließt Kaltwasser durch das das Wassersieb (2) zum Flügelrad (7). Dieses bestimmt den Durchfluss und leitet seinen Messwert zur Elektronik (4). Im Heizblock wird das Wasser durch

die elektronisch geregelten Heizwendeln (12) gradgenau erwärmt. Um die vorgewählte Warmwassertemperatur erreichen zu können, wird von der Elektronik in Verbindung mit den Werten der Fühler für Ein- und Auslauftemperatur,

des Flügelrades sowie der eingestellten Warmwassertemperatur (5) die hierfür erforderliche Leistung ermittelt.

Die Elektronik versucht immer zuerst die eingestellte Temperatur durch Regelung der Leistung zu erreichen. Die entnehmbare Wassermenge bei einer bestimmten Warmwassertemperatur ist durch die Anschlussleistung der Geräte 18-21 oder 24kW begrenzt. Reicht die Leistung nicht aus, bewirkt das Regelungssystem Temptronic über den Stellmotor (9) und das Wassermengenregelventil eine Reduzierung der Wassermenge. Der Auslauftemperaturfühler (13) liefert der Elektronik einen Wert über das Regelergebnis.

Der Sicherheitsschalter schaltet nur, wenn aufgrund einer Störung noch elektrische Leistung an den Heizwendeln anliegt, obwohl der Durchfluss kleiner als 1,2 I/min ist.

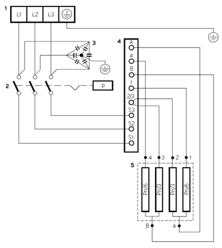
Verdrahtungsplan VED exklusive Bild: Vaillant
Verdrahtungsplan VED exklusive Bild: Vaillant

1 Netzanschlussklemme

2 Sicherheitsschalter

3 Kondensator

4 Anschluss Triacs

5 Heizblock mit Heizwendel

Betriebsbereiche für Leistung und Zapfmenge Bild: Vaillant
Betriebsbereiche für Leistung und Zapfmenge Bild: Vaillant

Die Abb. zeigt als blau hinterlegten Bereich, wieviel Wasser bei bestimmten Kalt- und Warmwassertemperaturen beim electronicVED exclusiv (21 kW) gezapft werden kann. Die Funktion der Leistungs- und Wassermengenregelung Temptronic kann man sich so leicht klarmachen.

Wird z. B. an mehreren Zapfstellen Wasser mit einer Temperatur von 40 °C entnommen, so würde bei einer Kaltwassereinlauftemperatur von 15 °C mit 12 I/min die elektrische Leistungsgrenze des Gerätes erreicht, da dieser Betriebspunkt

auf der roten Leistungsgrenze für 15 °C liegt.

Beim weiteren Öffnen einer Zapfstelle wird dann die Gesamtwassermenge des electronicVED exclusiv (21 kW) durch das Wassermengenregelventil auf 12 I/min begrenzt, damit die Temperatur konstant 40 °C bleibt.

 

„Schwingungspaket“ von Stefan Riepl (Quark48) - Eigenes Werk (Originaltext: selbst erstellt). Lizenziert unter Gemeinfrei über Wikimedia Commons - http://commons.wikimedia.org/wiki/File:Schwingungspaket.gif#/media/File:Schwingungspaket.gif

Leistungsregelung eines VED exclusive Bild: Vaillant
Leistungsregelung eines VED exclusive Bild: Vaillant

Die Abb. zeigt, wie der electronicVED exclusiv seine Leistung den Bedürfnissen des Nutzers stufenlos anpasst.

Es sind 11 Schaltstufen (blaue Fläche) voreingestellt. Die jeweilige Feineinstellung erfolgt durch Schwingungspaket-Steuerung (dunkelblaue Dreiecke).

WERBUNG