Springe auf Hauptinhalt Springe auf Hauptmenü Springe auf SiteSearch
WERBUNG
WERBUNG
WERBUNG

Alles redet von Hybrid! Was ist das nur?

Nach Wikipedia ist Hybrid folgendes: Das Substantiv Hybrid und das Adjektiv hybrid beziehen sich auf etwas Gebündeltes, Gekreuztes oder Gemischtes. Sie stammen ab von lateinisch hybrida „Mischling“. Und mischen lässt sich in der Technik so ziemlich alles.

Bsp. Wärmepumpe

Man nehme eine Elektro-Wärmepumpe und ein Gas-Wandheizgerät und kombiniert beide Systeme zu einer Einheit und schon hat man sein Hybrid-Heizsystem.

Das Hybrid-Wärmepumpensystem erzeugt Wärme in Heizungsanlagen, indem es die Wärmeenergie einem Wärmequellenkreis entzieht und über den internen Kältekreis an den Heizkreis abgibt. Die Warmwasserbereitung übernimmt dabei ein Gas-Heizgerät. Das System besteht aus zwei Wärmeerzeugern (einer Wärmepumpe und einem Gas-Heizgerät), die im Heizbetrieb gemeinsam Wärmeenergie an den Heizkreis/die Heizkreise abgeben. Die Warmwasserbereitung kann dabei aus Effizienz-Gründen ausschließlich vom Gas-Heizgerät vorgenommen werden.

Im Hybrid Wärmepumpensystem wird der Umwelt Wärmeenergie mithilfe einer Wärmepumpe entzogen.  In unserem Beispiel ist das eine 3kW Wärmepumpe, die als Wärmequelle das Erdreich nutzt. Die Sole nimmt die kostenlose Umwelt-Energie aus dem Erdreich auf. Dabei strömt das Wärmequellenträgermedium – die Soleflüssigkeit – durch die Erdsonde und tritt anschließend in dem Verdampfer-WT ein. Die erwärmte Soleflüssigkeit gelangt in den Verdampfer der Wärmepumpe und gibt dort die Wärme an das Kältemittel ab, sodass das Kältemittel dampfförmig wird.

Der Kompressor hebt anschließend diese Quellenenergie auf ein höheres Temperaturniveau, in dem er den Kältemitteldampf komprimiert. Im Kondensator schließlich gibt das Kältemittel die Wärmeenergie an das Heizungswasser ab.

Warum Hybrid?

In Deutschland werden rund drei Viertel des privaten Energiebedarfs allein für die Erzeugung von Heizungswärme und Warmwasser aufgewendet. Die Energiegewinnung wird dabei hauptsächlich über die Verbrennung fossiler Energieträger realisiert.

Ein sparsamer Umgang mit den natürlichen Ressourcen und die damit verbundenen ökonomischen und ökologischen Vorteile sind jedoch für immer mehr Menschen entscheidende Kriterien bei der Auswahl eines geeigneten Heizsystems. Zudem stellt das EEWärmeG (§ 1) seit 2009 das gesetzliche Ziel auf, bis 2020 mindestens 14 % des Wärme- und Kälteenergiebedarfs von Gebäuden durch erneuerbare Energien zu decken.

Zur Durchsetzung dieses Ziels begründet das Gesetz die allgemeine Pflicht, Neubauten in Höhe eines vorgeschriebenen Prozentsatzes mit erneuerbaren Energien zu versorgen. Aber auch im Altbau ist ein Trend zur Nachrüstung von bestehenden Heizungsanlagen mit erneuerbarer Energie zu beobachten. Hier bietet sich die Wärmepumpentechnologie als echte Alternative an. Durch Nutzung der in der Umwelt gespeicherten Sonnenenergie und geothermischer Energie werden für 100 % Heizenergie lediglich ca. 25 % elektrische Antriebsenergie benötigt. Zudem ist die Wärmepumpe als einziges regeneratives Heizsystem in der Lage, das ganze Jahr über eigenständig Heizungsenergie und warmes Wasser zu erzeugen.

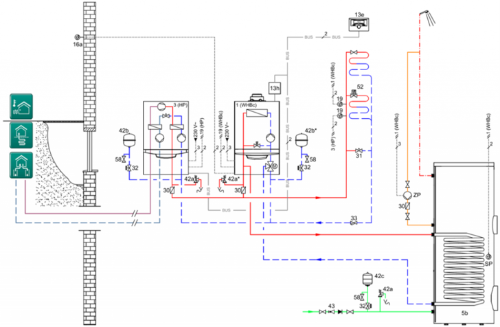
Systemschemata Hybride Anlage Grafik: Vaillant
Systemschemata Hybride Anlage Grafik: Vaillant

Ein Hybridsystem ist als ergänzende Hocheffizienzlösung für den Gebäudebestand wie auch für Neubauten konzipiert. Dabei deckt die Wärmepumpe mit 3 kW hauptsächlich den Heizwärmebedarf in den Übergangszeiten mit Außentemperaturen ≥ 0 °C ab (Grundlast). Das Gas-Wandheizgerät deckt den Heizwärmebedarf bei niedrigen Außentemperaturen ab. Die Warmwasserbereitung erfolgt ausschließlich aus Effizienzgründen über das Gas-Wandheizgerät.

WERBUNG