Schichtung des Pufferspeichers bei Verwendung einer Pufferspeicher-Regelung
Der Pufferspeicher kann für verschiedene Zwecke eingesetzt werden:
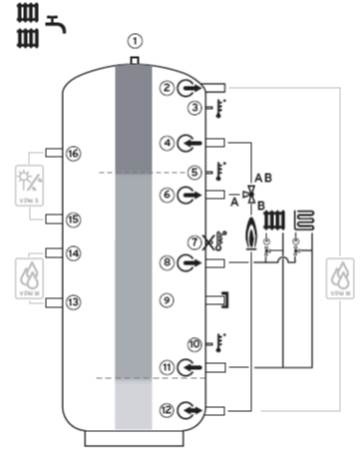
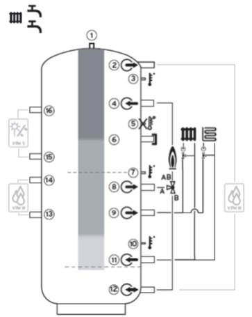
Warmwasserbereitung und Heizanlagen im Wohnbereich (siehe Abb. 3.2) Warmwasserbereitung und Heizanlagen mit erhöhtem Warmwasserbedarf (siehe Abb. 3.3) z. B. in Sportstätten) reine Warmwasserbereitung (ohne Heizung)
reine Heizanlagen (ohne Warmwasserbereitung).
Die Einsatzmöglichkeiten hängen vom Bedarf und auch vom eingesetzen Heizgerät ab.
       
    
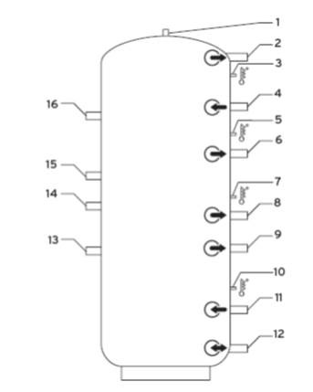
Legende
1 Entlüftungsventil
2 Vorlauf Heizwasser für Trinkwasserstation bei Wandmontage
3 Fühlerrohr 1
4 Vorlauf Heizgerät
5 Fühlerrohr 2
6 Rücklauf Heizgerät
7 Fühlerrohr 3
8 Rücklauf Heizgerät oder Vorlauf Heizkreise
9 Vorlauf Heizkreise
10 Fühlerrohr 4
11 Rücklauf Heizkreise
12 Rücklauf Heizgerät oder Rücklauf Trinkwasserstation bei Wandmontage
13 Rücklauf Heizwasser für die Trinkwasserstation
14 Vorlauf Heizwasser für die Trinkwasserstation
15 Rücklauf Heizwasser für die Solarladestation
16 Vorlauf Heizwasser für die Solarladestation
Der Pufferspeicher verfügt über vier Fühlerrohre (siehe 3, 5, 7 und 10 in Abb. 3.1, 3.2 und 3.3). Es können drei Speicherfühler eingesetzt werden. Fühler 1 erfasst die Temperatur im Komfortbereich für die Warmwasserbereitung (obere 10 % des Speichervolumens), siehe 3 in Abb. 3.2 und 3.3.
Fühler 2 erfasst die Temperatur im Bereich für die gewöhnliche Warmwasserbereitung (darunterliegende 20 % bzw. 40 %), siehe 5 bzw. 7 in Abb. 3.2 und 3.3.
Fühler 3 (Bereich für Raumheizung) ist für die darunterliegenden 50 bzw. 30 % der Heizungsversorgung zuständig, siehe 10 in Abb. 3.2 und 3.3.
       
    
Die drei Speicherfühler lösen nacheinander, von oben angefangen, bei Unterschreitung eines Sollwertes jeweils eine Wärmeanforderung mit den Parametern Temperatur und Wärmequelle aus. Je nach Systemkomponenten und Solareinstrahlung wird hier die Solarladestation und der Nacherwärmer angesprochen (Heizgeräte). Durch unterschiedliche Position des Speicherfühlers 2 kann der Pufferspeicher für unterschiedliche Heizungs- und Warmwasserbedarfe angepasst werden. Für Wohngebäude: Fühlerrohr 5 für Sport- oder Betriebsstätten (erhöhter Warmwasserbedarf): Fühlerrohr 7
       
    
 
     
     
     
     
     
    