Springe auf Hauptinhalt Springe auf Hauptmenü Springe auf SiteSearch
WERBUNG
WERBUNG
WERBUNG
Gefährlicher Mangel in der Serie

Zum Bersten gebaut

In meiner Eigenschaft als öffentlich bestellter und vereidigter Sachverständiger habe ich mittlerweile mehrfach die jeweils verwandten Ursachen für umfangreiche und teure Wasserschäden an Neubauten ermitteln müssen. Jedes Mal war kurz nach der Inbetriebnahme der Trinkwasserinstallation ein Rohr im Bereich der Trinkwasserinstallation einzelner Wohnungen geplatzt. Umfangreiche Versuche ließen am Ende den Schluss für eine Erklärung zu. Ich leite Sie in diesem Bericht hin zu der Ursache und gebe Tipps, wie Sie diese effektiv verhindern können oder im Zweifel entsprechend nachbessern, damit erstmal nichts mehr passiert.

DICTIONARY

Mehrfamilienhaus = multi-family house
Durchlauferhitzer = flow-type heater
Unterputzmontage = in-wall mounting
Mitbewerber = competitor

Sobald eine Warmwasserleitung auf dem Weg zwischen Erwärmer und Zapfstelle mehr als 3 l aufweist, handelt es sich um eine Großanlage – es sei denn, sie befindet sich in einem Ein- oder ­Zweifamilienhaus

Bild: IBH

Sobald eine Warmwasserleitung auf dem Weg zwischen Erwärmer und Zapfstelle mehr als 3 l aufweist, handelt es sich um eine Großanlage – es sei denn, sie befindet sich in einem Ein- oder ­Zweifamilienhaus

Der Sinn der Kompaktstationen

Der umgangssprachlich als Boiler bezeichnete Trinkwasser­erwärmer stand jahrzehntelang im Keller des Mehrfami­lienhauses und verteilte von dort aus das warme Trinkwasser zu den Wohnungen. Damit die weit entfernten Wohnungen nicht am frühen Morgen erst minutenlang auf warmes Wasser warten mussten, wurde dies ständig umgewälzt, also über eine Zirkulationsleitung zum Boiler zurückgetrieben. Das passte dann gut zu der Forderung, dieses Wasser auf 60 °C zu erwärmen und mit mindestens 55 °C in den Boiler zurückzuschicken. In den Wohnungen selber konnte das Wasser nicht zirkulieren, musste man doch einen Wasserzähler am Eingang zu den Wohnungen montieren. Innerhalb der Wohnungen durfte das Trinkwasser aber nicht übermäßig stagnieren. Das bedeutet, dass bis zur entferntesten Zapfstelle kein Volumen von mehr als 3 l stagnieren durfte.
Dem Trend der letzten Jahre folgend wurden für Mehrfamilienhäuser dann immer häufiger die sogenannten Kompaktstationen in den Wohnungen eingesetzt. Der Grund dafür ist plausibel und nachvollziehbar. Man braucht für diese Kompaktstationen nur noch eine Kaltwasserleitung zu den Wohnungen zu führen. Dort wird das kalte Wasser wohnungsweise gezählt und dann verbraucht. Wird vom Nutzer warmes Wasser gefordert, so wird dies innerhalb der Wohnung erwärmt. In einem besonderen Durchlauferhitzer lässt es sich auf Wunschtemperatur bringen. Dieser Durchlauferhitzer wird aber nicht zwingend mittels elektrischen Stroms erwärmt. Hier kann vielmehr das Heizungswasser der Lieferant für Wärmeenergie sein. Angetrieben durch eine zentrale Pumpe wird dieses Heizungswasser ständig umgewälzt und versorgt, beispielsweise an kalten Tagen, die Wohnungen mit Heizenergie. Möchte aber jemand warmes Wasser zapfen, so wird das Heizungswasser statt zu den Heizflächen der Wohnung zu ­einem Wärmetauscher geleitet. Dieser Wärmetauscher erwärmt das Trinkwasser im Durchflussprinzip. Den allgemein anerkannten Regeln der Technik ist es letztlich egal, ob Trinkwasser in einem elektrischen Durchlauferhitzer oder in einer der hier beschriebenen Kompaktstationen erwärmt wurde. Fakt ist, dass es sich nach der Definition des DVGW-Arbeitsblattes 551 um eine G Kleinanlage handelt. Eine Beprobung der Trinkwasserinstallation auf Legionellen ist daher nicht zwingend vorgeschrieben.
So wird einerseits also die Pflicht zur Beprobung ausgehebelt, aber auch faktisch etwas gegen die Vermehrung von Legionellen unternommen.

Kleinanlagen

Kleinanlagen sind alle Anlagen mit Speicher-Trinkwassererwärmern oder zentralen Durchfluss-Trinkwassererwärmern in:
a) Einfamilienhäusern und Zweifamilienhäusern – unabhängig vom Inhalt des Trinkwassererwärmers und dem Inhalt der Rohrleitung
b) Anlagen mit Trinkwassererwärmern mit einem Inhalt ≤ 400 l und einem Inhalt ≤ 3,0 l in jeder Rohrleitung zwischen dem Abgang Trinkwasser­erwärmung und Entnahmestelle. Dabei wird die Zirkulationsleitung nicht berücksichtigt.

Die Standardsituation für eine Kompaktstation sieht keine Zirkulation innerhalb der angeschlossenen Wohnung vor.1. Ein Fühler misst die Austrittstemperatur des warmen Trinkwassers2. Ein Regler im Rücklauf des Heizungswassers regelt entsprechend die Heizleistung des Wärmetauschers

Bild: IBH

Die Standardsituation für eine Kompaktstation sieht keine Zirkulation innerhalb der angeschlossenen Wohnung vor.
1. Ein Fühler misst die Austrittstemperatur des warmen Trinkwassers
2. Ein Regler im Rücklauf des Heizungswassers regelt
entsprechend die Heizleistung des Wärmetauschers

Großanlagen

Es handelt sich um eine Großanlage, wenn folgende Merkmale vorliegen:
a) Speicher-Trinkwassererwärmer oder zentraler Durchfluss-Trinkwassererwärmer jeweils mit einem Inhalt von mehr als 400 l
oder
b) ein Inhalt von mehr als 3 l in mindestens einer Rohrleitung zwischen Abgang des Trinkwasser­erwärmers und einer Entnahmestelle. Dabei wird der Inhalt einer Zirkulationsleitung nicht berücksichtigt.Entsprechende Anlagen in Ein- und Zweifamilienhäusern zählen nicht zu Großanlagen zur Trinkwasser­erwärmung.

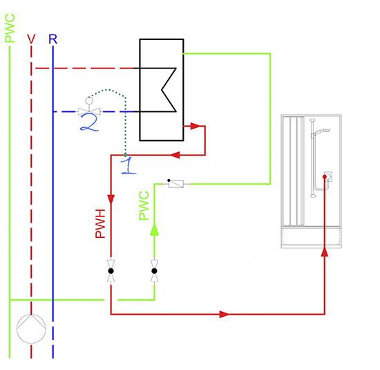
Die normale Funktion der Kompaktstationen

Im ersten Schema, unten auf Seite 20, sehen Sie die für die Trinkwasserinstallation relevanten Einbauten dieser 1000-fach installierten Kompaktstationen. Das kalte Wasser (PWC für Potable Water Cold) wird zum Wärmetauscher geleitet. Hinter dem Wärmetauscher führt eine Warmwasserleitung (PWH für Potable Water Hot) zu den Zapfstellen in der Wohnung. Wird beispielsweise an einer Dusche warmes Wasser angefordert, so registriert ein Fühler (1), ob die Erwärmung des Wassers gemäß den Anforderungen erfolgt. Ist die Solltemperatur genau erreicht, bewirkt der Fühler (1) nichts. Ist die Temperatur zu gering, wird ein Regelventil (2) weiter geöffnet. Dieses Öffnen des Regelventils lässt Heizungswasser aus der Zentrale des Hauses schneller durch den Wärmetauscher zur Warmwasserbereitung strömen. Dadurch erhöht sich die Leistung dieses Wärmetauschers.
Während des Zähneputzens fließt beispielsweise nur sehr wenig PWH an dem Fühler (1) vorbei. Das Regelventil (2) ist also nur minimal geöffnet und die Leistung am Tauscher entsprechend gering. Wird jedoch im nächsten Moment geduscht, rauscht an dem Fühler (1) viel Wasser entlang und würde diesen abkühlen. Der Fühler (1) gibt aber sofort den Befehl an das Regelventil (2), mehr Heizungswasser durch den Tauscher fließen zu lassen. Damit wird die Leistung kurzfristig angepasst und ein komfortabler Betrieb wird erreicht.
Ein solches System läuft in der Regel zuverlässig und ohne Störung.

Die Komfortausstattung für eine Kompaktstation mit Zirku­la­tion innerhalb der angeschlossenen Wohnung:1. Ein Fühler misst die Austrittstemperatur des warmen Trinkwassers2. Ein Regler im Rücklauf des Heizungswassers regelt ent­sprechend die Heizleistung des Wärmetauschers3. Das Rückschlagventil verhindert Rückdrücken von sich erwärmendem Trinkwasser4. Ein Sicherheitsventil muss für diesen Einsatz integriert werden, damit hohe Drücke abgebaut werden können

Bild: IBH

Die Komfortausstattung für eine Kompaktstation mit Zirku­la­tion innerhalb der angeschlossenen Wohnung:
1. Ein Fühler misst die Austrittstemperatur des warmen Trinkwassers
2. Ein Regler im Rücklauf des Heizungswassers regelt ent­sprechend die Heizleistung des Wärmetauschers
3. Das Rückschlagventil verhindert Rückdrücken von sich erwärmendem Trinkwasser
4. Ein Sicherheitsventil muss für diesen Einsatz integriert
werden, damit hohe Drücke abgebaut werden können

Die aufgemotzte Version

Für sehr hochwertige Wohnungen wurden die Kompaktstationen ordentlich aufgemotzt. Man spendierte für diese Komfortversion eine Zirkulationspumpe im Warmwassersystem. Sie sehen eine Schemazeichnung dieses Aufbaus oben auf dieser Seite. Im Zulauf zum Wärmetauscher, also dort wo auch das PWC nachströmt, wurde die Zirkulation eingeführt. Ein Detail, das bisher nicht beachtet wurde, bekommt nun eine wichtige Funktion. Das Rückschlagventil (3) verhindert, dass das PWH sich bei Ausdehnung oder durch die Umwälzung zurückbewegt ins System des Kaltwassers. Und jetzt folgt der nächste Schritt.
Wie immer, wenn Wasser erwärmt wird, dehnt sich dieses aus. Das zirkulierende Wasser rauscht immer wieder durch den Wärmetauscher und erfährt eine Erwärmung. Zumindest erfolgt die Erwärmung des Trinkwassers so lange, bis ein Gleichstand herrscht zwischen dem zirkulierenden Trinkwasser und dem zirkulierenden Heizungswasser. Bis dieser Gleichstand herrscht, kann das Trinkwasser sich nirgends ausdehnen. Das Wasser ist gleichzeitig aber auch noch von Hause aus inkompressibel, lässt sich also nicht zusammendrücken wie etwa Luft oder andere Gase. Jede noch so geringe Ausdehnung führt also direkt zu einer Druckerhöhung im System.
Abhilfe für eine Anhebung des Drucks auf eventuelle ungesunde Höhen schafft dann ein Sicherheitsventil (4). Es bläst ab, wenn Drücke von 6, 8 oder 10 bar erreicht werden, je nach Typ des Sicherheitsventils. Das abgelassene Wasser des Sicherheitsventils mündet dann sichtbar in einen Trichter, der es per Siphon ins Abwassersystem entlässt.
Jetzt fragen Sie sich sicherlich, warum ich so einen reißerischen Titel für diesen Bericht gewählt habe, wo doch vom Bersten bisher nicht die Rede ist.
Fakt ist, dass einige Kompaktstationen ohne dieses Sicherheitsventil geliefert werden. Damit ist dem System im Zweifel eine Selbstzerstörungsmechanismus eingebaut worden. Das Wasser dehnt sich aus, kann aber wegen des geschlossenen Rückschlagventils (3) nicht zurück in das weitläufige System des Hauses. Das sich erwärmende und gleichzeitig ausdehnende Wasser verbleibt als anschwellendes Volumen in dem starren System der Wohnung. Die Drücke erreichen dabei locker Werte von über 30 bar.

Kompaktstationen stellen eine zeitgemäße Art der dezentralen Warmwasserbereitung dar

Kompaktstationen stellen eine zeitgemäße Art der dezentralen Warmwasserbereitung dar

Ursache sicher entlarvt?

Dieser beschriebene Vorgang ließ sich seinerzeit während eines Ortstermins beweisen. Das Trinkwassersystem einer Wohnung wurde dazu mit einem Druckmessgerät ausgestattet. Die Zirkulation wurde dann in Betrieb gesetzt und der Druck im Trinkwassersystem stieg sofort und kontinuierlich an. Um eine Zerstörung der dort betrachteten Installation zu verhindern, wurde jeweils bei Erreichen eines Druckes von 10 bar eine Warmwasserzapfstelle kurzzeitig geöffnet. Der Druck sank augenblicklich durch das Öffnen der Zapfstelle und stieg aber sofort wieder, wenn diese Entlastung des Systems wiederum geschlossen wurde. Der Vorgang des Entlastens durch Öffnen einer Zapfstelle ließ sich mehrfach wiederholen und immer wieder stieg der Druck auf 10 bar an. Nach kompletter Erwärmung des Wassers PWH und PWH-C stagnierte der Druck dann endlich.

Warum fehlte das Sicherheitsventil?

Der Standard einer solchen Installation sieht vor, dass erst einmal keine Zirkulation in den Wohnungen verlegt wird. Man hat ja die Kompaktstation angeschlossen, um unter anderem genau auf die Zirkulation verzichten zu können.
Das Sicherheitsventil kann nur sinnvoll integriert werden, wenn einerseits die Hersteller der Kompaktstationen diese entsprechend vorgesehen haben. Das Sicherheitsventil muss ja baulich in diesen zumeist als Unterputzkästen angelegten Montageeinheiten montierbar sein. Noch gravierender ist aber die Notwendigkeit, dass dann in unmittelbarer Nähe des Sicherheitsventils ein Abflussstrang verlaufen sollte. Das austretende Wasser des Sicherheitsventils muss ja schließlich irgendwohin. Planerisch ist dieses wichtige Detail oft aber nicht berücksichtigt worden. Die Kompaktstationen findet man häufig im Abstellraum und ohne die dahinter verlaufenden Fallleitungen.
Das Sicherheitsventil ist kein Standardbauteil dieser Kompaktstationen, weil es nicht in jeder Konfiguration notwendig wird. Nur wenn eine Zirkulation integriert wird, ist es erforderlich. Wäre das Sicherheitsventil als Standard verbaut, müsste auch immer eine Entwässerungsmöglichkeit in unmittelbarer Umgebung vorhanden sein. Fragt man einige Hersteller der Kompaktstationen nach den Gründen, warum man dies nicht einfach zum Standard erhebt, kann man, wie ich, die Antwort bekommen, dass die Mitbewerber es doch auch nicht zum Standard erhoben haben. Würde nur ein Hersteller ein Sicherheitsventil als Standard einbauen, so würde sehr schnell der Eindruck entstehen, der kann nicht ohne Fallleitung in der Nähe der Kompaktstation, alle anderen Hersteller können das. Das wäre vermeintlich ein Wettbewerbsnachteil für den Hersteller mit dem obligatorischen Sicherheitsventil. Und Fakt bleibt ja auch, dass es nicht in jeder Konstellation notwendig ist.

Kleine Bauteile, wie hier diese Sicherheitsventile, haben in unserer Branche oft eine große Wirkung

Kleine Bauteile, wie hier diese Sicherheitsventile, haben in unserer Branche oft eine große Wirkung

Tipps für kurzfristige Abhilfe

Während eines Ortstermins wurden seinerzeit in dem Neubau die weiteren noch nicht zerstörten Trinkwasserinstallationen der anderen Wohnungen zirkulationsseitig wieder außer Betrieb genommen. Damit war die Gefahr kurzzeitig gebannt und für die Bewohner ohne Baulärm bis auf Weiteres keine Beeinträchtigung spürbar. Einzig das Fehlen des höheren Komforts durch Zirkulation hätte die Bewohner stören können.
Dort, wo ein Sicherheitsventil nachrüstbar ist, sollte dies geschehen. Ist eine Nachrüstung nicht möglich, kann über den nachträglichen Einbau eines Ausdehnungsgefäßes für Trinkwasser nachgedacht werden. Das Ausdehnungsvolumen muss ja nicht gigantisch groß sein. Das Gefäß sollte natürlich durchströmt sein und daher keine Hygieneprobleme aufwerfen.
Ein solches Ausdehnungsgefäß oder natürlich auch ein Sicherheitsventil sind selbstverständlich zwingend einer Wartungspflicht unterworfen. Im schlimmsten Fall ist nämlich die Membrane nach ein paar Jahren defekt und durch. Dann würde das Ausdehnungsvolumen wiederum aus dem Sicherheitsventil austreten. Wartungen würden den Installateur zwar freuen, sind für den Endkunden in der jeweiligen Wohnung aber vielleicht ein Ärgernis, weil mit Kosten verbunden.

Die Arschkarte zu bekommen ist fast immer ärgerlich, zumal dann, wenn man glaubt, alles richtig gemacht zu haben. Aber Standard-Teile einzubauen reicht nicht immer aus. Leider!

Bild: Ivan Grlic / thinkstock

Die Arschkarte zu bekommen ist fast immer ärgerlich, zumal dann, wenn man glaubt, alles richtig gemacht zu haben. Aber Standard-Teile einzubauen reicht nicht immer aus. Leider!

Zusammenfassung

Die Erfahrung zeigt, dass unsere SHK-Industrie tatsächlich tolle innovative Produkte anbietet, die in der Regel auch funktionieren. Sonderfälle, auch wenn diese sich auf den ersten Blick nicht so darstellen wie in diesem Fall, laufen schon mal ins Chaos. In den hier betrachteten Fällen darf ich natürlich nicht Ross und Reiter nennen. Im Nachgang zeigte sich aber, dass die Hersteller der Kompaktstationen bereits sensibilisiert worden waren. Diese Hersteller müssen natürlich im eigenen Interesse dafür sorgen, dass entsprechende Produkte nachzurüsten sind.
Ob sich diese Hersteller dann bei einem Schaden um die 70 000 Euro hinter ihren Handwerker stellen, bezweifle ich allerdings. Zumal werden diese Hersteller es oft dann nicht tun, wenn in den technischen Unterlagen zu den Kompaktstationen ausdrücklich steht, dass zu prüfen ist, ob ein Sicherheitsventil konkret notwendig werden wird. Letztlich kommt es also auf die Anlagenmechaniker an, ebenso sensibilisiert zu sein wie die Hersteller.
Ist tatsächlich mal eine Installation schiefgelaufen, so gibt es in der Regel Möglichkeiten zur Nachbesserung. Aber die sollten dann auch wirklich korrekt durchgeführt werden und nicht halbherzig am Thema vorbeischlittern, um nur Symptome zu bekämpfen. Niemals also den Teufel mit Beelzebub austreiben!

Elmar Held
Dipl.-Ing. (FH) Elmar Held ist verantwortlicher Redakteur des SBZ Monteur. Er betreibt ein TGA-Ingenieurbüro, ist Dozent an der Handwerkskammer Dortmund sowie öffentlich bestellter und vereidigter Sachverständiger
Telefon (0 23 89) 95 10 21
Telefax  (0 23 89) 95 10 22

WERBUNG