Springe auf Hauptinhalt Springe auf Hauptmenü Springe auf SiteSearch
WERBUNG
WERBUNG
WERBUNG
Trinkwassererwärmung mit Brennwert

Mittels direkter Beheizung

Verbraucher wollen jederzeit über warmes Trinkwasser zum Baden, Duschen und Spülen verfügen können, ohne sich Sorgen über die Bildung von Bakterien wie Legionellen machen zu müssen. Das bedeutet, dass ein Warmwassersystem mindestens eine Temperatur von 60 °C erreichen muss. Und eine solch relativ hohe Temperatur soll natürlich effizient und damit auf nachhaltige Weise erreicht werden. Viele Konzepte existieren am Markt und ein sehr interessantes und flexibles System ist von A.O. Smith etabliert worden und hat sich am Markt bewährt.

Zielsetzungen

Die Verbrennung von Erdgas im Zusammenhang mit CO2-Emissionen ist ein großes Thema. Als Hersteller von gasbefeuerten Wassererwärmern stand für A.O. Smith als wichtiger Entwicklungsschritt im Vordergrund sorgfältig mit einem solchen Energieträger umzugehen.

Um eine nachhaltige Warmwasserlösung anbieten zu können, optimierte der Hersteller daher den Energieverbrauch seiner Produkte unter anderem durch eine optimale Dämmung der Gehäuse. Zudem eignen sich die Trinkwassererwärmer zur Nutzung nachhaltiger Energiequellen wie die Sonne und gehen für den restlichen Energiebedarf äußerst effizient mit Erd- oder Flüssiggas um. A.O. Smith entwickelt seit rund 20 Jahren Trinkwassererwärmer mit Brennwerttechnik. Dabei können diese direktbefeuerten Geräte Temperaturen bis zu 85 °C anbieten, aber auch einen feuerungstechnischen Wirkungsgrad bis zu 109 % (Hi) erreichen.

Lösungen für erneuerbare Energien

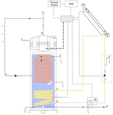
Die Entwicklungen aus den Niederlanden können solarthermische Anlagen mit direkt gasbefeuerten Trinkwassererwärmern kombinieren. Der Speicherinhalt wird vorgeheizt, indem die Sonnenwärme über den Wärmetauscher an das Trinkwasser abgegeben wird. Sollte diese Temperatur nicht ausreichend hoch sein, heizt der Trinkwassererwärmer auf die gewünschte bzw. vorgeschriebene Temperatur nach. Durch diese Kombination erfolgt die Bereitstellung von Warmwasser entsprechend nachhaltig und effizient.

Energiesparen durch Direkterwärmung

In Deutschland sind Anlagen zur indirekten Warmwasserbereitung sehr verbreitet. Dabei wird zweimal Wärme übertragen und somit geht auch zweimal Energie verloren. Zuerst vom Brenner und den Abgasen zum Heizungswasser und anschließend vom Heizungswasser zum Trinkwasser.

Es gibt alternative, effiziente Lösungen:

Wird die Anlage in einen direkt beheizten Trinkwassererwärmer mit Brennwerttechnik und eine separate Anlage für die Raumbeheizung aufgeteilt, können Übertragungs- und Stillstandsverluste auf ein Minimum reduziert werden. Zudem kann die Leistung der Heizungsanlage viel kleiner gewählt werden, da sie ja nur zum Heizen dient.

Auch eine Kombination mit einer Wärmepumpe wäre eine gute Möglichkeit, da sich Wärmepumpen schwer tun bei der Produktion von hohen Temperaturen.

Im Sommer, wenn wenig oder gar keine Heizung benötigt wird, benutzt ein indirektes System dennoch die volle Kapazität, um den Bedarf an warmem Wasser zu decken. Bei einem Direktsystem schaltet sich nur der Trinkwassererwärmer ein und die Heizung bleibt ausgeschaltet. Heizung und Trinkwassererwärmung werden vollständig voneinander getrennt. Ein getrenntes System bietet zudem mehr Betriebssicherheit. Bei einer Störung fällt nur eine Anlage aus und hat somit auch geringere negative Auswirkungen.

Die Funktionsweise

Nach Befüllen des Gas-Vorratsheizers und der Entlüftung des Rohrsystems wird das System über die Regelung gestartet. Diese befindet sich im oberen Bereich des Gerätes. Das Wasser im Speicher wird dann auf die voreingestellte Temperatur erwärmt. Die Erwärmung erfolgt durch die im Speicher und sich direkt im Wasser befindliche Brennkammer und dem sich anschließenden Rohrwendel-Wärmetauscher.

Mit einer Temperatur von ca. 800 °C drückt die durch den modulierenden Premix-Brenner erzeugte Flamme senkrecht in die Brennkammer und presst die Abgase durch den gesamten Wärmetauscher, wobei die Wärme auf das Trinkwasser übertragen wird. Danach werden die verbrannten Abgase ins Freie geleitet. Kurz vor Erreichen der eingestellten Temperatur moduliert der Brenner nach unten und schaltet anschließend aus. Der Brennvorgang startet erst wieder, wenn die eingestellte untere Temperatur unterschritten wird oder warmes Wasser verbraucht wird.

Beim Zapfen von warmem Wasser geschieht Folgendes:

Durch den Zapfvorgang entlädt sich der unter Leitungsdruck stehende Vorratsheizer. Kaltes Wasser strömt in den unteren Speicherbereich. Der Premix-Brenner startet, um das nachfließende Wasser zu erwärmen. Die heißen Abgase durchströmen den Wärmetauscher und werden durch das in den Speicher laufende Kaltwasser (10 °C) so stark abgekühlt, dass der in den Abgasen befindliche Wasserdampf kondensiert.

Durch Innovation, neueste Technik und Anordnung von Brenner und Flammenrichtung, Kaltwasserzugang und Gestaltung des Wärmetauschers hat A.O. Smith ein effizientes, umweltfreundliches und zugleich wirtschaftliches Trinkwassererwärmungssystem entwickelt.

Mehr Informationen gibt es unter www.aosmith.de

Solar-Kombi

Der Gasvorratsheizer erlaubt die Kombination mit thermischen Solaranlagen mit bis zu 15 Kollektoren. Die eingesetzte Brennwerttechnik in der Ausführung 40 kW und 60 kW sorgt dann für einen hohen Benutzerkomfort und einen maximalen Solaranteil bei sehr geringem Platzbedarf. Die gesamte Solaranlage arbeitet mit nur einer Steuerung. 

Technische Daten

– Raumluftabhängige oder -unabhängige Betriebsweise möglich
– Leistungsbereich von 12 KW bis 120 KW
– Speichervolumen von 160 l bis 480 l
– Feuerungstechnischer Wirkungsgrad bis 109 %
– ErP-Label A
– Automatischer und modulierender Gas-Luft-Vormischbrenner
– Weltweit patentiertes Emaillierungsverfahren
– Einsatz von wartungsarmen Fremdstromanoden
– Temperatur stufenlos einstellbar von 40 °C–85 °C
– Abgasleitung bis 100 m Länge möglich
– Erfüllung von NOx- Klasse 6 (24 mg–37 mg/KWh)
– Digitale Wochenzeituhr
– CE- und DVGW-zertifiziert
– Platzbedarf ca. 1 m²










WERBUNG