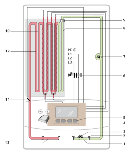
Das Funktionsschema zeigt den Vaillant Elektro-Durchlauferhitzer electronicVED plus im Betrieb. Sobald ein Warmwasser Zapfventil geöffnet wird, fließt Kaltwasser durch das das Wassersieb (2) zum Flügelrad (7). Dieses bestimmt den Durchfluss und leitet seinen Messwert zur Elektronik (4). Im Heizblock wird das Wasser durch die elektronisch gesteuerten Heizwendeln (10) erwärmt. Die Elektronik steuert die geforderte Auslauftemperatur mit den Werten des Einlauftemperaturfühlers und des Flügelrades. Bei Überschreiten der Leistungsgrenze (niederige Einlauftemperatur, hohe Wassermenge) kann sich die Auslauftemperatur unter den eingestellten Sollwert reduzieren.
Um die vorgewählte Warmwassertemperatur erreichen zu können, wird von der Elektronik in Verbindung mit den Werten des Fühlers für die Einlauftemperatur, des Flügelrades sowie der gewählten Warmwassertemperatur am Temperaturwähler (5) die hierfür erforderliche Leistung ermittelt (Q=m x c x deltaT). Die entnehmbare Wassermenge bei einer bestimmten Warmwassertemperatur ist durch die Anschlussleistung begrenzt. Der Sicherheitsschalter schaltet nur, wenn aufgrund einer Störung noch elektrische Leistung an den Heizwendeln anliegt, obwohl der Durchfluss kleiner als 1,2 I/min ist.
       
    
1 Anschlussstück für Kaltwasser
2 Wassersieb
3 Kaltwasserabsperrventil
4 Leistungs- und Steuerelektronik (mit von vorn leicht zugänglichen Messpunkten)
5 Display mit Bedientasten
6 Sicherheitsschalter
7 Flügelrad
8 Kaltwasservorlaufstrecke
9 Wassermengenbegrenzer
10 Heizblock mit Heizwendeln
11 Sicherheitstemperaturbegrenzer
12 Warmwassernachlaufstrecke
13 Anschlussstück für Warmwasser
 
     
     
     
     
     
    