Springe auf Hauptinhalt Springe auf Hauptmenü Springe auf SiteSearch
WERBUNG
WERBUNG
WERBUNG

Erklär mal: Wärmepumpen-Hybrid System

Die Zusatzheizung mit fossilen Energieträgern kommt oft in Bestandsgebäuden zum Einsatz da hier bereits eine Energiequelle (Gas oder Öl) vorhanden ist. Es ist eine Kombination aus erneuerbarer Energie und fossilen Brennstoffen.

Dieses System wird auch Hybridsystem genannt.Das Hybridsystem vereint z. B. die kostenlosen Umwelterträge einer Wärmepumpe mit einer Gas- oder Ölheizung. Dabei deckt die Wärmepumpe hauptsächlich den Heizwärmebedarf

in den Übergangszeiten mit Außentemperaturen ≥ 0 °C ab (Grundlast). Die Gasheizung wiederum deckt den Heizwärmebedarf bei niedrigen Außentemperaturen ab. Die Umschaltung erfogt in der Regel am sogenannten Alternativpunkt. Dies ist der Temp. Schaltpunkt wo der alternative Wärmeerzeuger Ein- und die Wärmepumpe abgeschaltet wird. Die Warmwasserbereitung erfolgt ausschließlich dabei über das Gasgerät.

Durch die Kombination beider Technologien ergibt sich eine deutliche Energie- und Kostenersparnis gegenüber dem alleinigen Betrieb einer Wärmepumpe oder eines Gasgerätes.

Bsp.: Bivalenter Speicher mit zusätzlichem Wärmeerzeuger

Die Grundlast der Warmwasserbereitung wird über die Wärmepumpe abgedeckt. Im Bereich, in dem die Wärmepumpe weniger effizient arbeitet, übernimmt der zweite Wärmeerzeuger die Speicherladung. Dieses System ermöglicht einen sehr effizienten Betrieb der Wärmepumpe. Warmwassertemperaturen > 60 °C sind kostengünstig möglich.

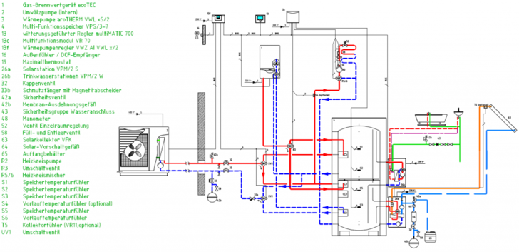
Bivalenter Speicher mit Wärmepumpe aroTHERM und zusätzlichem Wärmeerzeuger 
als Hybrid-System Grafik: Vaillant
Bivalenter Speicher mit Wärmepumpe aroTHERM und zusätzlichem Wärmeerzeuger als Hybrid-System Grafik: Vaillant

Vorteile:

- Abdeckung erhöhter Warmwasserspitzen können durch den zweiten Wärmeerzeuger übernommen werden

- Der zweite Wärmeerzeuger kann das Heizsystem unterstützen (z. B. Hybrid-System)

- Je nach Energiepreis kann zwischen der Wärmepumpe und dem zweiten Wärmeerzeuger gewechselt werden

Nachteile:

- Höhere Investitionskosten, da zwei Wärmeerzeuger erforderlich sind

Das hier abgebildete Hydraulikschemata umfasst in der Hybriden-Anwendung noch eine thermische Solaranlage zur Heizungsunterstützung mit WW-Bereitung.

Hydraulikplan Grafik: Vaillant Achtung Prinzipskizze
Hydraulikplan Grafik: Vaillant Achtung Prinzipskizze

WERBUNG