Springe auf Hauptinhalt
Springe auf Hauptmenü
Springe auf SiteSearch
WERBUNG
WERBUNG
Primary protection
Secondary protection
Abo & Shop
Media
Search
Primary protection
Secondary protection
Blog
Aktuelle Ausgabe
Archiv
Heftarchiv
Blogarchiv
Fokus
SHK-Ausbildungspaket
Bestellung
Erstmalige Registrierung
Exklusiver Bereich
Wissen Kompakt
Musterberichte
Dokumentvorlagen
Fit im Fach
Datensafe
Frag den Fachmann
Lehrer-Login
Erstmalige Registrierung
Login für Lehrer
Premium
Premium-Vorteile
E-Paper
Online-Archiv
SBZ Monteur Fokus
Zeitschrift
Webinare
Abo- & Leserservice
Home
Erklär mal…
WERBUNG
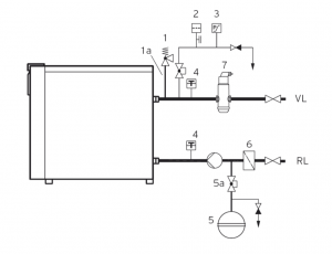
Sicherheitstechnische Ausrüstung für Wärmeerzeuger nach DIN EN 12828
von
Loeti
29.09.2014
|
Druckvorschau
Autoren:
Loeti
sbz-monteur@my-shk.de
WERBUNG
Der Link wurde kopiert
Teilen
Link kopieren
Tags
Erklär mal…
Heizung
Wärmeerzeuger
Weitere Inhalte
Bild: Alexander Raths - stock.adobe.com
Förderfähige digitale Methode für den hydraulischen
Abgleich
Bild: Glen Dimplex
Wie funktioniert das Kühlen mit der
Wärmepumpe?
Bild: Studio Harmony - stock.adobe.com
Installation und Wirkung moderner Lüftungssysteme
Neuer WärmerückgewinnerCheck von HEA und
VdZ
Bild: Vaillant
Die wichtigsten Kriterien für
Luft/Wasser-Wärmepumpen
Bild: Brötje
Wärmepumpeneinbau im Bestand wird
Routine
Bild: amh-online.de
Vergütung im Handwerk
Gehälter liegen über vielen
Erwartungen