Für Warmduscher geeignet
Kaum steht man unter der Dusche und hat einigermaßen die Wohlfühltemperatur erfummelt, da zapft doch einer in der Küche kaltes Wasser. Nicht, dass man es hört, nein, man spürt es knüppelheiß im Nacken. Dann regelt man kurz nach, wohl auch um den Schmerz zu lindern. Und im nächsten Moment schlägt ein eiskalter Strahl auf dem Rücken auf. Der Zapfer in der Küche scheint fertig zu sein.
Solche Wechselbäder sind nicht immer der richtige Einstieg in den neuen Tag. Und weil wir solche Überraschungen nicht mögen, hat die Industrie natürlich schon längst reagiert. Sie hat durchgestylte Armaturen auf dem Markt gebracht die einem hilfreich zur Seite stehen. In Sekundenbruchteilen werden Temperaturänderungen wahrgenommen und entsprechende Reaktionen der Armaturen sorgen für ein gleichbleibendes Dusch- und Waschvergnügen.
 
    
Wie geht das?
Um eine gleichbleibende Auslauftemperatur zu erzeugen sind natürlich zusätzliche Einbauten in einer Armatur nötig. Mitten im Treffpunkt des Kalt- und Warmwasseranschlusses einer Mischbatterie wird eine zusätzliche Sperre eingebaut (siehe Funktionsschema). Diese kann beispielsweise durch eine Bewegung nach links den Kaltwasserzufluss weiter öffnen und dabei gleichzeitig den Warmwasseranschluss schließen. Umgekehrt geht es genauso, die Bewegung nach rechts schließt den Kaltwasserzulauf und so weiter. Bei einem Einhebelmischer wird diese Funktion vom Menschen selbst übernommen. Bei einer thermostatisch geregelten Mischbatterie geht man einen Schritt weiter. Ein Dehnstoff bewegt die Sperre nach rechts oder links. In dem jeweils sich einstellendem Mischwasserstrom der die Batterie durchströmt, wird nämlich ein Dehnstoffelement eingebaut. Es registriert also zwangsläufig die abgehende Mischung aus Kalt- und Warmwasser. Der Dehnstoff wird sich bei einer Änderung des Warmwasserstromes entsprechend verändern. Bei einer Erhöhung der Temperatur wird sich der Körper dehnen. Dabei wird dann also der Heißwasserstrom reduziert, während gleichzeitig der Kaltwasserzustrom vergrößert wird. Bei entsprechender Abkühlung des Stromes würde sich ebenfalls das Dehnstoffelement abkühlen und dabei die entgegengesetzte Veränderung auslösen. Also würde der Kaltwasserstrom gesenkt und gleichzeitig mehr warmes Wasser durchgeleitet. Es handelt sich also um eine einfache, aber sehr effiziente Regelung der Temperatur mittels Volumenstromänderung.
 
    
Individuelle Temperatur
Zur Wahl der eigenen Lieblingstemperatur kann die Vorspannung einer Feder erhöht oder gesenkt werden. Die Feder drückt, dem Dehnstoffelement gegenüberliegend die kleine Sperre in Richtung Dehnstoffelement. Der Dehnstoff kann durch diese Feder in seinem Ausdehnungsdrang unterschiedlich stark beschränkt werden. Erhöht sich der Federdruck geht der Trend zu mehr Warmwasser und umgekehrt. Per Drehknopf kann man daher mittels Verstellung der Federkraft die jeweilige Wunschtemperatur sehr leicht bestimmen und halten. Sinkt der Fließdruck des Warmwassers beispielsweise weil eine weitere Zapfstelle im Haus bedient wird, stellt sich innerhalb von Sekundenbruchteilen eine abgesenkte Temperatur an dem Dehnstoffelement ein. Dieses Bauteil quittiert die gesunkene Temperatur mit einem weiteren Öffnen des Warmwasserdurchlasses. Die Auswirkungen einer solchen Druckschwankung kann also ausgeglichen werden. Ein weiteres Beispiel macht weitere offenbart weitere mögliche Störgrößen. Während eines Dauerduschbades sinkt innerhalb einer Installation mit zentraler Trinkwassererwärmung, die Speichertemperatur. Auch diese Änderung bemerkt das Dehnstoffelement und reißt den Zulauf von Warmwasser immer weiter auf.
 
    
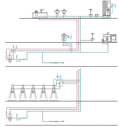
Wohin mit dem Zauberding?
Die Anordnung dieser beschriebenen Mischeinrichtung ist von großer Bedeutung. In einem Einfamilienhaus werden solche Thermostate häufig direkt an den Anschlüssen montiert. Am stärksten verbreitet ist hier die Thermostatbatterie für Duschen. Im ganzen Hause könnte dann noch per Hand gemischt werden. Der Komfort einer geregelten Auslauftemperatur wäre nur beim Duschen nutzbar. Die Anschaffung bliebe relativ günstig und bezogen auf den Komfort scheint alles in Ordnung In Einfamilienhäusern verbreitet sich jedoch seit Jahren ein sonnenbedingtes Problem. Sind nämlich thermische Solaranlagen installiert, so können innerhalb des Warmwasserspeichers enorm hohe Temperaturen von bis zu 80°C entstehen. Eine Verbrühung mit solch heißem Wasser hätte fatale Folgen. Da diese Temperaturen aber nur unregelmäßig vorkommen, fällte es sehr schwer ein entsprechend schützendes Verhalten vor den drohenden Verbrühungen zu entwickeln. Insbesondere für Kleinkinder und hilfsbedürftige Menschen wäre das schwierig. Für diesen Einsatzzweck kommt ein zentraler thermischer Mischer in Betracht. Direkt über dem Warmwasserspeicher montiert, lässt er dann nur noch Wasser durch, welches auf ein annehmbares Niveau heruntergemischt wurde. Nachteil dieser Methode ist natürlich, dass bei solch niedrigen Temperaturen das Wachstum von Legionellen begünstigt wird. Es ist daher aus hygienischer Sicht nicht der Königsweg. Es besteht auch die Möglichkeit mit Eckventil-Thermostaten zu arbeiten. Das Wasser kann so ebenfalls sehr heiß und keim-killend durch das System flitzen. Unter dem Waschtisch vollzieht sich dann erst der Wandel zum gefahrlosen Betrieb bei zahmen Temperaturen.
 
    
In öffentlichen Anlagen
Beispielsweise innerhalb des verzweigten Trinkwassersystems einer Sportanlage sollen hygienefördernde hohe Temperaturen von um die 60 °C die Legionellen im Schach halten. Eine Regelarmatur, die eine Wassertemperatur der Zirkulationsleitungen zu sehr beschneiden würde, wäre sicherlich nachteilig für die Hygiene. Allerdings können in den Duschanlagen keine Temperaturen geduldet werden, die Verbrühungen der Nutzer nach sich ziehen könnten. Hier wäre es möglich wiederum einzelne Thermostatbatterien zu installieren. Der finanzielle Aufwand wäre jedoch sehr hoch. Meistens setzt man daher die Thermostate kurz vor einer Gruppe von Verbrauchern. Dies kann dann eine Reihendusche oder eine Reihenwaschanlage sein. Das Wasser kann auf diese Weise dann durch das gesamte System mit hoher und damit keimtötender Temperatur getrieben werden. Erst kurz vor den schützenswerten Dusch- und Waschanlagen oder anderen Verbrauchern würde eine Senkung der Temperatur mittels Thermostat stattfinden. Klassische Beispiele für eine zwingende Anwendung dieser Techniken sind im Bereich von Kindergärten, Krankenhäusern und Altenheimen zu nennen. Überall, wo Menschen durch verzögerte Reaktion der Gefahr durch Verbrühung ausgesetzt sind, sollten technische Maßnahmen wie ein Thermostat, die Gefahr reduzieren. Es liegt also nicht im Entscheidungsspielraum des jeweiligen Betreibers oder Nutzers ob er sich den Luxus eines thermostatisch geregelten Mischers leisten soll. Das Zusammenspiel von Hygienekonzepten und der sicheren Warmwasserversorgung ohne die Gefahr der Verbrühung entscheiden im Bereich öffentlicher Anlagen über den Einsatz dieser thermostatisch geregelten Mischbatterien.
Zeit ist Geld
Trinkwasser insgesamt und insbesondere warmes Wasser kostet natürlich Geld. Die schnelle Einregulierung einer immer wieder kehrenden Wunschtemperatur spart natürlich auch am Wasser und Energieverbrauch einer Trinkwasserinstallation. Diese Argument verstärkt den Wunsch der privaten Badnutzer sich den Luxus einer Thermostatbatterie zu leisten. Komfort , Sicherheit und das noch in Kombination mit ökologisch/ökonomischen Ansätzen, Kunde was willst du mehr?
 
     
     
     
     
     
    